目录

  • 1 2019-2020上学期期初检查资料
    • 1.1 线上教学应急预案
    • 1.2 课程考核方案表
    • 1.3 线上教案
    • 1.4 2019-2020下学期疫情期间工程机械电气系统维修第一次课说课
    • 1.5 学习指南
    • 1.6 教学标准
  • 2 知识储备(学习该课程必备知识)
    • 2.1 安全用电
    • 2.2 电路常识
    • 2.3 测试
    • 2.4 南极科考
  • 3 工程机械维修电气认知
    • 3.1 工程机械电气线路特点
    • 3.2 万用表的使用
    • 3.3 电路识读
    • 3.4 工程机械电气故障分析方法
    • 3.5 工程机械电气故障诊断的工作流程
    • 3.6 测试
  • 4 电源系统维修
    • 4.1 蓄电池
      • 4.1.1 蓄电池的构造
      • 4.1.2 蓄电池的工作原理
      • 4.1.3 蓄电池的充电
      • 4.1.4 蓄电池的容量及其影响因素
      • 4.1.5 蓄电池的使用注意事项
      • 4.1.6 蓄电池的故障检测与排除
      • 4.1.7 测试
    • 4.2 发电机
      • 4.2.1 发电机的结构
      • 4.2.2 发电机定子故障检测
      • 4.2.3 发电机转子故障检测
      • 4.2.4 发电机整流器工作原理
      • 4.2.5 发电机整流器故障检测
      • 4.2.6 测试
    • 4.3 发电机电压调节器
      • 4.3.1 发电机电压调节器的作用及调压原理.
      • 4.3.2 晶体管电压调节器
      • 4.3.3 集成电路电压调节器
      • 4.3.4 电压调节器检测
      • 4.3.5 测试
  • 5 启动系统维修
    • 5.1 启动系统常用元器件
    • 5.2 启动机工作原理
    • 5.3 启动系统故障检修
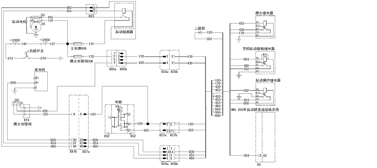
    • 5.4 工程机械常见启动系统案例分析
    • 5.5 章节测验
  • 6 (选修)工程机械点火系统故障检修
    • 6.1 工程机械点火线圈的类型、结构和工作原理
    • 6.2 工程机械点火系统故障检测与维修
    • 6.3 章节测验
  • 7 灯光系统的检修
    • 7.1 照明灯的结构及工作原理
    • 7.2 工作灯线路
    • 7.3 前大灯线路
    • 7.4 转向灯线路
    • 7.5 制作并安装闪光灯
    • 7.6 照明系统常见故障及排除方法
    • 7.7 测试
  • 8 雨刮系统故障的检测及排除
    • 8.1 雨刮系统故障的检测及排除
    • 8.2 车辆雨刮电路维修
  • 9 检测、诊断和维修信号设备
    • 9.1 电喇叭故障检测及排除
    • 9.2 倒车报警故障及排除
    • 9.3 制动灯故障及排除
    • 9.4 仪表检测
  • 10 工程机械空调系统检修
    • 10.1 工程机械空调系统概述
    • 10.2 工程机械空调系统工作原理
    • 10.3 工程机械空调系统检修
  • 11 企业维修案例
    • 11.1 案例
工程机械常见启动系统案例分析
  • 1 PPT
  • 2 测验

请分析它的工作原理