启动系统故障检修
-
1 PPT及视频
-
2 教师工作页
-
3 学生工作页
上一节
下一节

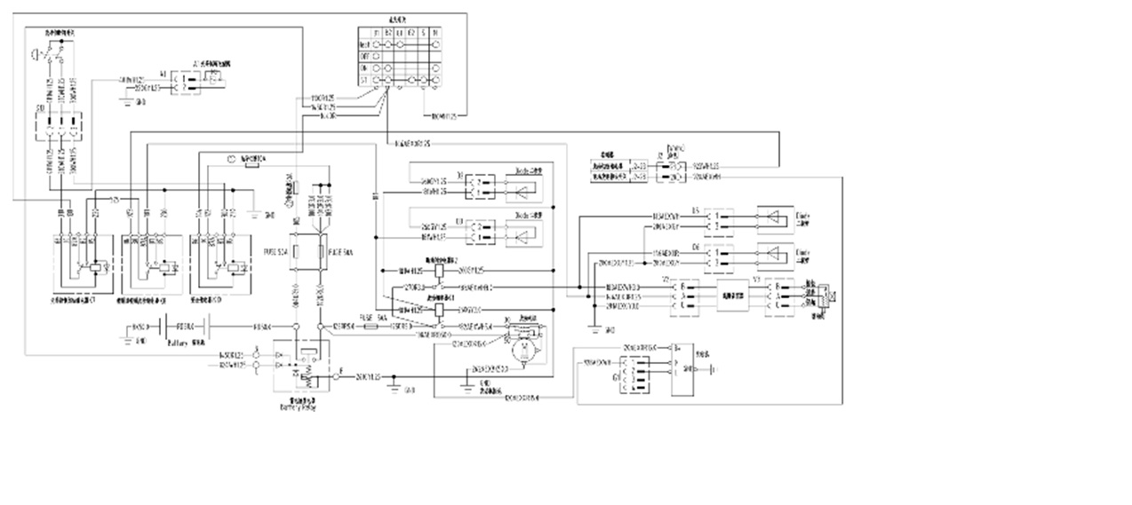
上图为柳工922E挖掘机起动系统图,对它相应的有可能存在的问题进行检测与维修

