汽车发动机电控系统检修

谢丹、叶鹏、彭敏、刘彤、孙凤双、崔艳宇、初宏伟

目录

  • 1 概述
    • 1.1 课程概述
    • 1.2 教学计划
    • 1.3 教案
  • 2 (前序课程)发动机不解体诊断
    • 2.1 汽车发动机基础知识
    • 2.2 气缸压缩压力测试
    • 2.3 燃油压力测试
    • 2.4 冷却液的添加及盖的检测
    • 2.5 VAG1342机油压力检测
    • 2.6 机油称重
    • 2.7 蓄电池安全接线
  • 3 (前序课程)奥迪发动机解体及测量
    • 3.1 2.4L发动机解体过程记录
    • 3.2 进入elsa查看EA837维修手册
  • 4 模块一:发动机管理系统概述
    • 4.1 学习任务:奥迪车辆配备发动机类型
    • 4.2 学习任务:发动机管理系统的应用
    • 4.3 学习任务:EA211系列
    • 4.4 学习任务:EA888系列
    • 4.5 学习任务:EA837系列
    • 4.6 活动:EA888传感器及执行器安装位置识别
    • 4.7 活动:EA837传感器及执行器安装位置识别
    • 4.8 教师实训指导手册
  • 5 模块二:发动机管理系统的供电
    • 5.1 学习任务:发动机控制单元的30供电及15供电
    • 5.2 学习任务:发动机控制单元的接地
    • 5.3 实训任务:测量发动机控制单元供电回路
    • 5.4 故障视频:继电器损坏导致无高压电供给至火花塞发火
    • 5.5 外链知识:继电器的作用与基本原理
    • 5.6 外链知识:继电器参数标识
    • 5.7 外链知识:继电器线圈侧为何并联电阻
    • 5.8 故障判断:继电器、保险丝、连接器断路与高电阻故障电压分析
    • 5.9 学习任务:主继电器J271的控制原理
    • 5.10 实训任务:主继电器J271控制电路
    • 5.11 实训任务:验证主继电器J271供电部件
    • 5.12 学习任务:部件继电器J757的控制原理
    • 5.13 实训任务:部件继电器J757控制电路
    • 5.14 实训任务:部件继电器J757供电部件
    • 5.15 学习任务:端子15供电继电器J329的控制原理
    • 5.16 实训任务:端子15继电器J329控制电路
    • 5.17 实训任务:验证端子15继电器J329供电部件
    • 5.18 学习任务:端子50继电器的工作原理
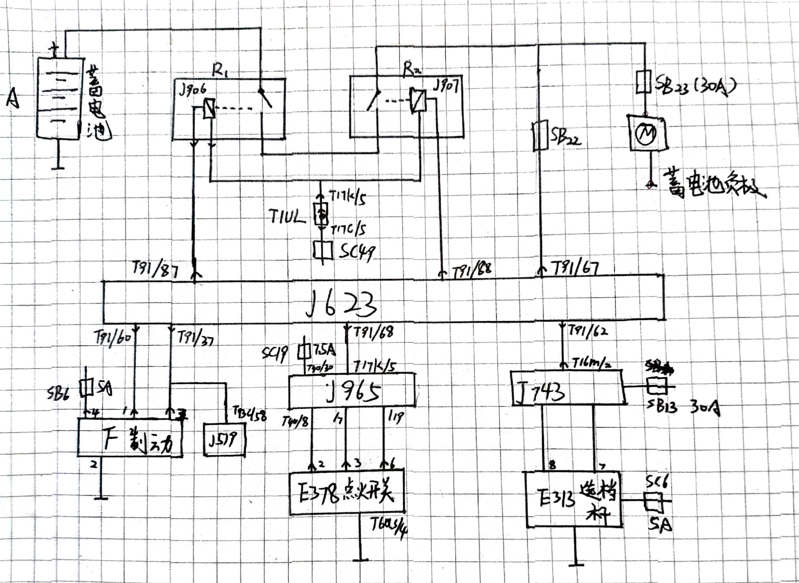
    • 5.19 电路图:起动继电器J906、J907电路图
    • 5.20 实训任务:    测量端子50供电继电器J53(J906)、J695(J907)
    • 5.21 教师实训指导手册
    • 5.22 技师总结:发动机供电
  • 6 (拓展内容)模块三:检查、诊断润滑系统
    • 6.1 学习任务:润滑系统油路
    • 6.2 扩展:EA888润滑系统油路
    • 6.3 学习任务:润滑系统结构
    • 6.4 视频学习:更换机油及保养复位
    • 6.5 学习任务:机油冷却原理
    • 6.6 学习任务:油压特性曲线
    • 6.7 学习任务:两级可调式机油泵结构与压力调节过程
    • 6.8 学习任务:机油压力开关位置与功能
    • 6.9 学习任务:机油压力开关类型与工作原理
    • 6.10 学习任务:机油压力监控原理
    • 6.11 实训任务:检测机油压力开关F22
    • 6.12 实训任务:检测机油压力降低开关F378
    • 6.13 学习任务:机油压力调节电磁阀位置、功能及控制原理
    • 6.14 实训任务:检测机油压力调节阀
    • 6.15 学习任务:可控式活塞冷却喷嘴及控制阀安装位置与功能
    • 6.16 学习任务:可控式活塞冷却喷嘴控制原理
    • 6.17 实训任务:检测活塞冷却喷嘴控制阀
    • 6.18 学习任务:机油压力开关F447位置、原理、功能
    • 6.19 实训任务:检测3档油压开关F447
    • 6.20 学习任务:机油油位和温度传感器位置、功能及工作原理.
    • 6.21 实训任务:检测机油液位和温度传感器
    • 6.22 学习任务:曲轴箱排气通风系统的功能
    • 6.23 学习任务:曲轴箱排气通风系统结构与气体流动路径
    • 6.24 活动:EA888曲轴箱通风系统部件识别及原理分析
    • 6.25 教师实训指导手册
    • 6.26 F22 F378 N428 G266实训工单参考
    • 6.27 技师总结:F22 F378 F447 N428 N522
  • 7 (拓展内容)模块四:检查、诊断冷却系统
    • 7.1 学习任务:冷却系统结构
    • 7.2 学习任务:冷却系统大小循环水路
    • 7.3 学习任务:1.4T双回路冷却系统
    • 7.4 拓展学习任务:创新温度管理 ITM概述
    • 7.5 拓展学习任务:发动机温度调节执行元件(旋转滑阀)管路连接
    • 7.6 活动:冷却循环回路分析
    • 7.7 预习-温度传感器工作原理
    • 7.8 实训任务:检测冷却液温度传感器G62
    • 7.9 学习任务:冷却液循环泵V50/冷却液续动泵V51位置、功能、信号原理
    • 7.10 实训任务:检测冷却液循环泵V50/V51
    • 7.11 冷却风扇控制电路
    • 7.12 实训任务:检测冷却风扇J293
    • 7.13 学习任务:发动机温度调节元件N493电路
    • 7.14 实训任务:检测温度调节元件N493
    • 7.15 冰点测试及更换冷却液
    • 7.16 教师实训指导手册
    • 7.17 实训工单 G62 V50 VX57 G83 N493 实训工单参考
  • 8 模块五:检查、诊断空气供给和增压系统
    • 8.1 故障案例:增压系统
    • 8.2 故障案例:AVS凸轮轴电磁阀检测方法
    • 8.3 故障案例:AVS凸轮电磁阀机械卡滞故障
    • 8.4 学习任务:了解提高充气效率的措施
    • 8.5 学习任务:涡轮增压系统组成及工作原理
    • 8.6 学习任务:涡轮增压器的结构
    • 8.7 学习任务:增压压力的调节原理(气压式)
    • 8.8 实训任务:检测增压压力调节器
    • 8.9 学习任务:循环空气减压阀的位置和作用
    • 8.10 学习任务:循环空气减压阀的动作视频
    • 8.11 学习任务:循环空气减压阀的电路
    • 8.12 实训任务:检测循环空气减压阀
    • 8.13 学习任务:中冷器的作用
    • 8.14 学习任务:第3代EA888涡轮增压系统的变化特点
    • 8.15 学习任务:增压压力调节器V465的结构特点(电动式)
    • 8.16 实训任务:检测增压压力调节器V465
    • 8.17 学习任务:空气流量计的位置及功能
    • 8.18 学习任务:空气流量计的原理
    • 8.19 实训任务:检测空气流量计
    • 8.20 学习任务:进气歧管压力传感器的位置、功能及结构
    • 8.21 学习任务:进气歧管压力传感器工作原理
    • 8.22 实训任务:检测进气歧管压力传感器
    • 8.23 学习任务:增压压力传感器的位置及功能
    • 8.24 实训任务:检测增压压力传感器
    • 8.25 学习任务:了解可变进气道的应用
    • 8.26 学习任务:可变进气通道动作视频
    • 8.27 学习任务:可变进气通道原理
    • 8.28 学习任务:可变进气歧管位置传感器结构和信号特征
    • 8.29 学习任务:可变进气歧管位置传感器工作原理
    • 8.30 实训任务:检测开关式可变进气歧管位置传感器G513
    • 8.31 学习任务:进气歧管切换阀结构与原理
    • 8.32 实训任务:检测进气歧管转换阀N156
    • 8.33 学习任务:进气翻板作用与组成
    • 8.34 学习任务:进气翻板动作视频
    • 8.35 学习任务:进气歧管翻板位置传感器安装位置与信号特征
    • 8.36 实训任务:检测开关式进气管传感器G336
    • 8.37 学习任务:进气歧管转换阀的位置与功能
    • 8.38 实训任务:检测进气歧管转换阀N316
    • 8.39 学习任务:机械式节气门与电子节气门的区别
    • 8.40 学习任务:电子节气门的基本调节过程
    • 8.41 学习任务:电子节气门系统组成
    • 8.42 学习任务:电子节气门系统工作原理
    • 8.43 学习任务:油门踏板位置传感器组成、功能及信号特征
    • 8.44 实训任务:检测油门踏板位置传感器
    • 8.45 学习任务:节气门总成的结构
    • 8.46 实训任务:节气门保养
    • 8.47 学习任务:节气门控制单元的功能
    • 8.48 学习任务:节气门的位置
    • 8.49 学习任务:滑动电阻式节气门位置传感器的结构、功能及原理
    • 8.50 学习任务:磁阻效应式节气门位置传感器的结构、原理
    • 8.51 实训任务:检测节气门位置传感器
    • 8.52 学习任务:其他部件(EPC灯、制动开关、离合器开关)的功能
    • 8.53 预习-(补)配气相位
    • 8.54 学习任务:凸轮轴正时调节阀结构
    • 8.55 学习任务:进气凸轮轴调节器组成、内部结构
    • 8.56 学习任务:进气凸轮轴的提前调节工作过程
    • 8.57 学习任务:进气凸轮轴的滞后调节工作过程
    • 8.58 活动:凸轮轴正时调节系统数据流读取
    • 8.59 学习任务:霍尔式凸轮轴位置传感器位置、功能
    • 8.60 学习任务:霍尔式凸轮轴位置传感器原理、信号特征
    • 8.61 实训任务:检测霍尔式凸轮轴位置传感器
    • 8.62 学习任务:凸轮轴正时调节电磁阀电路
    • 8.63 实训任务:检测凸轮轴正时调节阀
    • 8.64 故障案例:AVS凸轮电磁阀对地短路故障
    • 8.65 学习任务:AVS系统功能、组成
    • 8.66 学习任务:AVS系统凸轮轴及组件结构
    • 8.67 预习-AVS(Audi Valvelift System)系统
    • 8.68 学习任务:AVS系统工作原理
    • 8.69 学习任务:AVS凸轮轴调节电磁阀结构
    • 8.70 实训任务:检测凸轮轴调节电磁阀
    • 8.71 教师实训指导手册
    • 8.72 G71 G31  N249 V465  实训工单参考
    • 8.73 G40G300 N205N318 N580实训工单参考答案
  • 9 模块六:检查、诊断燃油供给系统
    • 9.1 故障案例:燃油管路弯折
    • 9.2 故障案例:燃油泵
    • 9.3 Audi Q5燃油液位显示系统故障
    • 9.4 学习任务:空燃比的概念
    • 9.5 学习任务:空燃比的控制运用
    • 9.6 学习任务:喷油量的计算
    • 9.7 学习任务:喷油正时的概念
    • 9.8 学习任务:车用汽油的选择
    • 9.9 学习任务:燃油供给系统的分类
    • 9.10 学习任务:进气道喷射(缸外)燃油供给系统组成
    • 9.11 学习任务:低压喷油器位置、作用及工作原理
    • 9.12 实训任务:检测低压喷油器
    • 9.13 学习任务:燃油泵总成结构
    • 9.14 学习任务:转速可控的燃油泵电路
    • 9.15 实训任务:燃油泵控制单元信号检查
    • 9.16 学习任务:缸内直喷的优势
    • 9.17 学习任务:缸内燃油供给系统组成
    • 9.18 学习任务:低压燃油压力传感器电路、信号特征
    • 9.19 实训任务:检测低压燃油压力传感器
    • 9.20 学习任务:高压油泵位置、作用
    • 9.21 学习任务:高压油泵的控制原理
    • 9.22 2022.4.20 详讲高压油泵工作原理含N276检测 直播回放
    • 9.23 实训任务:检测燃油压力调节电磁阀
    • 9.24 学习任务:高压喷油器位置、结构
    • 9.25 学习任务:高压喷油器的控制原理
    • 9.26 实训任务:检测高压喷油器
    • 9.27 学习任务:高压燃油压力传感器工作原理、电路及信号特征
    • 9.28 实训任务:检测高压燃油压力传感器
    • 9.29 实训任务:燃油系统数据读取
    • 9.30 学习任务:FSI+MPI双喷射系统
    • 9.31 学习任务:燃油蒸发排放系统功能与组成
    • 9.32 学习任务:燃油箱和油箱盖的组成部件、功能
    • 9.33 学习任务:非增压发动机燃油蒸汽管理系统
    • 9.34 学习任务:增压发动机燃油蒸汽管理系统
    • 9.35 活动:燃油蒸发排放系统实车回路分析
    • 9.36 学习任务:活性碳罐结构与功能
    • 9.37 实训任务:检测活性碳罐电磁阀
    • 9.38 PWM信号与占空比
    • 9.39 带有监控泄露功能的EVAP组成 15:20前
    • 9.40 拓展学习:带有监控泄露功能的EVAP(二)
    • 9.41 教师实训指导手册
  • 10 模块七:检查、诊断点火系统
    • 10.1 学习任务:点火系统的组成
    • 10.2 学习任务:点火线圈的结构
    • 10.3 学习任务:火花塞的功能、结构
    • 10.4 学习任务:点火系统的工作原理
    • 10.5 学习任务:点火线圈的工作原理及控制信号
    • 10.6 电路图:点火线圈控制电路
    • 10.7 实训任务:检测点火线圈
    • 10.8 学习任务:举列解读火花塞参数
    • 10.9 学习任务:磁感应式发动机转速传感器的功能、安装位置及基本原理
    • 10.10 学习任务:霍尔式发动机转速传感器的特点、工作原理
    • 10.11 学习任务:霍尔式发动机转速传感器的信号特征
    • 10.12 实训任务:检测发动机转速传感器
    • 10.13 学习任务:爆震传感器的功能与工作原理
    • 10.14 实训任务:检测爆震传感器
    • 10.15 拓展学习任务:点火正时对扭矩的影响
    • 10.16 拓展学习任务:点火正时对排放的影响
    • 10.17 拓展学习任务:点火过早过晚的弊端
    • 10.18 拓展学习任务:点火提前角的计算
    • 10.19 拓展学习任务:点火正时爆震控制类型
    • 10.20 学习任务:点火正时闭环爆震控制原理
    • 10.21 教师实训指导手册
    • 10.22 N80 G28 G61G66 N70 G130 G39
  • 11 模块八:检查、诊断排放系统
    • 11.1 学习任务:降低排放的措施
    • 11.2 学习任务:EA211发动机的排气系统组成
    • 11.3 学习任务:EA888发动机的排放系统组成
    • 11.4 学习任务:三元催化转化器的功能
    • 11.5 学习任务:三元催化转化器的结构
    • 11.6 学习任务:三元催化转化器的工作原理与转换效率
    • 11.7 学习任务:后氧传感器的功能与结构
    • 11.8 学习任务:后氧传感器的工作原理
    • 11.9 学习任务:后氧传感器的电路
    • 11.10 实训任务:检测后氧传感器
    • 11.11 学习任务:宽频前氧传感器的功能与结构
    • 11.12 学习任务:宽频前氧传感器在稀混合气时的测量原理
    • 11.13 学习任务:宽频前氧传感器在浓混合气时的测量原理
    • 11.14 学习任务:宽频前氧传感器在标准空燃比时的测量原理
    • 11.15 学习任务:前氧传感器的电路及信号特征
    • 11.16 实训任务:检测前氧传感器
    • 11.17 学习任务:混合气的闭环控制原理
    • 11.18 学习任务:二次空气喷射系统的组成与工作原理
    • 11.19 学习任务:二次空气进气电磁阀功能
    • 11.20 实训任务:检测二次空气进气电磁阀
    • 11.21 学习任务:二次空气泵电机的控制原理
    • 11.22 实训任务:检测二次空气泵电机
    • 11.23 实训任务:检查二次空气进气阀体
    • 11.24 颗粒捕捉器
    • 11.25 教师实训指导手册
  • 12 期末考试
    • 12.1 实操考试题
    • 12.2 理论考试题(企业)
    • 12.3 理论考试题(学校)-《贴合机电维修岗位工作内容的创新型考学试卷》
  • 13 参考资料
    • 13.1 13款A6L 2.0T发动机电路图
    • 13.2 几种类型的插接器的解锁方法
    • 13.3 各车型奥迪视频说明书
    • 13.4 Magotan B8L 2018
    • 13.5 迈腾B8 2.0T 维修手册
    • 13.6 繁版-三代EA888针脚定义及对应故障码
    • 13.7 简版-三代EA888针脚定义
    • 13.8 SSP325 C6发动机和变速箱
    • 13.9 SSP327 奥迪链条式发动机
    • 13.10 SSP384 Audi 1.8l 4V TFSI-链条发动机
    • 13.11 ssp436_链条传动四缸-TFSI-发动机的改进_CN
    • 13.12 Magotan B8L 2016_2.0L 四缸四气阀涡轮增压直喷发动机(第三代)
    • 13.13 SSP606_EA888_3G_CN
    • 13.14 C7 A6 2.0T 2013年 CDZA电路图
    • 13.15 ssp222_ch-电子调节冷却系统
    • 13.16 EGR
电路图:起动继电器J906、J907电路图