目录

  • 1 三维虚拟模型库
    • 1.1 模型库
  • 2 认识CAD/CAM技术
    • 2.1 认识CAD/CAM技术与主要软件
  • 3 机械制图
    • 3.1 制图的基本知识和技能
      • 3.1.1 绪论
      • 3.1.2 制图国家标准的基本规定
      • 3.1.3 尺寸标注
      • 3.1.4 绘图工具及其使用
      • 3.1.5 几何作图
      • 3.1.6 平面图形的分析和画法
      • 3.1.7 徒手绘图
    • 3.2 正投影基础
      • 3.2.1 投影法
      • 3.2.2 点的投影
      • 3.2.3 直线的位置关系
      • 3.2.4 直线的投影特性
      • 3.2.5 直线上的点
      • 3.2.6 两直线的相对位置
      • 3.2.7 面的投影
      • 3.2.8 平面的投影特性
      • 3.2.9 平面上的直线和点
      • 3.2.10 平面内的特殊位置直线
    • 3.3 基本体及表面交线的投影
      • 3.3.1 物体的三视图
      • 3.3.2 立体及其表面的点和线
      • 3.3.3 棱锥的投影
      • 3.3.4 曲面立体-圆柱
      • 3.3.5 曲面立体-圆锥
      • 3.3.6 曲面立体-圆球
      • 3.3.7 平面与棱柱相交
      • 3.3.8 平面与棱锥相交
      • 3.3.9 平面与圆柱相交
      • 3.3.10 平面与圆锥和圆球相交
      • 3.3.11 两圆柱相交相贯线的画法
      • 3.3.12 两圆柱相交的形式
      • 3.3.13 辅助平面法求相贯线及特殊相贯线
    • 3.4 轴测图
      • 3.4.1 轴测图的基本概念
      • 3.4.2 正等轴测图的画法——平面体(上)(下)
      • 3.4.3 斜二轴测图的画法
      • 3.4.4 正等轴测图的画法——曲面体
      • 3.4.5 轴测草图的画法
    • 3.5 组合体
      • 3.5.1 组合体的构成
      • 3.5.2 绘制组合体三视图
      • 3.5.3 组合体的尺寸标注
      • 3.5.4 线面分析法读组合体视图
      • 3.5.5 线面分析法读图例题分析
      • 3.5.6 形体分析读组合体视图
      • 3.5.7 形体分析法读图例题分析
    • 3.6 机件的表达方法
      • 3.6.1 视图
      • 3.6.2 剖视图的概述
      • 3.6.3 剖视图的种类
      • 3.6.4 剖切面的种类
      • 3.6.5 断面图
      • 3.6.6 其他表达方法
    • 3.7 标准件和常用件
      • 3.7.1 螺纹的规定画法
      • 3.7.2 螺纹紧固件的画法
      • 3.7.3 螺纹的标注
      • 3.7.4 螺纹紧固件连接的规定画法
      • 3.7.5 键与销的链接
      • 3.7.6 齿轮
    • 3.8 零件图
      • 3.8.1 零件图的概述
      • 3.8.2 零件图的尺寸标注
      • 3.8.3 零件的常见工艺结构
      • 3.8.4 零件的技术要求简介(1表面粗糙度)
      • 3.8.5 零件的技术要求简介(2极限与配合、几何公差)
      • 3.8.6 读零件图和画零件图
    • 3.9 装配图
      • 3.9.1 装配图的概述
      • 3.9.2 装配图的标注、技术要求及装配结构合理性
      • 3.9.3 画装配图和读装配图
    • 3.10 CAD制图
      • 3.10.1 1.基本知识
      • 3.10.2 2.操作环境
      • 3.10.3 3 .基本命令
      • 3.10.4 4.如何绘制绘图环境
      • 3.10.5 5.坐标系的介绍
      • 3.10.6 6.如何创建图形对象(直线、多段线)
      • 3.10.7 7.8.如何创建图形对象(正多边形、矩形、圆)
      • 3.10.8 9.如何创建图形对象(圆弧)
      • 3.10.9 10.如何创建图形对象(圆弧) (2)
      • 3.10.10 11.基本绘图命令(云线、样条曲线、椭圆、椭圆弧) (1) (2)
      • 3.10.11 12.基本绘图命令(块)
      • 3.10.12 13-基本绘图命令(3)
      • 3.10.13 14-基本绘图命令(4)
      • 3.10.14 15-查询命令
      • 3.10.15 16-对象捕捉,追踪命令
      • 3.10.16 17.基本操作
      • 3.10.17 18.基本命令
      • 3.10.18 19基本操作
      • 3.10.19 20.基本操作
      • 3.10.20 21.基本命令
      • 3.10.21 22.基本操作(修剪,对齐)
      • 3.10.22 23.基本操作
      • 3.10.23 24.基本操作(打断,倒角)
      • 3.10.24 25.基本操作
      • 3.10.25 26.27.如何快速准确的绘制图形
      • 3.10.26 28.如何查询对象
      • 3.10.27 29.30块的使用
      • 3.10.28 31对象特性及图层
      • 3.10.29 32.对象特性及图层
      • 3.10.30 33-如何进行标注(1)
      • 3.10.31 34-如何进行标注(2)
    • 3.11 测绘
      • 3.11.1 齿轮油泵装配注意事项讲解
      • 3.11.2 -部件测绘的目的和要求
      • 3.11.3 绘制零件草图的步骤
      • 3.11.4 零件尺寸的测量
      • 3.11.5 根据零件图绘制装配图
      • 3.11.6 根据零件草图绘制零件工作图
      • 3.11.7 依托Edrawing软件的零件测绘方法
      • 3.11.8 Edrawing基本操作讲解
      • 3.11.9 Edrawing安装视频
      • 3.11.10 利用CAD绘制齿轮油泵装配图
      • 3.11.11 未修剪版CAD绘制齿轮油泵装配
  • 4 工程图学及计算机绘图习题集
    • 4.1 第三章
    • 4.2 第四章
    • 4.3 第五章
    • 4.4 第六章
    • 4.5 第七章
    • 4.6 第八章
    • 4.7 第九章
    • 4.8 第十章
    • 4.9 第十一章
    • 4.10 第十二章
    • 4.11 其他视频
    • 4.12 新建目录
  • 5 草绘二维图形
    • 5.1 草绘简单二维图形
    • 5.2 草绘较复杂二维图形
  • 6 典型零件建模
    • 6.1 盘盖类零件建模
    • 6.2 轴类零件建模
    • 6.3 叉架类零件建模
    • 6.4 箱体类零件建模
    • 6.5 单曲面零件建模
    • 6.6 多曲面零件建模
    • 6.7 零件综合建模训练
  • 7 组件装配与简单分析
    • 7.1 简单装配体的组装
    • 7.2 简单装配体的运动仿真
    • 7.3 装配图的分解图与动画
  • 8 零件图的生成与编辑
    • 8.1 简单零件图的生成
    • 8.2 注释视图的生成
  • 9 典型零件的自动编程加工
    • 9.1 轴类零件车削自动编程加工
    • 9.2 二维图形铣削自动编程加工
    • 9.3 三维模型铣削自动编程加工
  • 10 CAD/CAM综合训练
    • 10.1 任务1 千斤顶综合训练
    • 10.2 任务2 钻孔模综合训练
    • 10.3 任务3 截止阀综合训练
    • 10.4 任务4 回油阀综合训练
    • 10.5 任务5 机用虎钳综合训练
    • 10.6 任务6 安全阀综合训练
    • 10.7 任务7 斜滑动轴承综合训练
    • 10.8 任务8 夹紧卡爪综合训练
    • 10.9 任务9 正滑动轴承综合训练
    • 10.10 任务10 齿轮泵综合训练
    • 10.11 任务11 减速器综合训练
    • 10.12 任务12 轿车仿形
  • 11 仿形
    • 11.1 1
    • 11.2 2
    • 11.3 3
    • 11.4 4
    • 11.5 5 渐消面
    • 11.6 6 耳温计
    • 11.7 7 手术刀
  • 12 零部件测绘与CAD成图技术
    • 12.1 机械测绘技术
      • 12.1.1 零部件测绘简介
        • 12.1.1.1 零部件测绘前准备
        • 12.1.1.2 油泵技术文件
      • 12.1.2 绘制零件草图
        • 12.1.2.1 标准间不需要画零件图
        • 12.1.2.2 测绘工具及测绘方法
        • 12.1.2.3 直齿轮测绘方法
        • 12.1.2.4 小齿轮油泵零件图绘制
        • 12.1.2.5 简单零件结构设计方法及画法
      • 12.1.3 根据零件草图拼画装配图
        • 12.1.3.1 油泵的表达方案,装配图内容及样图
        • 12.1.3.2 绘图过程
      • 12.1.4 阅读装配图并拆画零件图
        • 12.1.4.1 读装配图的方法
        • 12.1.4.2 拆画零件图的方法
        • 12.1.4.3 拆画零件图举例
        • 12.1.4.4 齿轮泵零件图举例
    • 12.2 中望常用命令
      • 12.2.1 中望网络学习资料汇总
      • 12.2.2 1、基本操作
      • 12.2.3 2、二位图形绘制
      • 12.2.4 3、图形修改
      • 12.2.5 4、块
      • 12.2.6 5、文字
      • 12.2.7 6、尺寸标注
      • 12.2.8 7、工具
      • 12.2.9 8、图形输出
    • 12.3 机械CAD常用命令
      • 12.3.1 1、图幅和标题栏
      • 12.3.2 2、图层切换
      • 12.3.3 3、绘图工具
      • 12.3.4 4、构造工具
      • 12.3.5 5、机械设计
      • 12.3.6 6、零件库
      • 12.3.7 7、尺寸标注
      • 12.3.8 8、符号标注
      • 12.3.9 9、创建视图
      • 12.3.10 10、文字处理
      • 12.3.11 11、序号和明细表
      • 12.3.12 12、报表工具
  • 13 中望3D
    • 13.1 中望3D教学基础视频
      • 13.1.1 01-第一课 中望3D-界面环境
      • 13.1.2 02-第二课  中望3D-草图设计
      • 13.1.3 03-第三课 中望3D-实体造型
      • 13.1.4 04-第四课 中望3D-造型实例
      • 13.1.5 05-第五课 中望3D-线框曲线
      • 13.1.6 06-第六课 中望3D-曲面工具
      • 13.1.7 07-第七课 中望3D-小水瓶曲面实例
      • 13.1.8 08-第八课 中望3D-直接编辑
      • 13.1.9 09-第九课 中望3D-钣金设计
      • 13.1.10 10-第十课  中望3D-数据交互与修复
      • 13.1.11 11-第十一课 中望3D-测量查询
      • 13.1.12 12-第十二课 中望3D-装配系列1
      • 13.1.13 13-第十三课 中望3D-装配系列2
      • 13.1.14 14-第十四课 中望3D-工程图系列1
      • 13.1.15 15-第十五课 中望3D-工程图系列2
      • 13.1.16 16-第十六课 中望3D-焊件
      • 13.1.17 17-第十七课 中望3D-PMI
      • 13.1.18 18-第十八课 中望3D-FTI
      • 13.1.19 19-第十九课 中望3D-分模
      • 13.1.20 20-第二十课 中望3D-模架
      • 13.1.21 21-第二十一课 中望3D-电极
      • 13.1.22 22-第二十二课加工系统和车削
      • 13.1.23 23-第二十三课二轴铣削教程
      • 13.1.24 24-第二十四课 中望3D-三轴加工
      • 13.1.25 25-第二十五课 中望3D-五轴加工
    • 13.2 中望3D进阶
      • 13.2.1 第01章-中望3D基础操作
        • 13.2.1.1 第1.1节-学习途径
        • 13.2.1.2 第1.2节-基本操作
        • 13.2.1.3 第1.3节-自定义设置
        • 13.2.1.4 第1.4节-图层管理
        • 13.2.1.5 第1.5节-多对象和单对象文件
        • 13.2.1.6 第1.6节-SHX字体转换
        • 13.2.1.7 第1.7节-服务器心跳机制设置
      • 13.2.2 第02章-实体零件设计
        • 13.2.2.1 第2.1节-机械零件2D转3D
        • 13.2.2.2 第2.2节-轴承座设计
        • 13.2.2.3 第2.3节-曲轴设计
        • 13.2.2.4 第2.4节-传动轴设计
        • 13.2.2.5 第2.5节-截止阀设计
        • 13.2.2.6 第2.6节-汽车塑胶导管设计
        • 13.2.2.7 第2.7节-精密锁紧螺母配置建模
        • 13.2.2.8 第2.8节-参数化齿轮设计
      • 13.2.3 第03章-钣金零件设计
        • 13.2.3.1 第3.1节-钣金玩具飞机设计
        • 13.2.3.2 第3.2节-小货车钣金零件设计
        • 13.2.3.3 第3.3节-电源外壳设计
        • 13.2.3.4 第3.4节-六格快餐盘设计
      • 13.2.4 第04章-曲面零件设计
        • 13.2.4.1 第4.1节-S形金戒指设计和渲染
        • 13.2.4.2 第4.2节-黄金闭口指环设计和渲染
        • 13.2.4.3 第4.3节-花瓶设计和渲染
        • 13.2.4.4 第4.4节-足球设计
        • 13.2.4.5 第4.5节-曲面把手设计教程
      • 13.2.5 第05章-装配
        • 13.2.5.1 第5.1节-连杆机构装配和动画制作
        • 13.2.5.2 第5.2节-减震器装配
        • 13.2.5.3 第5.3节-3Dsource标准件装配设计
      • 13.2.6 第06章-工程图
        • 13.2.6.1 第6.1节-轴承座底座零件工程图
        • 13.2.6.2 第6.2节-工程图草图应用之绘制虚拟部件
        • 13.2.6.3 第6.3节-自定义BOM
        • 13.2.6.4 第6.4节-自定义工程图模板
        • 13.2.6.5 第6.5节-自定义特殊符号库
        • 13.2.6.6 图号自动分离演示
      • 13.2.7 第07章-产品设计
        • 13.2.7.1 第7.1节-办公椅自顶向下设计
        • 13.2.7.2 第7.2节-钻石对戒设计
        • 13.2.7.3 第7.3节-阀自下而上设计和渲染
        • 13.2.7.4 第7.4节-接插件设计
        • 13.2.7.5 第7.5节-电机设计
        • 13.2.7.6 第7.6节-汽车刹车盘设计
        • 13.2.7.7 第7.7节-手表设计
      • 13.2.8 第08章-专用模块
        • 13.2.8.1 第8.1节-钢结构
        • 13.2.8.2 第8.2节-PMI
        • 13.2.8.3 第8.3节-FTI
        • 13.2.8.4 第8.4节-KeyShot
        • 13.2.8.5 第8.5节-SimWise
      • 13.2.9 第09章-塑胶模具设计
        • 13.2.9.1 第9.1节-汽车塑料零件模具设计
        • 13.2.9.2 第9.2节-手持电锯上盖模具设计
        • 13.2.9.3 第9.3节-干衣机零件模具电极设计
      • 13.2.10 第10章-冲压模具设计
        • 13.2.10.1 第10.1节-小货车钣金零件级进冲压模料带设计
      • 13.2.11 第11章-数控加工编程
        • 13.2.11.1 第11.1节-手柄车削加工
        • 13.2.11.2 第11.2节-干衣机零件模具开粗编程
        • 13.2.11.3 第11.3节-铸件精加工
        • 13.2.11.4 第11.4节-2-3轴加工
        • 13.2.11.5 第11.5节-4轴分度加工
        • 13.2.11.6 第11.6节-叶轮5轴加工
      • 13.2.12 ZW3D API 二次开发资料
  • 14 catics—3D
    • 14.1 3D01
    • 14.2 3D02
    • 14.3 3D03
    • 14.4 3D04
    • 14.5 3D05
    • 14.6 3D06
    • 14.7 3D07
    • 14.8 3D08
    • 14.9 3D09
    • 14.10 3D10
    • 14.11 3D11
    • 14.12 3D12
    • 14.13 3D13
    • 14.14 3D14
    • 14.15 3D15
    • 14.16 3D16
    • 14.17 3D17
    • 14.18 3D18
    • 14.19 3D19
    • 14.20 3D20
  • 15 catics—2D
    • 15.1 2D01
    • 15.2 2D02
    • 15.3 2D03
    • 15.4 2D04
    • 15.5 2D05
    • 15.6 2D06
    • 15.7 2D07
    • 15.8 2D08
    • 15.9 2D09
    • 15.10 2D10
    • 15.11 2D11
    • 15.12 2D12
    • 15.13 2D13
  • 16 计算机一级b
    • 16.1 软件安装
    • 16.2 基本操作真题讲解
    • 16.3 Word真题讲解
    • 16.4 Excel真题讲解
    • 16.5 PPT真题讲解
    • 16.6 上网题真题讲解
  • 17 Fusion360
    • 17.1 Fusion 360六大功能模块展示
    • 17.2 Fusion360技能1:草图之结束草图
    • 17.3 Fusion360技能2:草图之选项板
    • 17.4 Fusion360技能3:草图之排除回路问题
    • 17.5 Fusion360技能4:草图之推断约束和抑制约束创建
    • 17.6 Fusion360技能5:草图之三维相交曲线
    • 17.7 Fusion360技能6:草图之快速结束直线和拖拽产生圆弧
    • 17.8 Fusion360技能7:草图之三维草图
    • 17.9 Fusion360技能8:草图之简单草图优于复杂草图
    • 17.10 Fusion360技能10:草图之修改标注类型
    • 17.11 Fusion360技能11:草图之在尺寸之间建立关系
    • 17.12 Fusion360技能12:草图之中点选择
    • 17.13 Fusion360技能13:草图之单击并拖动去修剪
    • 17.14 Fusion360技能14:草图之导入数据创建样条曲线
    • 17.15 Fusion360技能15:草图之点合并和重合点约束
    • 17.16 Fusion360技能16:安装Fusion360并注册账号
    • 17.17 Fusion360技能17:Fusion360 #1规则
    • 17.18 Fusion360技能18:参数化建模和直接建模的区别
    • 17.19 Fusion360技能19:实体和零部件
    • 17.20 Fusion360技能20:新建零部件
    • 17.21 Fusion360技能21:命令快捷键和最有用的S键
    • 17.22 Fusion360技能22:双击进行链选和ESC退出并单击鼠标左键
    • 17.23 Fusion360技能23:选择其他及父项
    • 17.24 Fusion360技能24:文件历史版本
    • 17.25 Fusion360技能25:使用Fusion 360中的网格建模功能轻松导入和编辑网格数据
    • 17.26 Fusion360技能26:如何在Fusion 360中将网格转换为实体或曲面体
    • 17.27 Fusion360技能27:高效利用窗口选择(框选)
    • 17.28 Fusion360技能28:重要的首选项
    • 17.29 Fusion360技能29:三月发布版新功能之一服务实用程序
    • 17.30 Fusion360技能30:三月发布版新功能之二设计建议
    • 17.31 Fusion360技能31:Fusion Team/Fusion 团队
    • 17.32 Fusion360技能32:Fusion AnyCAD技术
    • 17.33 Fusion360技能33:Fusion 360应用商店
    • 17.34 Fusion360技能34:三月份发布版新功能之三工程图孔表
    • 17.35 Fusion360技能35:设置视图方向
    • 17.36 Fusion360技能36:全部缩放到屏幕
    • 17.37 Fusion360技能37:重复上一个命令
    • 17.38 Fusion360技能38:Ctrl/⌘+选择
    • 17.39 Fusion360技能39:导出或导入的DWG或DXF文件大小不正确(比例会大/小10倍)
    • 17.40 Fusion360技能40:更改材质纹理方向
    • 17.41 Fusion360技能41:螺栓螺母联接约束
    • 17.42 Fusion360技能42:把草图从一个零部件移动到另一个零部件
    • 17.43 Fusion360技能43:数据离线缓存
    • 17.44 Fusion360技能44:数据面板的面包屑功能
    • 17.45 Fusion360技能45:Ctrl/⌘+Shift+S保存恢复文件
    • 17.46 Fusion360技能46:时间轴线表示的建模历史
    • 17.47 Fusion360技能47:装配操作也是时间轴特征
    • 17.48 Fusion360技能48:零部件位置和捕获位置
    • 17.49 Fusion360技能49:组织好您的时间轴线 – 特征命名
    • 17.50 Fusion360技能50:组织好您的时间轴线 – 操作分组
    • 17.51 Fusion360技能51:认识编辑设计时的错误和警告
    • 17.52 Fusion360技能52:建立更稳定的关联关系
    • 17.53 Fusion360技能53:什么会导致引用失败
    • 17.54 Fusion360技能54:投影截面相交线
    • 17.55 Fusion360技能55:修复断开关联的草图投影
    • 17.56 Fusio360技能56:匹配现有圆角半径
    • 17.57 Fusion360技能57:编辑零部件-是否必须始终激活它们?
    • 17.58 Fusion360技能58:利用最大轮廓创建分模线和分模面
    • 17.59 Fusion360技能59:访问本地数据
    • 17.60 Fusion360技能60:轻松了解您的Fusion 360旅程
    • 17.61 Fusion360技能61:在投影视图中创建打断视图
    • 17.62 Fusion360技能62:重定义草图平面会翻转或镜像草图
    • 17.63 Fusion360技能63:从画布编辑
    • 17.64 Fusion360技能64:粘贴为新组件(深层粘贴
    • 17.65 Fusion360技能65:材料和外观收藏库
    • 17.66 Fusion360技能66:拉伸中的对象选项
    • 17.67 Fusion360技能67:逆向工程中创建网格剖面
    • 17.68 Fusion360技能68:将网格剖面拟合成草图曲线
    • 17.69 Fusion360技能69:Fusion使用CPU的多核么?
    • 17.70 Fusion360技能70:如何进行数据分享
    • 17.71 Fusion360技能71:如何操作和拆分明细表
    • 17.72 Fusion360技能72:在电子电路版图中玩转贪吃蛇
    • 17.73 Fusion360技能73:怎样使用Fusion 360的脱机/离线模式
    • 17.74 Fusion360技能74:如何创建或添加自定义材质
    • 17.75 Fusion360技能75:如何定制您的Fusion 360背景色?
    • 17.76 Fusion360技能76:McMaster-Carr 标准零部件在线商店
    • 17.77 Fusion360技能77:零部件着色
    • 17.78 Fusion360技能78:联接中的“硬币”
    • 17.79 Fusion360技能79:骨架设计法(一张草图,多个实体)
    • 17.80 Fusion360技能80:T-Spline/自由建模的典型工作流程
    • 17.81 Fusion360技能81:强大的衍生功能
    • 17.82 Fusion360技能82:自由与受约束的动态观察
    • 17.83 Fusion360技能83:解决联接中的运动链接问题
    • 17.84 Fusion360技能84:创建滚轮和轨道之间的滑动联接
    • 17.85 Fusion360技能85:装配中一共有多少零部件
    • 17.86 Fusion360技能86:将电子设计从TinkerCAD发送到Fusion 360
    • 17.87 Fusion360技能87:在两个面之间(中间面)创建联接
    • 17.88 Fusion360技能88:无法将网格体转换为实体
    • 17.89 Fusion360技能89:利用装配位置进行合并剪切
    • 17.90 Fusion360技能90:浅谈装配结构
    • 17.91 Fusion360技能91:让初学者入门电学的基本术语
    • 17.92 Fusion360技能92:工业设计师应该学习基本的PCB设计吗?
    • 17.93 Fusion360技能93:导入 IGES文件
    • 17.94 Fusion360技能94:通过Autodesk 360或Fusion Team上传数据
    • 17.95 Fusion360技能95:独立和链接组件(外部参照)
    • 17.96 Fusion360技能96:什么时候需要链接组件
    • 17.97 Fusion360技能97:关于链接组件的一些限制
    • 17.98 Fusion360技能98:轻量化配置
    • 17.99 Fusion360技能99:画布渲染时锁定视图
    • 17.100 Fusion360技能100:如何输出高质量的渲染动画
    • 17.101 Fusion360技能101:捕获设计历史
    • 17.102 Fusion360技能102:拉伸到实体
    • 17.103 Fusion360技能103:活用偏移面
    • 17.104 Fusion360技能104:利用删除面来修复模型
    • 17.105 Fusion360技能105:应用破坏性修复
    • 17.106 Fusion360技能106:命名草图节点
    • 17.107 Fusion360技能107:用Alt 去为自由造型添加边组
    • 17.108 Fusion360技能108:Alt + Ctrl 增加锐化边
    • 17.109 Fusion360技能109:Shift+Up以增加造型选择
    • 17.110 Fusion360技能110:按住Shift 后双击相邻面以选择一个回路面组
    • 17.111 Fusion360技能111:Alt+ 切换自由造型的显示模式
    • 17.112 Fusion360技能112:模型均匀分布
    • 17.113 Fusion360技能113:比较和编辑默认值
    • 17.114 Fusion360技能114:为工件坐标系原点选择点
    • 17.115 Fusion360技能115:如何将三维模型的投影转换为二维DXF图形
    • 17.116 Fusion360技能116:设置单线体文本字体
    • 17.117 Fusion360技能117:在第一个零部件的原点上建立刚性联结
    • 17.118 Fusion360技能118:参考不同项目的文件
    • 17.119 Fusion360技能119:重置为默认布局
    • 17.120 Fusion360技能120:鼠标平移、缩放和动态观察首选项
    • 17.121 Fusion360技能121:快速后退到上次使用项目
    • 17.122 Fusion360技能122:如何测量从曲线原点沿该曲线(路径)的距离
    • 17.123 Fusion360技能123:云存储库/Fusion 团队
    • 17.124 Fusion360技能124:放置时自由移动
    • 17.125 Fusion360技能125:锁定联接选择
    • 17.126 Fusion360技能126:锁定联接
    • 17.127 Fusion360技能127:如何导出二维工程图为本地文件
    • 17.128 Fusion360技能128:了解部件模型的浏览树结构
    • 17.129 Fusion360技能129:使用构造几何图形简化截面轮廓
    • 17.130 Fusion360技能130:如何查找草图轮廓中的“泄漏点”
    • 17.131 Fusion360技能131:草图图元的颜色释义
    • 17.132 Fusion360技能132:草图网格捕捉
    • 17.133 Fusion360技能133:如何在项目之间移动设计
    • 17.134 Fusion360技能134:如何缝合和验证实体
    • 17.135 Fusion360技能135:不必需的草图修剪
    • 17.136 Fusion360技能136:灵活应用放样来创建奔驰车标
    • 17.137 Fusion360技能137:巧构虚拟的用户坐标系(UCS)
    • 17.138 Fusion360技能138:草图图标上的小锁标记是什么?
    • 17.139 Fusion360技能139:如何获取更新和检查更新
    • 17.140 Fusion360技能140:OBJ网格模型渲染出错的解决办法
    • 17.141 Fusion360技能141:在不同设计之间链接草图(衍生)
    • 17.142 Fusion360技能142:如何查找恢复文件
    • 17.143 Fusion360技能143:怎样在Fusion 360中添加字体
    • 17.144 Fusion360技能144:利用钣金来辅助创建弯曲模型
    • 17.145 Fusion360技能145:Windows上双图形显卡故障排除
    • 17.146 90分钟学会Fusion360系列之一:认识Fusion 360界面
    • 17.147 90分钟学会Fusion360系列之二:创建新的项目和设计
    • 17.148 90分钟学会Fusion 360系列之三:导航和显示设置
    • 17.149 Fusion360技能146:用拉伸来创建风扇叶片模型
    • 17.150 90分钟学会Fusion 360系列之四: 组件和装配结构
    • 17.151 90分钟学会Fusion 360系列之五:创建二维草图
    • 17.152 90分钟学会Fusion 360系列之六:创建三维实体
    • 17.153 90分钟学会Fusion 360系列之七:修改现有三维实体
    • 17.154 90分钟学会Fusion 360系列之八:用联接装配零部件
    • 17.155 90分钟学会Fusion 360系列之九:渲染Fusion 360的设计
    • 17.156 90分钟学会Fusion 360系列之十:导出用于3D打印的文件
    • 17.157 90分钟学会Fusion 360系列之十一:共享Fusion 360设计
    • 17.158 视频分享3:单击并拖动–自动垂直和相切
    • 17.159 视频分享4:在Fusion 360中用三种方法来3D打印螺纹
  • 18 crowncad
  • 19 省赛理论题库
    • 19.1 2024
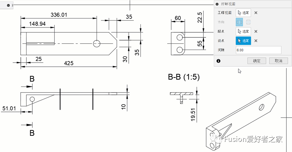
Fusion360技能61:在投影视图中创建打断视图

在Fusion 360工程图环境中,不仅可以从基础视图创建打断视图,还可以从3D模型的任何投影视图中创建一个打断视图,然后将断开应用于所有的相关视图中。下图是从投影视图中创建打断视图:


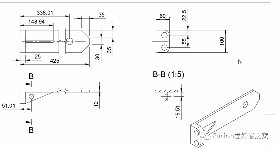
打断视图创建完成后,主视图中也显示了打断的效果。