-
1 导读
-
2 教学视频
-
3 知识小测
轮系的类型及功用

教学目标:
认识齿轮系类型
认识齿轮系在工程上的应用

2.轮系传动的类型
在实际机械中,为了获得大传动比或变速、变向,一对齿轮传动往往不能满足工作要求,而是需要用若干对齿轮组成传动机构。比如汽车中的变速器,差动器等。这种由一系列齿轮组成的传动系统,称为轮系。可见,由一对齿轮组成的机构是齿轮传动的最简单形式。
根据轮系运转时各齿轮的几何轴线位置相对于机架是否固定,轮系可分为定轴轮系、周转轮系和混合轮系。各类轮系均可以由各种类型的齿轮(圆柱齿轮、圆锥齿轮、蜗轮蜗杆等)组成。下面就几种常见的轮系说明其特点。
(1)定轴轮系
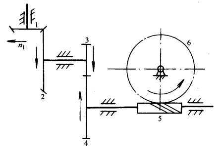
如图6-4所示,当轮系运动时,如果各齿轮几何轴线的位置是固定不变的,则称为定轴轮系。定轴轮系按各齿轮的轴线关系又可分为平面定轴轮系和空间定轴轮系两种。其中,平面定轴轮系是由轴线互相平行的圆柱齿轮组成的,如图6-4;空间定轴轮系是包含有相交轴齿轮传动或交错轴齿轮传动等在内的定轴轮系,如图5-5所示。

图6-4 平面定轴轮系

图6-5 空间定轴轮系
(2)周转轮系
如图6-6 所示的轮系中,齿轮2除能绕自身的几何轴线O2转动(自转)外,还能绕固定轴线OH转动(公转)。这种至少有一个齿轮的几何轴线是绕另一个齿轮的几何轴线转动的轮系称为周转轮系。
图中齿轮2既有自转又有公转,如同太阳系的行星一样,故称为行星轮。图中的齿轮1的几何轴线位置固定,又和行星齿轮啮合,因此,称为太阳轮。支持行星轮的回转构件H,称为行星架。行星架与太阳轮的几何轴线必须重合。行星轮、行星架、太阳轮是组成周转轮系的基本构件。
|
图6-6 周转轮系 |
周转轮系又可分为行星轮系和差动轮系。其中,行星轮系是有一个太阳轮固定不动的周转轮系,其自由度等于1。而差动轮系是两个太阳轮都能转动的周转轮系,其自由度等于2。
(3)混合轮系
实际机械中采用的轮系,往往不是由单一的定轴轮系或单一的周转轮系组成,而是既含有定轴轮系,又含有周转轮系。这种由两种轮系复合组成的轮系,称为混合轮系,如图6-7所示。组成混合轮系中的定轴轮系与各个单一的周转轮系,称为组成混合轮系的基本轮系。
|
(a) (b) 图6-7 混合轮系 |
3. 轮系的功用
轮系广泛应用于汽车及其它各种机械中,它的主要功用大致可归纳为以下几个方面。
(1) 可实现相距较远的两轴之间的运动和动力的传递
当两轴间的中心距离较大时,采用轮系传动比采用一对齿轮传动可缩小传动装置所占空间,节省材料,减轻质量,制造安装方便,结构紧凑,如图6-8所示。但有时也因此增加了传动件,使成本有所增加。
|
(a) (b) 图6--8利用轮系传递相距较远的两轴之间运动和动力 |
(2) 可实现变速和换向
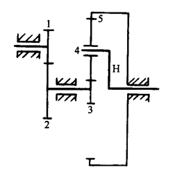
主动轴不变时,利用轮系可使从动轴获得多种工作转速或转向。如图6-9所示为汽车齿轮变速机构。图中轴I为动力输入轴,轴Ⅳ为输出轴,4、6为滑移齿轮,A-B为牙嵌式离合器。该变速箱可使输出轴得到四档转速:
第一档(低速档) 齿轮5、6相啮合,而齿轮3、4和离合器A、B均脱离,即1(Ⅰ)-2(Ⅱ)-5-6(Ⅳ);
第二档(中速档) 齿轮3、4相啮合,而齿轮5、6和离合器A、B均脱离,即1(Ⅰ)-2(Ⅱ)-3-4(Ⅳ);
第三档(高速档) 离合器A、B相嵌,而齿轮5、6和3、4均脱离,即(Ⅰ)-(Ⅳ);
倒退档 齿轮6、8相啮合,而齿轮3、4和5、6以及离合器A、B均脱离,即1(Ⅰ)-2(Ⅱ)-7-8(Ⅲ)-6(Ⅳ)。此时,由于轮8的作用,使输出轴Ⅳ反转。
|
图6-9 汽车变速机构 |
在轮系中引入惰轮(它同时与主、从动轮啮合,既做主动轮又作从动轮),可方便地实现变向要求。如图6-10所示为三星轮换向机构。齿轮2和齿轮3浮套在三角形构件a的两个轴上,构件a可通过手柄使之绕轮4的轴转动。如果通过手柄转动齿轮2和齿轮3,分别位于如图6-10a和图6-10 b所示位置,不改变主动轮1的转向,就可使从动轮的转向发生改变。图中齿轮2、3就是惰轮。在轮系中增加一对外啮合齿轮或减少一对外啮合齿轮都可改变从动轮的转动方向,汽车倒车就是用这种方法来实现的。

图6-10 三星轮换向机构
(3) 可获取大的传动比
如图6-11所示大传动比减速器,传动比高达1000。
|
图6-11 大传动比减速器 |
(4)可实现分路传动
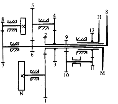
在同一个主动轴带动下,利用轮系可以实现几个从动轴分路输出运动。如图6-12所示的机械式钟表机构。传动关系如下:
![]()
(发条) N—1—2——M(分针)
——9—10—11—12—H(时针)
——3—4—5—6—S(秒针)
|
图6-12 机械式钟表机构 |
(5)可实现运动的分解和合成
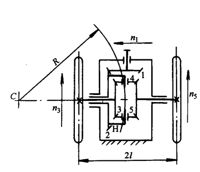
将一根主动轴的转动分解成两根从动轴的转动,或将两根主动轴的转动合成一根从动轴的转动。如图6-13所示为汽车后桥差速器,当汽车转弯时,输入转速n1分解成两车轮的转速n3和n5,n3和n5转速不同,使两车轮转弯时在地面上以不同的转速滚动,避免车轮与地面的滑动摩擦。
同样,利用该差动轮系也可实现运动的合成。如当给定太阳轮1和3的转动,就可以合成输出行星架H的转动。
|
(a) (b) 图6-13汽车后桥差速器 |
定轴轮系
行星轮系
工程应用实例










