目录

  • 实践教学
    • ● 项目一 基本操作
      • ● 基本操作
      • ● 文件管理
      • ● 用户界面
      • ● 多文档窗口
      • ● 使用帮助
    • ● 项目二 基本绘图与编辑
      • ● 讲解视频
      • ● 实践1 删除、修剪
        • ● 实践2 直线、矩形、圆
        • ● 实践3 综合
    • ● 项目三 绘图与编辑
      • ● 实践1 圆弧、构造线
        • ● 实践2 复制、偏移
        • ● 实践3 面域、并集、差集、交集
        • ● 实践4 综合
    • ● 项目四 国旗绘制
      • ● 讲解视频
      • ● 实践1 等分点、正多边形、图案填充
        • ● 实践2 阵列、旋转
        • ● 实践3 综合
    • ● 项目五 图形样板
      • ● 讲解视频
      • ● 实践1 移动、缩放、单行文字
        • ● 实践2 A4-Y样板文件
          • ● 实践3 单位、图形界限
          • ● 实践4 文字样式、图层
          • ● 实践5 图框、标题栏
        • ● 实践6 徽章绘制方法
    • ● 项目六 三视图
      • ● 讲解视频
      • ● 实践1 镜像
        • ● 实践2 创建外部块
        • ● 实践3 插入块
        • ● 实践4 保存A3-X样板文件
        • ● 实践5 创建标注样式
          • ● 实践6 角度、半径、直径子样式
          • ● 实践7 非圆直径样式
        • ● 实践8 综合 主视图
          • ● 实践9 左视图
          • ● 实践10 俯视图
          • ● 实践11 尺寸标注
    • ● 项目七 零件图I
      • ● 讲解视频
      • ● 实践1 样条曲线
        • ● 实践2 倒角
        • ● 实践3 圆角
        • ● 实践4 综合
    • ● 项目八 零件图II
      • ● 讲解视频
      • ● 实践1 绘制表格
        • ● 实践2 粗糙度其余标注
        • ● 实践3 越程槽尺寸标注
        • ● 实践4 尺寸公差标注
        • ● 实践5 形位公差标注
        • ● 实践6 粗糙度图块创建与标注
        • ● 实践7 插入基准代号图块
        • ● 实践8 绘制剖切符号
        • ● 实践9 倒角标注
    • ● 项目九 装配图
      • ● 讲解视频
      • ● 实践1 打断
        • ● 实践2 分数标注
        • ● 实践3 加减号标注
        • ● 实践4 序号标注
        • ● 实践5孔深标注
    • ● 项目十一 工艺流程图
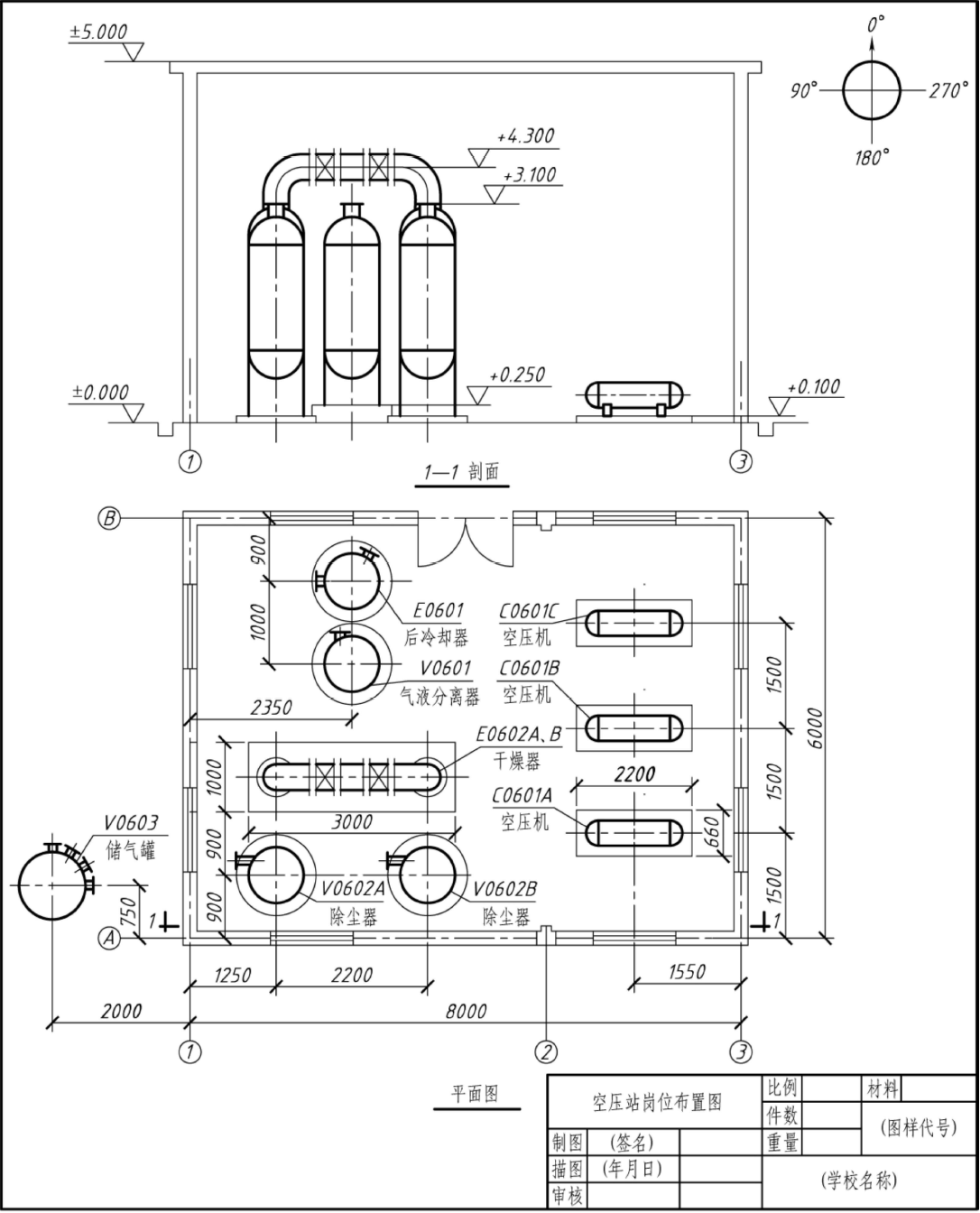
    • ● 项目十二 设备布置图
      • ● 实践1 布局打印
    • ● 项目十三 管道布置图
    • ● 项目十四 三维模型基础
    • ● 项目 布局与打印
  • 理论教学
    • ● 第1章 概述
    • ● 第2章 基本概念与基本操作
    • ● 第3章 绘制基本二维图形
    • ● 第4章 编辑图形
    • ● 第5章 线型、颜色与图层
    • ● 第6章 图形显示控制
    • ● 第7章 绘制与编辑复杂图形
    • ● 第8章 图案填充
    • ● 第9章 文字与表格
    • ● 第10章 尺寸标注
    • ● 第11章 块与属性
  • 理论2
    • ● 绪论
    • ● 制图基础知识
    • ● 点线面投影
    • ● 立体投影
    • ● 组合体视图
    • ● 机件表达方法
    • ● 零件图
    • ● 装配图
项目十二 设备布置图