制作苗木表并统计苗木
上一节
下一节
制作苗木表并统计苗木
一、制作苗木表
■视频:制作苗木表总述
■视频:创建苗木表样式
■视频:绘制苗木表
■课件:制作苗木表
二、统计苗木
■视频:统计上层植物
■视频:统计下层植物
■课件:统计上层植物
■课件:统计下层植物
三、实训:为园林总平面图制作苗木表并统计苗木
在上一任务基础上,为园林设计总平面图制作苗木表并统计苗木数量,具体如图(a)、(b)所示。

(a)

(b)
■实践操作指导书
四、思考与练习
1. 如果想查询一段直线的长度,可以用什么命令来完成?
2. 如果想查询一个矩形和一个圆的面积之和,可以用什么命令来完成?
3. 在插入表格时,插入方式选择“指定插入点”与“指定窗口”有何不同?
4. 插入表格后填写文字时,发现表格中的文字均末居中,如何编辑表格使文字居中排列?
5. 表格制作完成后发现少了一行,该如何处理?
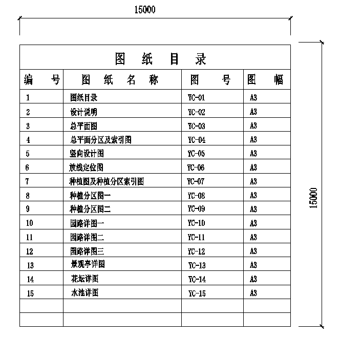
6. 使用AutoCAD的表格功能制作如图2-140所示的图纸目录表。

图2-140 图纸目录表

