绘制园林绿地主体轮廓线
上一节
下一节
绘制园林绿地主体轮廓线
一、绘制园林绿地的外轮廓线与景观轴线
■视频:绘制园林绿地外轮廓线
■视频:绘制园林绿地景观轴线
■课件:绘制园林绿地外轮廓线与景观轴线
二、绘制园路广场的轮廓线
■视频:绘制园路广场轮廓线1--广场
■视频:绘制园路广场轮廓线2--园路
■视频:绘制园路广场轮廓线3--完善广场与园路
■课件:绘制园路广场轮廓线
三、实践操作:绘制园林绿地主体轮廓线
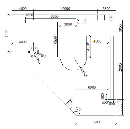
在上一任务基础上,根据图(a)的尺寸绘制完成图(b)园林绿地主体轮廓线。

(a)

(b)
■实践操作指导书
四、思考与练习
1.捕捉与对象捕捉功能有何不同?正交模式有何作用?
2.对象捕捉应在何情况下使用?一次性对象捕捉和对象捕捉模式有何区别,各自优点是什么?
3.极轴追踪有何作用?它与正交有何相似与不同?
4.运用对象追踪功能,在已知边长为150的正方形的中心绘制一个半径为35的圆,如图2-29(a)、(b)所示。

(a) (b)
图2-29 正方形的中心绘制圆形
5.运用所学的CAD命令绘制如图2-30(a)所示休闲广场的轮廓线,具体尺寸见2-30(b)所示。

(a)

(b)
图2-30 绘制休闲广场轮廓线

