目录

  • 1 教学日志(2024.3)
    • 1.1 装备2231
    • 1.2 新建课程目录
    • 1.3 装备2232
    • 1.4 机自本212
  • 2 装备2332班上课实录、
    • 2.1 供料站虚拟调试
    • 2.2 分拣单元虚拟调试
    • 2.3 模拟量组态和编程
    • 2.4 Profinet网络控制
  • 3 课程开篇准备
    • 3.1 课程简介
    • 3.2 考核说明
    • 3.3 学院服务器获取软件方法
    • 3.4 西门子PLM MCD认证考核标准
    • 3.5 西门子PLM MCD认证考证介绍
    • 3.6 NX软件安装视频教程
    • 3.7 TIA和PLCSIM Advanced安装教程
  • 4 项目一、 机电一体化概念设计(MCD)初认识
    • 4.1 认识MCD的功能应用及模块界面
    • 4.2 认识MCD模块导航器和仿真运行的方法
  • 5 项目二、简单的物理现象MCD设计
    • 5.1 任务1、认识刚体
    • 5.2 任务2、认识碰撞体
    • 5.3 任务3、认识传输面
    • 5.4 任务4、认识对象源
    • 5.5 任务5、认识碰撞体及对象收集器
    • 5.6 任务6、认识对象变换器
    • 5.7 任务7、认识碰撞材料及更改材料属性
    • 5.8 项目总任务
  • 6 项目三、机械运动机构的MCD设计
    • 6.1 任务1、认识铰链副
    • 6.2 任务2、认识速度控制和位置控制
    • 6.3 任务3、认识滑动副和固定副
    • 6.4 任务4、认识柱面副
    • 6.5 任务5、认识球副
    • 6.6 任务6、螺旋副
    • 6.7 任务7、平面副
    • 6.8 任务8 齿轮副(齿轮齿条)
    • 6.9 任务9、齿轮副在手爪中的应用
    • 6.10 任务10机械凸轮与运动曲线
  • 7 项目四、电气控制设备的MCD设计
    • 7.1 认识距离传感器
    • 7.2 认识位置和速度传感器
    • 7.3 认识通用传感器
    • 7.4 认识限位开关和继电器
  • 8 项目五、自动化简易机器人打料装置MCD设计
    • 8.1 任务1 认识仿真序列
    • 8.2 任务2、基于时间的仿真序列
    • 8.3 任务3、基于事件的仿真序列(计数)
      • 8.3.1 练习题教程
    • 8.4 任务4、复合仿真序列(吸盘搬运案例)
  • 9 项目六、虚拟调试
    • 9.1 软件在环虚拟调试案例1
    • 9.2 OPC UA
    • 9.3 TCP
    • 9.4 PLCSIM Adv通信方式
    • 9.5 启保停案例(PLCSIM ADV)
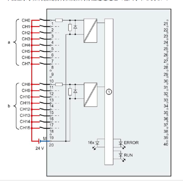
    • 9.6 1500PLC的接线图
    • 9.7 控制面板案例
    • 9.8 变频器
    • 9.9 TCP
    • 9.10 伺服控制
    • 9.11 气动系统
  • 10 项目七、实验
    • 10.1 OPC UA
    • 10.2 任务要求
    • 10.3 TCP
1500PLC的接线图

 实训设备:


数字量 输入:

数字量输出:

模拟量:

接线图片练习: