电工实习A

陈芊羽

目录

  • 1 第一单元
    • 1.1 电工实习介绍及课程安排
  • 2 第二单元:安全用电常识
    • 2.1 安全用电常识
    • 2.2 触电现场急救措施
  • 3 第三单元:电工基本操作工艺
    • 3.1 数字万用表使用
    • 3.2 剥线钳使用
    • 3.3 线头与接线柱的连接
  • 4 第四单元:常用室内配线方式及照明线路安装
    • 4.1 室内配线方式
    • 4.2 照明线路安装
  • 5 第五单元:常用低压电器
    • 5.1 常用低压电器概述
    • 5.2 低压断路器
    • 5.3 熔断器
    • 5.4 按钮开关
    • 5.5 接触器
    • 5.6 热继电器
  • 6 第六单元:按钮连锁正反转电路
    • 6.1 电路原理图
    • 6.2 接线图
    • 6.3 电路分析
  • 7 第七单元:能耗制动电路分析
    • 7.1 能耗制动电路基础知识
    • 7.2 电路原理图
    • 7.3 接线图
    • 7.4 电路分析
    • 7.5 检查方法及注意事项
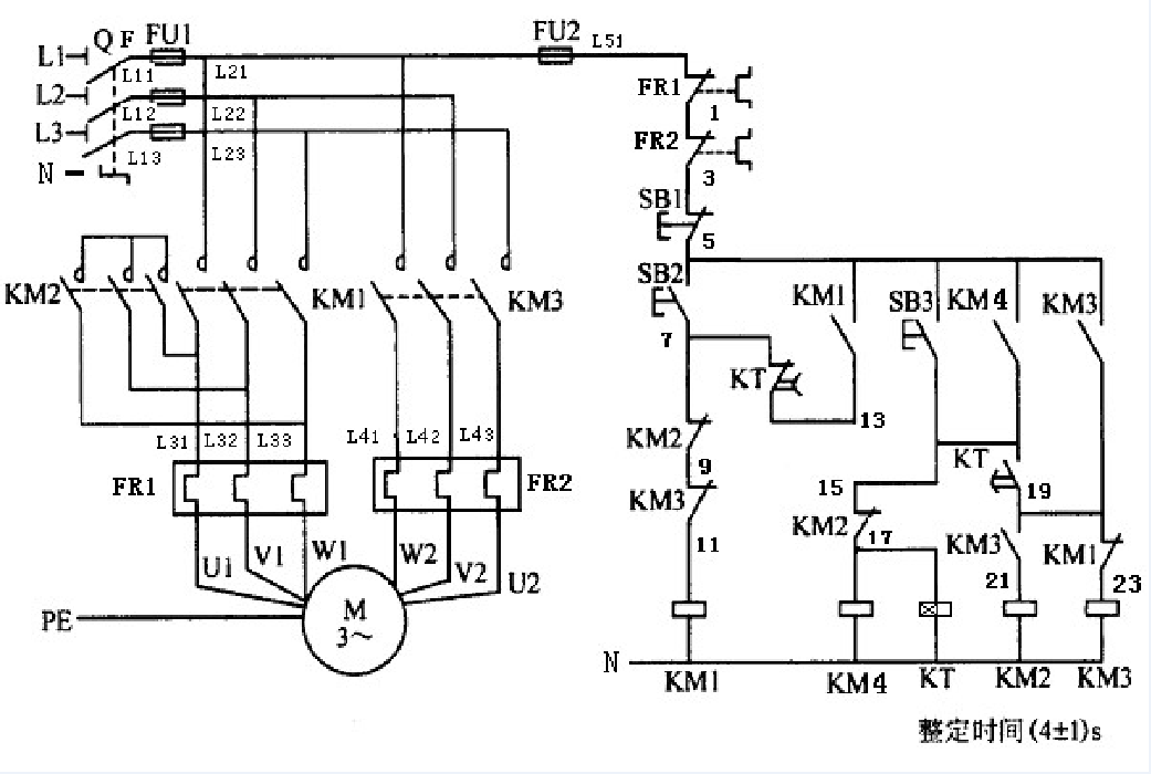
  • 8 第八单元:双速电机电路分析
    • 8.1 电路原理图
  • 9 第九单元:PLC
    • 9.1 PLC基础知识
      • 9.1.1 PLC的基本结构
      • 9.1.2 PLC的输入输出端口
      • 9.1.3 接通延时定时器
      • 9.1.4 断开延时定时器
    • 9.2 7段数码管显示
      • 9.2.1 7段数码管原理
      • 9.2.2 7段数码管电路分析
    • 9.3 基于PLC的电机控制线路
      • 9.3.1 基于PLC的点动和自锁控制线路
      • 9.3.2 基于PLC的电机控制线路设计
      • 9.3.3 设计任务
        • 9.3.3.1 任务一
        • 9.3.3.2 任务二
        • 9.3.3.3 任务三
        • 9.3.3.4 任务四
        • 9.3.3.5 任务五
        • 9.3.3.6 任务六
电路原理图