电路原理图
上一节
下一节
原理图

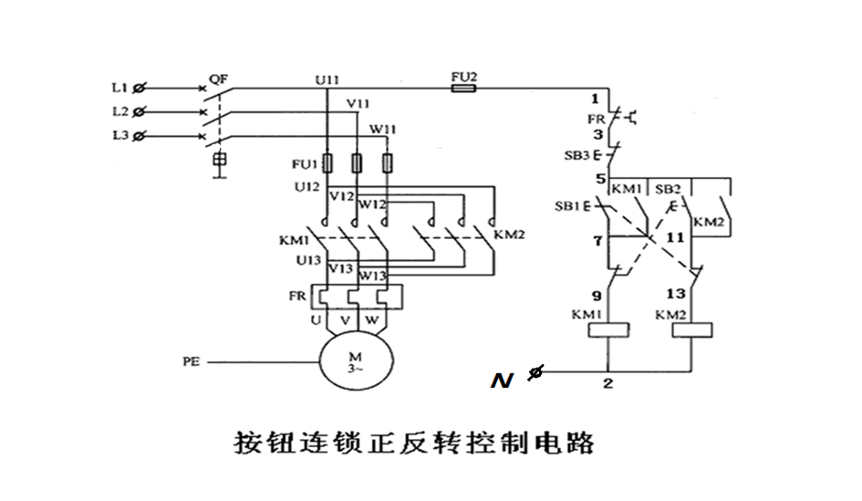
1、电路原理图:是采用国家规定的各种图形符号和文字符号,并按一定工作顺序排列,能详细表示整个电路和设备、器件基本组成和连接关系,而不考虑其实际位置的图。
2、电路原理图是根据电路的工作原理而绘制,能充分表达电器和设备的用途、作用和工作原理,给电路的安装和调试等提供一定的依据。

