部分块电路设计图

01---直流电机测速电路,光电隔离,用了7414可能多余,你认为呢
02---驱动电路,很典型但是用了7402可能多余,直接用IO控制更好

03---频率发生器电路,很好

04---继电器控制电路,很好,D4尤其重要

05---霍尔元件测速电路,输出信号在OUT上,采用专用芯片更好

06--大多数仿真时,采用模拟量就是这样的,注意电压在实际电路中波动

07--这个电路设计的很好,硬件上的单脉冲电路比较精确

08--ULN2003驱动的步进电机电路,注意电流是灌入ULN2003,
09--TLC5615典型电路,实现DA转换,其中单片机发送DIN ,SCLK 最典型编程

10--8255芯片很古老,和单片机配合较差,基本已经淘汰了
但是72LS244 和74LS240驱动芯片用的很多

11. 需要硬件进行串并转换和并串转换的时候用的74LS164, 165
不过软件取代硬件实现转换也是很好的办法

12. PWM电压转换电路用LM358很好,功率放大电路用LM324最好
各位用运放的电路分析:虚短,虚地的方法进行分析

13. 这里有24C02 --eeprom接线图,PCF8563精确时钟接线图
有ZLG7290数码管专用驱动芯片接线图,都是典型的

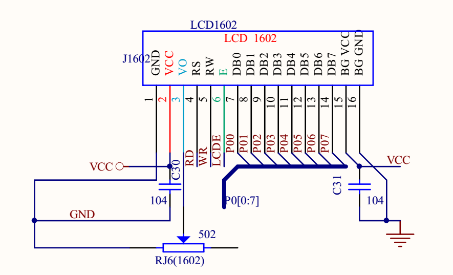
14. 数码管接线图,学生设计时注意几点(1)共阴极,共阳极
(2)限流 (3)驱动

15. 逻辑笔、频率发生器、红外发射和接收


16. 霍尔器件测速

17. 串行DA,MC1403U提供基准电压,数字量从DIN在SCLK脉冲配合下输入 最后的TL072CP是电压跟随器,电压结果输出在OUT

18. 74LS138译码器,典型电路,G2A,GAB,可以接低电平,G1,高电平

19. 93C46 --EEPROM存储器,10K电阻稳定电平,DI信号在SC信号配合下,将输入串行输入,输出数据在DO端, 存储64个16位的数据,这个就是SPI借口。不过比如EEPROM 芯片,如24C08用的比较多

20. 最常用的RS485应用电路

21.蜂鸣器电路,注意用的是PNP三极管,型号是SS8550

22. 高速光耦电路,其中TLP521最常用
23. DS18B20典型电路,其中上拉10K电阻比不可少,数字量从TOUT读出

24. 典型点阵应用电路,行驱动用的74LS240,列驱动用的74论述40,不过这个硬件设计不够优化,用MAX7219专用点阵驱动芯片最好

请下载到你的电脑上进行电路图分析
每个块都是典型电路,经过多次实验证明电路工作稳定,设计良好。
