测验题2020-12-23
一、填空题:
1. 单片机应用系统由( )和( )组成。
2. 单片机最小系统包括( )电路和( )电路。
3. 进行单片机应用系统设计时,除了电源和地线引脚外,( )、()、( )、( )引脚信号必须连接相应电路。
4. AT89S51单片机的存储器主要有4个物理存储空间,即( )、( )、()、( )。
5. AT89S51单片机的XTAL1和XTAL2引脚是()引脚。
6. AT89S51单片机的应用程序一般存放在( )。
7. 片内RAM低128B,其按用途划分为( )、( )、()3个区域。
8. 当晶振频率为12MHz时,一个机器周期为( );当晶振频率为6MHz时,一个机器周期为( ).
9. MCS-51系列单片机的复位电路有两种,即( )和( )。
10. 输入单片机的复位信号需延续( )个机器周期以上的()电平时即为有效,用以完成单片机的复位初始化操作。
11. 使用单片机开发系统调试时,对源程序进行汇编的目的是( )。
12. MCS-51系列单片机的4个并行I/O端口中,具有第二功能的是()。
13. 用C51编程访问MCS-51系列单片机的并行端口时,可以按照( )寻址操作,还可以按( )操作。
14. 一个C源程序至少应包括一个()函数。
15. C51中定义一个可位寻址的变量flag访问P3口的P3.1引脚的方法是( )。
16. C51扩充的数据类型()用来访问MCS-51系列单片机的所有特殊功能寄存器。
17. ( )语句一般用作单一条件或分支数目较少的场合,如果编写超过3个以上分支的程序,可用多分支选择的( )语句。
18. 下面的while循环执行了( )次空语句。
i=3;
while(!i=0);
19. 在单片机的C语言程序设计中,()数据类型经常用于处理ASCII字符或用于处理小于等于255的整型数。
20. C51中的变量存储器类型是指()。
21. 在以下的数组定义中,关键字“code”是为了把数组存储在( )。
unsigned charcode b[ ]={‘A’,’B’,’C’};
22. 一个单片机应用系统用LED数码管显示字符“8”的段码是80H,可以断定该显示系统用的是()或( )。
23. 某一应用系统需要10个按键,通常采用( )方式更好。
24. 按键开关的结构通常是机械结构,为消除抖动引起的不良后果通常采用的方法有
( )和( )。其中()方式更佳。
25. MCS-51系列单片机的中断系统由( )、()、( )、()等寄存器组成。
26. MCS-51系列单片机的中断源有()、( )、( )、( )、()。
27. 如果定时器控制寄存器TCON中的IT0和IT1位为0,则外部中断请求信号方式为()。
28. 中断源中断请求撤销方式包括( )、()、( )等三种。
29. 外部中断0的中断类型号为( )。
30. MCS-51系列单片机的定时器/计数器,若只用软件启动,与外部中断无关,应使()。
31. MCS-51系列单片机的串行口通信方式是()。
32. 表示串行口数据传输速度的指标是( )。
33. 单片机和PC接口时,往往采用()接口。其主要作用是( )。
34. 串行口的控制寄存器为( )。
35. 当采用中断方式进行串行数据的发送时,发送完一帧数据后,TI标志要( )。
36. 当采用定时器1作为串行口波特率发生器使用时,通常定时器工作在方式( )。
37. 当设置串行口工作为方式2时,采用( )语句。
38. 串行口工作在方式1时,其波特率()。
39. 串行口发送数据和接收数据端为( )和( )。
二、编程题
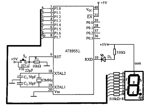
电路如图1所示,编程实现LED循环显示字符:
。

图1 字符显示原理接线图
三、编程题
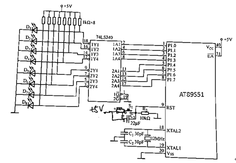
图2中,74LS240为八路反相器。编写程序,使得8个发光二极管按照表1中状态1-4工作。

图2 霓虹灯控制原理接线图
表1 霓虹灯状态表
四、编程题
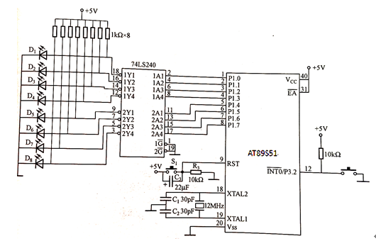
在上述题目基础上,P3.2口增加一个按键,通过按键改变彩灯的显示方式。要求正常情况下8个灯依次点亮,时间间隔为1s。按下按键后,8个灯同时亮灭闪烁2次,时间间隔为0.5s。编写控制程序。

图3 彩灯控制原理接线图
五、编程题
编程实现甲乙两个单片机进行点对点通信。甲机每隔1s发送
字符,乙机接收到以后在其LED数码管(共阳极)上显示出来。
六、分析题
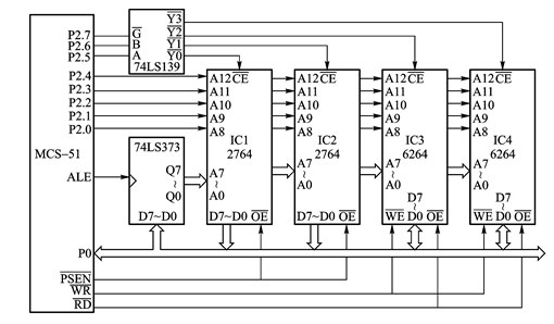
参照图4,填写表2格中空白处状态。并分析4个存储器芯片的地址范围,填入表3中。

图4 单片机与扩展存储器接线图
表2 扩展存储器状态分析表
表3 存储器地址范围


