期末考试情况说明:
一、考试形式
1. 本科考试开卷,时间2小时,满分100分。
允许带入考场:教材、计算器、笔、手写笔记(考虑疫情原因,之前为网课,有同学没有教材做了笔记)
不允许带入考场:其他扫描、复印、打印等各种资料。
2. 题型及分值
第一道:填空题,每空1分,共30分
第二道:简答题,3题,每题10分,共30分
第三道:计算题,1题,共10分
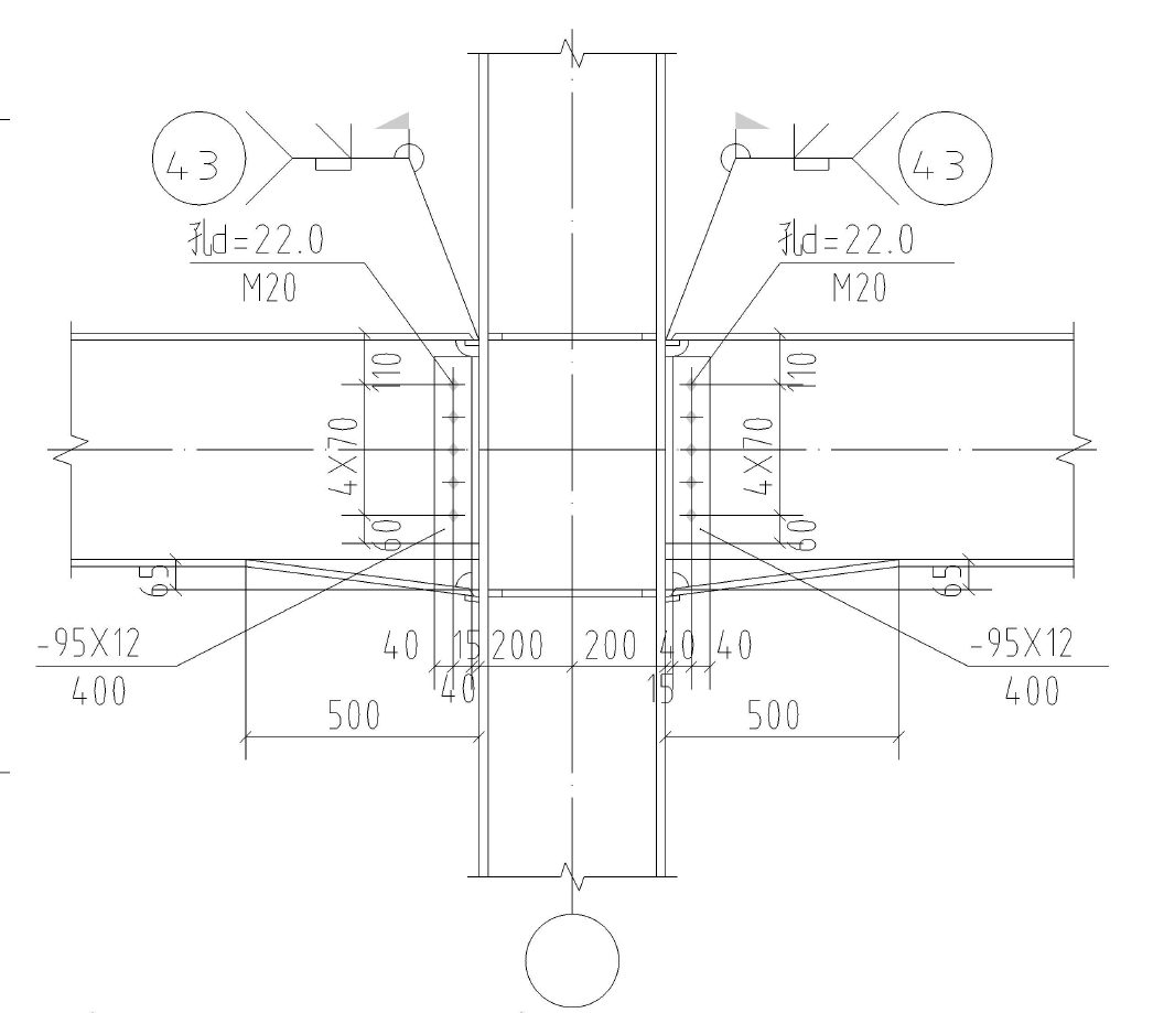
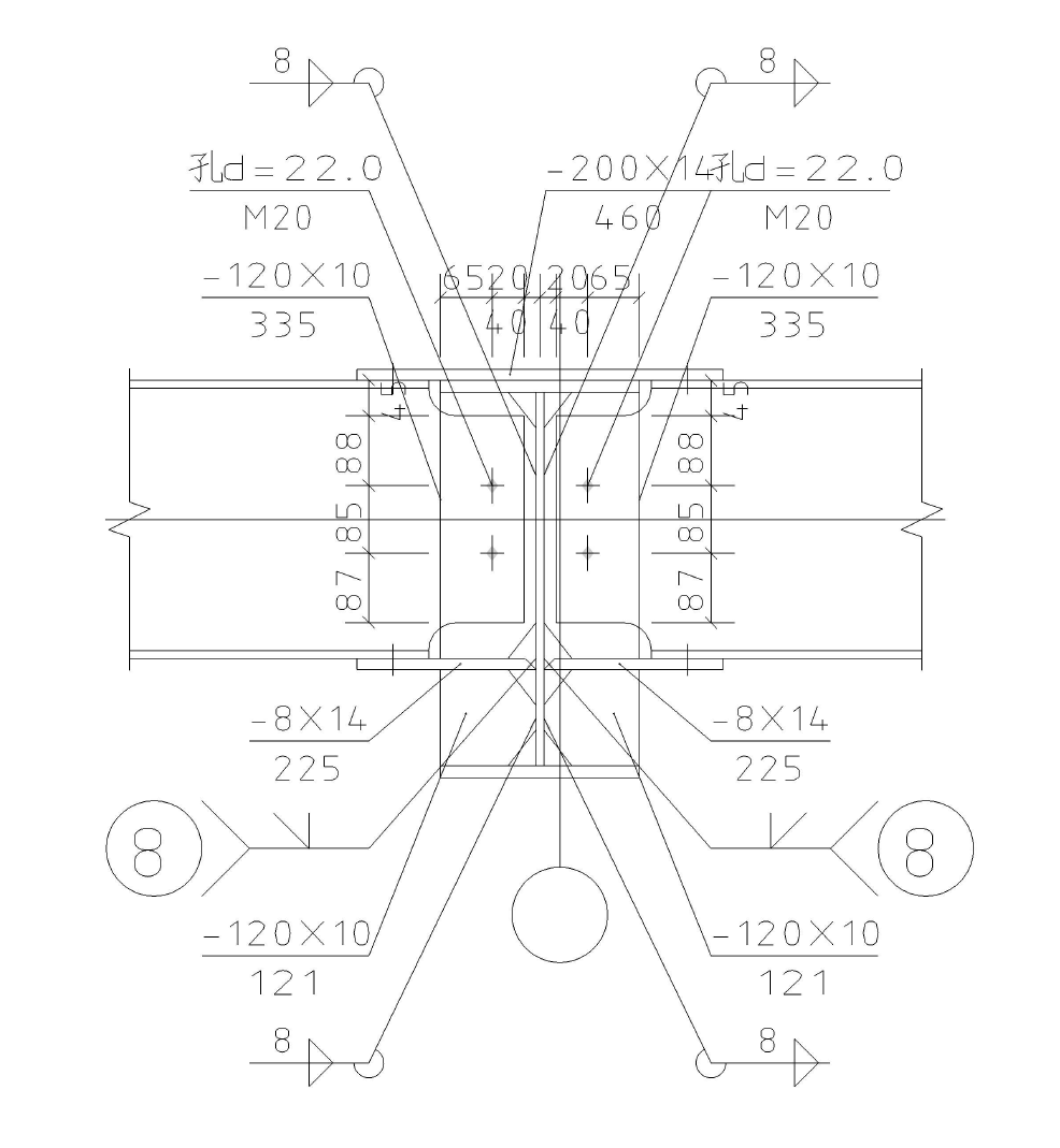
第四道:识图题,3题,每题10分,共30分
二、考试参考范围
1. 填空题
一是已发布的课堂测验中的客观题
二是教材后附带的客观题
2. 简答题
一是教材题目:P5思考题1; P16思考题1、3、9; P45思考题8、12、15; P80思考题1、2、7、9
二是课堂测验中的简答题
3. 计算题
教材相关例题参考:2-2、3、4、5、6、7、8
4. 识图题
教材参考图例:图4-3、4、5、6、7、8、15、16
三、考试题目作答说明
1. 考试卷分为试卷和答题卷,答案要写在答题卷上,并在答题卷上标明自己是A卷还是B卷。
如图所示。

2. 填空题作答时注意:

3. 识图题作答时注意:

作答时:
第1)问,只需要分类列举出来即可,如下:
梁横向肋板,宽x厚x高,块数;
梁上/下翼缘盖板/拼接板。。。
承托水平板/竖向肋板。。。
柱横向肋板。。。
螺栓连接板。。。
锚栓垫板。。。
柱脚底板。。。
第2)问,分类列举,如下:
螺栓或锚栓:普通螺栓或高强螺栓,M20等,个数;不同类型螺栓要分开写;
焊缝:要先抄写焊缝符号,再写焊缝符号说明,最后是相同焊缝的总条数;不同焊缝符号要分开写。
第3)问,简单描述,如下:
先说明连接的性质,也就是连接的类型,即刚接或铰接;
再描述所传递的力的种类,以及每种力具体的传力路径。
4. 最后,作答时要求卷面整洁,书写有条理,简答题句子通顺,写出要点即可。
附:识图实例共大家参考。



