目录

  • 1 钢结构识图基础---20建工4
    • 1.1 钢结构的发展与特点
    • 1.2 建筑钢结构用钢材
    • 1.3 钢结构的图纸表达
  • 2 门式刚架构造与识图---20建工4
    • 2.1 门式刚架概述
    • 2.2 门式刚架基础
    • 2.3 门式刚架主结构
    • 2.4 门式刚架次结构
    • 2.5 门式刚架围护结构
  • 3 多高层钢结构——20建工4
    • 3.1 多高层钢结构体系及布置
    • 3.2 多高层钢结构节点构造与识图
  • 4 钢结构---1绪论
    • 4.1 钢结构的特点
    • 4.2 钢结构的应用和发展
    • 4.3 作业及思考
  • 5 钢结构---2建筑钢材
    • 5.1 建筑钢材的主要力学性能
    • 5.2 影响钢材性能的因素
    • 5.3 钢材的种类、规格及选择
    • 5.4 作业及思考
  • 6 钢结构---3连接方法
    • 6.1 钢结构的连接方法
    • 6.2 焊接方法、焊缝分类及质量检验
    • 6.3 焊缝符号及标注方法
    • 6.4 焊接应力与焊接变形
    • 6.5 拓展:轻型门式刚架的安装
    • 6.6 对接焊缝的构造和计算
    • 6.7 角焊缝的构造和计算
    • 6.8 普通螺栓连接
    • 6.9 高强度螺栓连接
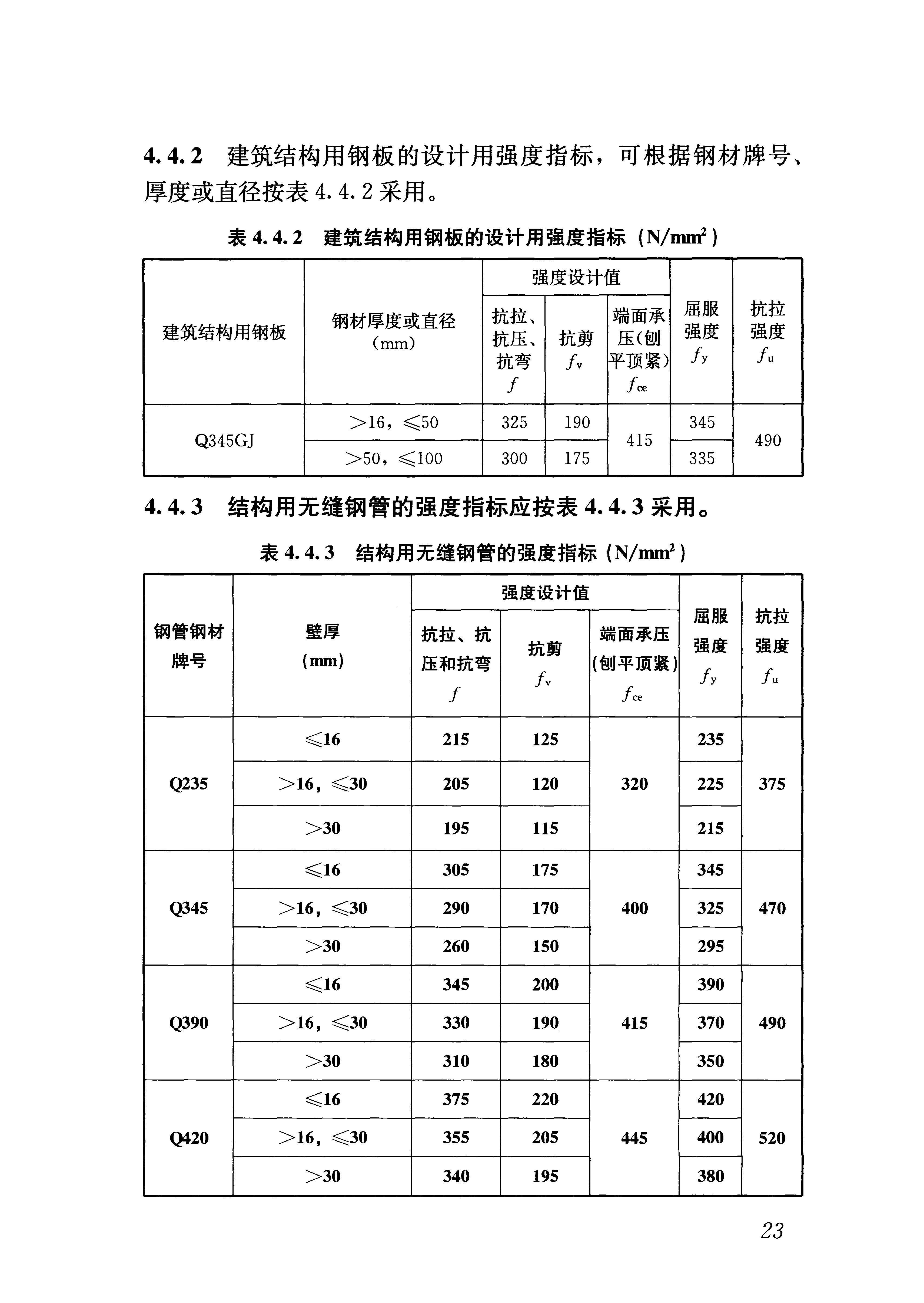
    • 6.10 GB50017_4.4设计指标和设计参数
  • 7 钢结构---4基本构件
    • 7.1 轴心受力构件
    • 7.2 受弯构件
  • 8 钢结构---5构造要求
    • 8.1 钢结构的构造要求
    • 8.2 连接构造
    • 8.3 结构构件构造
    • 8.4 刚架主要节点构造
    • 8.5 桁架主要节点构造
  • 9 钢结构---6识图
    • 9.1 钢结构施工图制图规定
    • 9.2 钢屋盖施工图识读
    • 9.3 单层门式刚架施工图识读
    • 9.4 钢框架结构施工图识读
  • 10 钢结构---7课程小结
    • 10.1 钢结构构造与识图思考题---20建工4
    • 10.2 钢结构作业计算题答案---18建工班
    • 10.3 钢结构构造识图示例---20建工4
    • 10.4 期末考试说明---18建工班
    • 10.5 钢结构重修说明---18建工班
GB50017_4.4设计指标和设计参数