一、普通螺栓连接的构造
建筑云课:
http://ai.glodonedu.com/front/preview/video?id=6310361378091864102&isSys=true
1.普通螺栓的分类
1)按质量等级分

2)按传力方式分
剪力螺栓——受力垂直螺杆,螺杆承剪、孔壁承压
拉力螺栓——受力平行螺杆,螺杆承拉
剪拉螺栓——两个方向力同时存在

2. 螺栓群的排列
1)钢板上、角钢上螺栓的排列方式


2)螺栓间距的布置要求
受力要求:螺距过小——可能导致钢板剪坏(钢板截面削弱严重)
螺距过大——可能导致钢板间张开(受力点间距离远,力线不集中)
构造要求:螺距过大——连接不紧密,潮气侵入腐蚀
施工要求:螺距过小——施工时转动扳手困难
3)螺栓最大和最小容许间距

二、普通螺栓连接的受力特点
MOOC视频:(2段,约30分钟)
1.两类螺栓的受力及变形
剪力螺栓——受力垂直螺杆,螺杆承剪、孔壁承压,连接件有错动趋势
拉力螺栓——受力平行螺杆,螺杆承拉,连接件有脱开趋势


2. 受剪螺栓连接的破坏模式
1)螺栓受剪的传力过程:
螺栓安装拧紧后,在工作荷载的作用下,被夹紧的板件相对滑动,在相反的方向螺杆靠紧孔壁,导致螺杆受剪切作用,孔壁受压力作用,直至螺杆剪断或孔壁受压破坏。

2)螺栓受剪的破坏模式:


3)防止螺栓破坏措施:
模式(1) (2) (3) 通过计算解决。
模式(4) (5) 通过构造解决——端距≥2d0,不会发生端部钢板剪坏;
——螺杆长度≤5d,不会发生栓杆弯曲破坏。
3.受拉螺栓连接的破坏模式
螺杆净截面达到设计承载力而被拉坏--计算控制
螺纹滑牙破坏--构造控制

三、普通螺栓连接的设计承载力及其承载力计算
1.普通螺栓的强度设计值

查表:Q235,普通C级螺栓的抗拉强度设计值ftb=170N/mm2,抗剪强度设计值fvb=140N/mm2,螺栓担承压强度设计值fcb=305N/mm2。
2.剪力螺栓的承载力计算
螺栓受剪需要计算控制的三种破坏模式中,只有前两种模式——螺栓被剪断和孔壁挤压破坏影响螺栓的承载力(第三种钢板因截面削弱被拉断属于钢板的承载力问题)。
因此,一个剪力螺栓的设计承载力就由一个螺栓的受剪承载力(栓杆剪断时)和一个螺栓的承压承载力(孔壁挤压破坏时)共同决定。
1)一个螺栓的受剪承载力设计值Nvb


受剪承载力=抗剪强度x剪切面面积
2)一个螺栓的承压承载力设计值Ncb

承压承载力=承压强度x承压面积;承压面简化为矩形,并认为应力均匀分布。
如上图(b),双剪面,向左1个板厚,向右2个板厚,向左力=向右力,向左承压不利,板厚选较小值。
3)一个剪力螺栓的设计承载力Nminb

4)验算:一个螺栓所受的剪力NV≤Nminb
3.剪力螺栓群的单栓承载力折减系数h
1)当l1≤15d0时(d0为螺栓孔径),破坏前即塑性阶段可达到均匀受力的状态,因此不考虑承载力的折减。

螺栓群的连接长度l1越长,螺栓群受力越不均匀。
2)当 l1≥15d0时,应采用承载力折减系数h考虑螺栓群受力不均匀影响。

4. 拉力螺栓的承载力计算
1)一个拉力螺栓的承载力设计值Ntb

抗拉承载力=抗拉强度x有效受拉面积
de为螺栓在螺纹处的有效直径,较螺杆直径小但大于螺纹根部直径,其大小与螺距有关。
2)验算:一个螺栓所受到的拉力Nt≤Ntb

5.剪拉螺栓的承载力计算


第一式防止出现螺栓栓杆剪/拉断;螺栓栓杆的受剪和受拉互相影响,所以采用平方和再开方的方法进行承载力计算;
第二式防止出现孔壁挤压破坏。
四、普通螺栓连接的设计计算
1.螺栓群受分布平面内轴力N作用——受拉连接,螺栓受剪切


外力作用线通过螺栓群的中心,抗剪连接计算中假定个螺栓平均受力。
1)螺栓抗剪计算

2)钢板强度计算


2. 螺栓群受弯矩M的作用——连接受弯,螺栓受拉

螺栓的最大拉力Nmax为第1排所受拉力N1,最底排所受拉力为0。
只要N1安全,则整个螺栓群即安全。
验算表达式:

yi为第i排螺栓到转动轴(最底排螺栓中心线)的竖向距离。
3. 螺栓群受弯矩M和轴拉力N的作用——螺栓受拉

1)先假定:螺栓群绕形心线转动,转动轴为整个螺栓群的中心线
第1排受力最小(拉压抵消),第6排受力最大(拉拉叠加)

yi为第i排螺栓中心到转动轴(此处指形心轴)的竖向距离
2)当Nt,min>0时,全部螺栓都受拉,原假定正确。
验算:Nt,max≤Ntb,即可。
3)当Nt,min≤0时,最低排螺栓受压,则螺栓群绕最低排螺栓中心线转动,原假定不正确。
需重新计算螺栓的最大拉力Nt,max。
此时相当于M和Ne两个弯矩共同作用下的受弯,原因是此时螺栓群的变形与纯受弯情况相同。
所以有:

然后验算:Nt,max≤Ntb,即可。
yi’为第i排螺栓中心到转动轴(此处指最底排螺栓中心线)的竖向距离
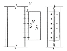
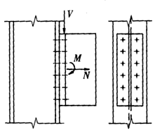
4.螺栓群受弯矩M、剪力V和轴拉力N的作用
1)采用支托承剪,C级螺栓承拉弯——螺栓受拉,焊缝受剪
支托可以是角钢或钢板(即承托板)

剪力V——支托焊缝承受,进行焊缝验算;
弯矩M、轴拉力N——螺栓承受,进行螺栓验算,方法同前
2)不采用支托,全部外力由螺栓群承担(课下选学)——螺栓杆受拉、剪,孔壁承压

剪力V——Nv=V/n;
弯矩M、轴拉力N——Nt,max
验算以下2式:


