一、学习目标
1) 学会S7-200PLC中定时器指令的使用,正确分析延时接通/断开梯形图。
2) 能根据延时接通/断开硬件电路图进行正确接线,并调试PLC程序。
二、任务
本任务是分析、安装与调试PLC控制的延时接通/断开电路。电路控制要求为:输入信号接通,输出延时接通;输入信号断开,输出延时断开。
定时器指令
S7-200 PLC按工作方式分为三种类型的定时器:通电延时定时器TON ( On Delay Tim-er)、断电延时定时器TOF ( Off Delay Timer)和保持型通电延时定时器TONR ( Retentive OnDelay Timer)。
每个定时器均有一个16位当前值寄存器及一一个状态位(反映其触点状态)。
1.定时器指令使用说明
(1) 定时器号定时器总数有256个,定时器号范围为(T0~T255)。
(2) 分辨率与定时时间的计算S7-200PLC定时器有三种分辨率: 1ms、10ms和100ms,见表4-11。

表4-11定时器号 与分辨率
定时器定时时间T的计算
T=PTS
式中 T——实际定时时间,单位为ms;
T——定时设定值,均用16位有符号整数来表示,最大计数值为32767。除了常数外,还可以用VW、IW、QW、MW、SW、SMW、AC等作为设定值;
S——分辨率,单位为ms。
若TON指令使用T33(10ms定时器),设定值PT=100,则实际定时时间为
T=10010ms=1000ms
2.定时器指令
(1)通电延时定时器TON该定时器用于通电后单一时间间隔的定时。当输人端IN接通时,定时器位为0,当前值从0开始计时,当前值等于或大于PT端的设定值时,定时器位变为1,梯形图中对应定时器的常开触点闭合,常闭触点断开,当前值仍连续计数到32767。输人端IN断开,定时器自动复位,当前值被清零,定时器位为0。
如图4-31所示,当I1.0接通时,定时器T37开始定时,500ms后T37常开触点闭合,常闭触点断开。当I1.0断开时,当前值被清零,T37常开触点断开,常闭触点闭合。
(2)断电延时定时器TOF该定时器用于断电后单一时间间隔的定时。输人端IN接通时,定时器位变为1,当前值为0。当输入端IN由接通到断开时,定时器开始定时,当前值达到PT端的设定值时,定时器位变为0,常开触点断开,常闭触点闭合,停止计时。
如图4-32所示,当I1. 2接通时,定时器T97常开触点闭合,常闭触点断开,当前值为

图4-31 TON指令编程实例
0。当I1.2断开时,定时器T97开始定时,80ms后T37常开触点断开,常闭触点闭合,当前值等于设定值,停止计时。

图4-32 TOF指令编程实例
(3)保持型通电延时定时器TONR: 该定时器用于多个时间隔的累计定时。通电或首次扫描时,定时器位为0,当前值保持在掉电前的值。输人端IN接通时,当前值从上次的采持值开始继续计时,当累计当前值等于或大于PT端的设定值时,定时器位变为1,当前值可继续计数到32767。
输人端IN断开时,定时器的当前值保持不变,定时器位不变。
TONR指令只能用复位指令R使定时器的当前值为0,定时器位为0。
如图4-33所示,通电或首次扫描时,当I2.1接通,定时器T2的当前值从0开始计时;未达到设定值时,I2.1断开,T2位为0,当前值保持不变;当I2.1又接通时,当前值从上次的保持值开始继续计时,当累计当前值等于或大于设定值时,T2常开触点闭合,常闭触点断开,当前值可继续计数;当I2.1又断开时,定时器的当前值保持不变,定时器位不变。当I0.3接通,T2当前值为0,T2常开触点断开,常闭触点闭合。

图4-33 TONR 指令编程实例
应用定时器指令应注意的几个问题如下:
1) 不能把-个定时器号同时用作TOF和TON指令。
2) 使用复位指令R对定时器复位后,定时器位为0,定时器当前值为0。
3) TONR指令只能通过复位指令进行复位操作。
3.定时器的刷新方法
S7-200系列PLC的定时器中,1ms、10ms和100ms三种定时器的刷新方式是不同的。
(1)1ms定时器1ms定时器由系统每隔1ms刷新一次,与扫描周期及程序处理无关,即采用中断刷新方式。因而当扫描周期较长时,定时器在一个周期内可能被多次刷新,其当前值在一个扫描周期内不一定保持一致。
(2)10ms定时器10ms定时器由系统在每个扫描周期开始时自动刷新。
(3)100ms定时器100ms定时器在定时器指令执行时被刷新。如果启动了100ms定时器,但是在扫描周期内没有执行定时器指令,将会丢失时间。如果在一个扫描周期中多次执行同一10ms定时器,将会多计时间。使用100ms定时器时,应保证每一扫描周期内同一条定时器指令只执行一次。
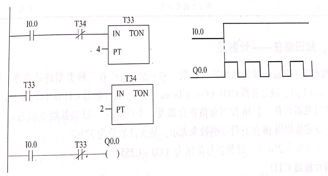
闪烁电路
如图4-36所示,当I0.0接通时,T33开始定时,其常闭触点接通,Q0.0为1;延时40ms后,T33常开触点接通,常闭触点断开,Q0.0为0,T34开始定时;延时20ms后,T34常闭触点断开,T33不工作,其常开触点断开,常闭触点接通,Q0.0为1,T34不工作,第二次扫描,T34常闭触点接通,T33又开始定时,循环下去。因此,当I0.0接通时,Q0.0接通40ms,断开20ms,周期循环闪烁。
