任务一 电动机连续运转电路的分析、安装与调试
-
1 学习任务
-
2 知识储备
-
3 任务实施
-
4 电动机启/停控制电路
-
5 讨论
上一节
下一节
一、任务布置
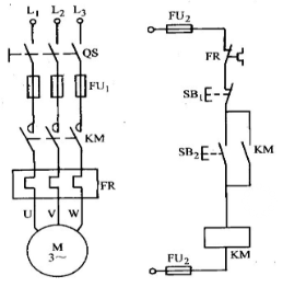
某企业承担了一个三相交流异步电动机连续运转的技术改造项目,该项目原是用继电-接触器控制系统实现,现要求改造成PLC控制。请用S7-200PLC设计其控制系统并调试

图1 电动机启/停电路
二、学习目标
1)了解PLC组成,正确分析其工作原理。
2)认识SIEMENS S7-200PLC基本构成、特性及软器件功能。
3)掌握SIEMENS S7-200PLC简单与复杂逻辑指令的应用。
4)正确分析电动机启/停梯形图,并按照硬件电路图进行接线、调试PLC程序。
三、学习任务
本任务是分析、安装与调试PLC控制的电动机启/停电路。电路控制要求为:按下启动按钮,电动机运转;
按下停止按钮,电动机停转。














