数控机床电气控制线路应用示例

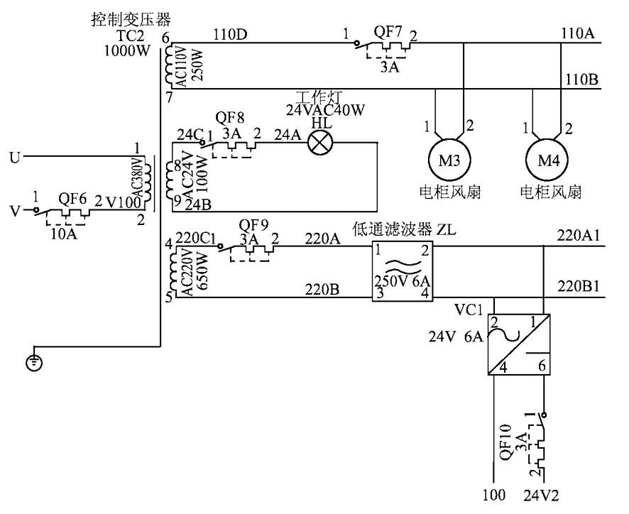
某数控车床的部分电气原理图 1
n图1为机床的电源线路,图中变压器TC2原边接三相AC380V,副边三组绕组分别提供AC220V、AC24V、AC110V电压,AC220V给开关电源供电,AC24V给工作灯供电,AC110V给电柜风扇供电,断路器QF6~QF10用来对线路进行过载及短路保护。

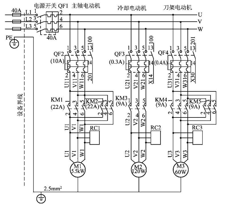
某数控车床的部分电气原理图 2
n图2为机床的动力线路,图中交流接触器KM1和KM2用来控制主轴电动机M1的正反转,断路器QF2作为主轴电动机的过载及短路保护;交流接触器KM4和KM5用来控制刀架电动机M3的正反转,断路器QF4作为刀架电动机的过载及短路保护;交流接触器KM3用来控制冷却电动机M2的起动和停止,断路器QF3作为冷却电动机的过载及短路保护。灭弧器RC1~RC3用来保护交流接触器的主触点,防止当主触点断开时,在动、静触点间产生强烈电弧,烧坏主触点。断路器QF1用来对整个动力线路进行过载及短路保护

某数控车床的部分电气原理图 3
n图3为机床的交流控制线路,图中交流接触器KM1线圈和KM2一对常闭辅助触点串接,交流接触器KM2线圈和KM1一对常闭辅助触点串接,从而实现主轴电动机正反向接触器间的互锁控制;交流接触器KM4线圈和KM5一对常闭辅助触点串接,交流接触器KM5线圈和KM4一对常闭辅助触点串接,从而实现刀架电动机正反向接触器间的互锁控制;交流接触器KM3线圈用来控制KM3的主触点吸合。继电器KA2~KA6触点由可编程控制器或数控装置I/O接口控制,用来控制交流接触器KM1~KM5的线圈得电或断电。

