M7120型平面磨床控制线路分析及故障处理
-
1 知识点
-
2 学习内容
-
3 总结
上一节
下一节
M7120平面磨床控制线路分析及故障处理
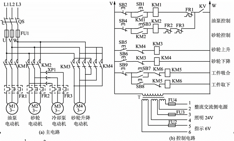
平面磨床是利用砂轮对工件表面进行磨削加工的设备,M7120型平面磨床主要由床身、工作台、磨头、立柱、电磁吸盘等组成
1、主要结构及运动形式
主要有床身、工作台、电磁吸盘、砂轮架、滑座、立柱等部分组成。
在床身中装有液压传动装置,实现水平方向进给运动;床身上固定有立柱,实现垂直方向进给,在滑座的水平导轨上安装砂轮架,实现横向进给。平面磨床砂轮的旋转运动为主运动,平面磨床的辅助运动有砂轮架在滑座的水平导轨上作快速横向移动等。
2、电力拖动及控制要求
对电力拖动控制方案的要求:
机床运行要求平稳,在换向时要求惯性要小,无冲击力;
采用电动机单独拖动;
砂轮有较高转速,通常采用两极的笼型异步电动机拖动;
为减少工件的热变形,必须使工件得到充分的冷却;
电磁吸盘允许工件有自由伸缩余地,从而保证加工精度。
3、对M7130型平面磨床的电力拖动控制系统提出的要求:
1)砂轮、液压泵、冷却泵三台电动机都只要求单方向旋转;
2)冷却泵电动机应随砂轮电动机的开动而开动,并可单独关断;
3)当电磁吸盘吸力不足或消失时,砂轮电动机与液压泵电动机应立即停止工作;
4)电磁吸盘励磁线圈具有反向励磁控制环节;
5)具有完善的保护环节;
6)机床安全照明电路与工件去磁的控制环节。



