X62W铣床控制线路分析及故障处理
-
1 知识储备
-
2 学习内容
-
3 电子资料
-
4 中级工铣床排故
上一节
下一节
铣床可用来加工平面、斜面、勾槽等,按照结构和加工性能不同,可分为立式铣床、卧式铣床、龙门铣床和各种专用铣床等。
一、铣床结构和运动方式
X62W铣床主要由底座、床身、悬梁、刀杆挂脚、升降工作台、滑座及工作台等组成。
铣削加工时,铣刀的旋转运动为主运动,工件安装在工作台上,随工作台作纵向进给运动,沿滑座导轨作横向进给运动,随升降台作垂直方向进给运动。
二、电力拖动的特点和要求
1.铣削加工方式有逆铣和顺铣。所以对主轴电动机的控制要求是在加工之前选择好转向,而后起动加工。
2.为了实现能快速停车的目的,主轴采用制动停车方式。
3.在铣削加工时只允许工件作一个方向的进给运动,在使用圆工作台加工时,不允许工件作纵向、横向和垂直方向的进给运动。。为此,各向进给运动之间应具有联锁环节。
4.进给电动机和主轴电动机之间要有可靠的联销。
5.主轴电动机和进给电动机都应有变速冲动控制电路。
6.为能方便地操作铣床,设置了多地点控制方案。
7.控制系统中具有较完善的联锁保护环节。
8.采用转换开关控制冷却泵电动机单向旋转。此外还配有安全照明电路。
9.为适应铣削加工时操作者的正面与侧面操作要求,机床应对主轴电动机的起动与停止及工作台的快速移动控制,具有两地操作。
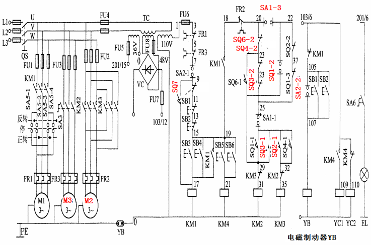
三、X62W万能升降台铣床的电气控制
1.主轴电动机起动
2.主轴电动机停机
3.主轴的变速冲动












