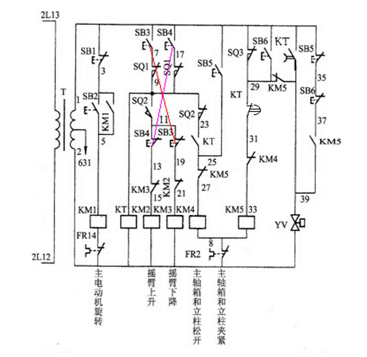
Z3040摇臂钻床控制线路分析及故障处理
-
1 知识储备
-
2 学习内容
-
3 课后任务
上一节
下一节
Z3040摇臂钻床控制线路分析及故障处理
nZ3040摇臂钻床是一种立式钻床,在钻床中具有一定代表性。主要用于对大型零件进行钻孔、扩孔、铰孔和攻螺纹等。

摇臂钻床的电力拖动特点及控制要求
(1)、设有主轴电动机、摇臂升降电动机、立柱夹紧放松电动机及冷却泵电动机。
(2)、要求主轴进给有较大的调速范围。
(3)、摇臂钻床的主运动与进给运动皆为主轴的运动。
(4)、主轴要求正反转,主轴正反转一般由机械方法获得。
(5)、具有必要的联锁与保护。






