CW6140车床控制线路分析及故障处理
-
1 学习要求
-
2 学习内容
-
3 电子资料
上一节
下一节
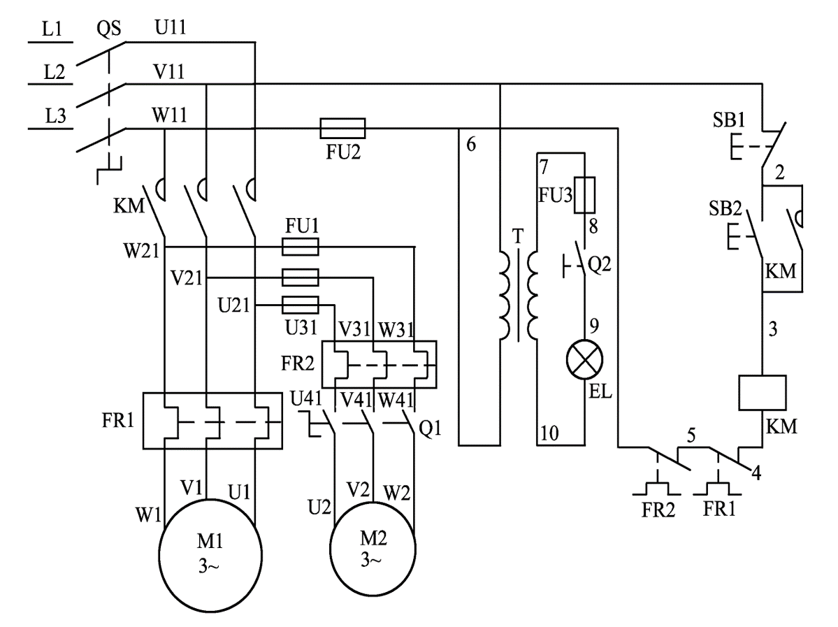
数控机床的电气原理部分仍以传统机床电气控制为基础,我们在本小节由简到繁,先给大家介绍几种典型机床控制线路,再学习数控机床的电气控制线路。
电气控制系统分析的一般方法步骤:
1、了解机械设备的机械动作及工步图。分析传动系统的驱动方式,含电动、液压、气动驱动原理。
2、了解电器元件的安装位置及作用。
3、分析机械部件与电器元件的关联,含操纵手柄,行程控制的档铁、撞块、离合器、电磁铁等的状态及安装位置。
4、分析电气控制原理。
学习要求:
1、学会根据设备对电气控制的要求,进行电气控制分析
2、 提高阅读电路图的能力


