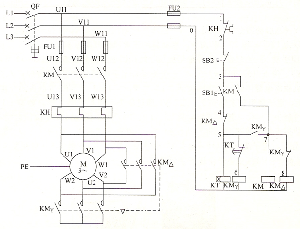
时间控制-Y-△降压启动控制线路
-
1 学习目标
-
2 学习内容
-
3 任务
上一节
下一节
学习目标:
1、掌握三项异步电动机的时间继电器自动控制星三角降压启动控制线路的组成并画出其控制线路图;
2、掌握时间继电器自动控制星三角降压启动控制线路的工作原理;
3、掌握时间继电器的作用与使用方法;
4、掌握三相异步电动机的时间继电器自动控制Y-△降压启动控制线路的安装方法和自检方法。
学习重点:
1、掌握电动机在星三角接法时的接线盒内的接线图;
2、掌握星三角降压启动控制线路的原理;
3、掌握电动机在星形接法和三角形接法时的主电路的接线方法。
复习提问:
1、异步电动机直接启动时,启动电流是额定电流的多少倍?
2、直接启动可能会造成哪些问题?怎样解决?
3、常见的降压启动方法有哪几种?





