电动机正反转控制电路
-
1 学习目标
-
2 接触器联锁正反转...
-
3 行程开关自动往返...
-
4 知识拓展
-
5 阶段测验
上一节
下一节
学习目标:
1、会使用交流接触器实现电动机正反转控制;
2、会使用行程开关实现电动机正反转控制;
3、掌握三相异步电动机自动往返控制电路的工作原理。
情境导入:在实际生产中,机床工作要需要前进与后退,万能铣床的主轴需要正转与反转,起重机的吊钩需要上升与下降,正转的控制线路能否满足这些生产机械的控制要求?为什么?
提问:三项笼型异步电动机正反转如何实现?
回答:改变电源相序,将接至交流电动机的三相交流电源进线中任意两相对调,电动机就可以反转
方法:
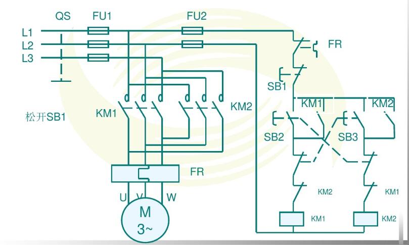
1、接触器联锁正反转控制,利用两个交流接触器交替工作,改变电源接入电动机的相序来实现电动机正反转控制。
2、行程开关自动往返正反转控制







































