目录

  • 1 第一单元 绪论
    • 1.1 互换性的定义与类型
    • 1.2 尺寸的概念与分类
    • 1.3 公差与标准化
    • 1.4 章节测验-绪论
  • 2 第二单元 极限与配合
    • 2.1 孔与轴的概念
    • 2.2 偏差术语及其定义
    • 2.3 公差及公差带图
    • 2.4 配合术语及其定义
    • 2.5 标准公差和基本偏差
    • 2.6 公差带系列
    • 2.7 基准制与选择
    • 2.8 章节测验-极限与配合
  • 3 认识测量技术
    • 3.1 测量初识
    • 3.2 常用计量器具
    • 3.3 工件尺寸的检测
    • 3.4 章节测验-测量技术
  • 4 几何公差
    • 4.1 几何公差概述
    • 4.2 几何公差符号及标注
    • 4.3 几何公差-形状公差
    • 4.4 几何公差-方向公差
    • 4.5 几何公差-位置公差
    • 4.6 几何公差-跳动公差
    • 4.7 章节测验-几何公差
  • 5 表面粗糙度
    • 5.1 表面粗糙度概念与影响
    • 5.2 表面粗糙度评定与参数
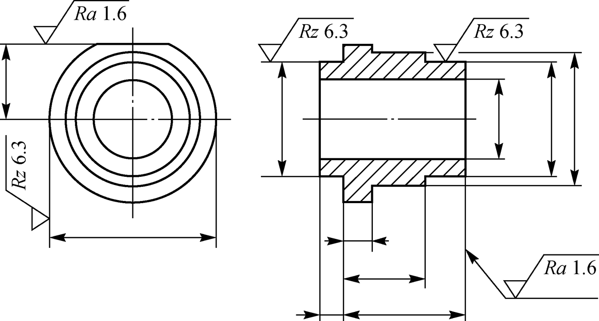
    • 5.3 表面粗糙度符号及标注
    • 5.4 章节测验-表面粗糙度
  • 6 典型零部件公差与检测
    • 6.1 滚动轴承公差与检测
    • 6.2 螺纹公差与检测
    • 6.3 章节测验-滚动轴承
    • 6.4 章节测验-螺纹
  • 7 实训指导
    • 7.1 实训指导(引用)
    • 7.2 综合实训(引用)
    • 7.3 实训报告(引用)
  • 8 学习问卷调查
    • 8.1 《公差配合与测量》线上学习问卷调查
  • 9 教学检测
    • 9.1 教学检测试题
    • 9.2 教学检测答案
  • 10 其他资源
    • 10.1 教材配图
    • 10.2 表格资源
    • 10.3 灵感创新
表面粗糙度符号及标注