扭矩传感器实验
一、实验目的
1、了解全桥电路的性能、连接方法。
2、掌握扭矩传感器信号调理电路以及调试方法。
3、掌握扭矩传感器测量扭矩的工作原理和测试方法。
二、实验所用单元
扭矩传感器、扭矩传感器实验模块、主实验平台、砝码(20克/个)、直尺、数字电压表。
三、实验原理及电路
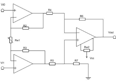
将专用的测扭应变片R1、R2、R3、R4用应变胶粘贴在被测弹性轴上并组成应变电桥, 向应变电桥提供电源即可测得该弹性轴受扭的电信号。弹性体采用轮辐式结构如图6-1所示,当轮辐式结构的十字架方孔内受到外加力矩M作用时,固定在外圆边上的十字梁受到力矩为
(L为十字梁等效受力长度),在F力的作用下每根辐条产生的应力被电阻应变片转换为电阻值的变化,从而桥路的输出量反映了被测力矩M的大小。

因此,当弹性体受到扭矩力时,根据差动全桥的公式:


图6-2 扭矩传感器的全桥接法 图6-3 扭矩传感器的信号调理电路
计算出扭矩传感器输出的电压信号,通过信号调理电路的放大,最后送电压表显示。
四、实验步骤
1、观察扭矩传感器弹性体结构,用直尺量取砝码盘到转动中心的水平距离,记录该距离作为动力臂。
2、连接主机与实验模块的电源连接线,扭矩传感器工作电压选用+5V,差动放大器增益为最大(500倍),输出端接电压表。
3、将Vi0,Vi1短接,Rw1调整至中间,开启主机电源,调节Rw2使得数字电压表指示为零,关闭电源,拆去短接线,将接入传感器输出线b、d。
4、开启主机电源,调节电位器RW0使无负载时的扭矩传感器输出为零。在力臂不变的情况下,逐步加大压力(向砝码盘增加砝码)。记录电压表的读数,填入表6-1。
表6-1 当力臂一定时,重量与输出电压记录表
5、保持砝码盘内所有砝码,依次将砝码盘从杆末端向内移动一格(减小力臂),杆上每格间距为10mm,记录每移动一格的电压表数值,填入表6-2中。
表6-1 当重量一定时,力臂与输出电压记录表
6、关闭电源。根据测量值拟合扭矩与输出电压的曲线。计算系统灵敏度S和非线形误差δ。
五、实验报告
1、根据测量值拟合扭矩与输出电压的曲线,并计算系统灵敏度S和非线性误差δ。
2、输出的电压值与扭矩是不是成比例,说明误差产生的原因。
PSD光电位置传感器实验
一、实验目的
1、掌握PSD光电位置传感器的工作原理。
2、掌握PSD光电位置传感器测量距离的方法,信号调理电路以及调试方法。
二、实验所用单元
PSD传感器、PSD光电位置传感器模块、主实验平台、示波器、数字电压表。
三、实验原理及电路
1、PSD光电位置传感器的结构与工作原理
半导体光电位置敏感器件 (Position Sensitive Detector)是一种对其感光面上的入射光点位置敏感的半导体器件。PSD有一维和二维两大类。本实验用到的是一维的PSD器件,其一维PSD的结构图及其等效电路图如图2-1所示:

PSD是一种新型的光电器件,或称为坐标光电池。它是一种非分割型器件,可将光敏面上的光点位置转化为电信号。当一束光射到PSD的光敏面上时,在同一面上的不同电极之间将会有电流流过,这种电压或电流随着光点位置变化而变化的现象就是半导体的横向光电效应。如图2-1A所示,P层为感光面,两边各有一个信号输出电极;I区较厚但具有更高的光电转换效率,更高的灵敏度和响应速度;底层N引出一个公共电极,用来加反偏电压。
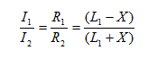
当入射光照射到光敏面上某点时,由于平行于P结平面的横向电场的作用,光生载流电子形成向两端电极流动的电流I1和I2,它们的和等于总电流I0。如果PSD的面电阻是均匀的,且其阻值R1和R2 远大于负载电阻R1,则R1和R2的值仅取决于入射光的位置,此时有以下关系式成立:

式中,L1 ——PSD中点到信号电极间的距离;X——入射点距PSD中点的距离。将
代入上式,经计算得:

从计算得出的两式可以看出,当入射光点位置一定时,PSD单个电极输出电流与总电流成正比,即与入射光强成正比(总电流与入射光强成正比);而当入射光强不变时,单个电极的输出电流与入射光点距PSD中心的距离x成线性关系。
2、PSD位置传感器的测量电路
由红外激光器发出的激光在PSD上的位置改变,使PSD的X1和X2端产生相应的电流I1和I2。I1和I2经过各自的I/V转换电路变成电压V1和V2,V1和V2经过减法电路和放大器(调零及增益)输出V0。具体如图2-2原理图所示。

四、实验步骤
1、观察PSD器件及安装位置,调节支架上的螺旋测微头,使激光器的中心大约落在PSD的中心点上。
2、接入±15V的直流电源及传感器探头,并且使PSD的输出端V0接电压表及示波器。
3、开启主电源,连接激光电源,激光束射到PSD光敏面,调节位移装置,使光斑位于PSD光敏面中点,调节模块“增益”旋钮,用示波器观察,输出波形不应有自激,此时模块电路输出为零。
4、分别向前和向后位移被测体,每位移0.1mm记录一电压值,并记入下表:
位置(x) mm | -0.4 | -0.3 | -0.2 | -0.1 | 0 | +0.1 | +0.2 | +0.3 | +0.4 |
输出电压 v |
|
|
|
|
|
|
|
|
|
作出V-X曲线,计算灵敏度,分析工作线性。
5、分析系统误差来源。
注意事项:
本实验仪中的固体激光器只能作为实验光源之用,严禁实验者用激光光束照射人的眼睛,否则将会造成视力不可恢复的伤害。
五、实验报告
1、根据测量数据作出V-X曲线,计算灵敏度,分析工作线性。
2、分析测量系统误差来源。
CCD图像传感器线径测量实验
CCD图像传感器线径测试实验仪是利用物体(被检测物)在CCD成像传感器上的投影来测量物体径向宽度的光电测量设备。利用计算机技术将CCD成像传感器上的投影图像,通过数字化的采集、传输、处理,最终显示,使得能更方便、准确地观察、测量物体的几何形状及尺寸,并可保存和打印测量内容,大幅度地提高了工作效率,减轻了操作者的工作强度。
一、CCD线径测试仪的特征和参数
1、成像面尺寸:640×480像数
2、有效测量范围:3mm~5mm
二、CCD线径测试仪系统组成
1、成像传感器及电子处理模块
2、成像光学系统
3、标准件
4、遮光盒
5、USB接口线
6、测量软件
三、CCD线径测试仪测量原理
被测体与背景发出的自然光,通过光学系统后,在CCD传感器端成像,成像的

图1
清晰度由光学系统控制(即调焦),摄像头具有自动调焦的功能,也可手动调焦。由于被测体与背景在成像端有一定的对比度,通过二值化图像,可测出被测体的像素,当被测体与光学系统的距离一定时,被测体的成像像素与被测体实际尺寸具有一定的比例关系,通过标准件的定标,得出相应的比例因子,这样通过计算就能测出被测体的尺寸。
四、CCD线径测试仪实验安装步骤
1、将仪器上的USB线连接到计算机上
2、软件安装:
与本软件配套使用的实验仪是本公司生产的CCD图像传感器线径测试仪(以下简称测试仪)。
1)需要安装驱动程序的摄像头请先安装驱动程序(否则跳过这一步),安装完成后会在设备管理器的图像处理设备中出现USB PC Camera,表示驱动安装完成。
2)把光盘中的ccdtest.exe和videoset.ini文件复制到所要安装的目录下即可。
五、CCD线径测试仪实验的使用步骤
双击ccdtest.exe图标,即启动CCD线径测试仪软件程序。出现下图所示界面,说明如下:

图2
界面菜单简要说明:
文件:用于打开、保存、和打印实验结果。
选项:用于设置实验的基本参数。
控制:用于测量线径。
帮助:显示本系统的关于。
主界面简要说明:
原始图像:显示原始图象。
二值化图像:显示原始图象处理后的图象。
测试结果:测得目标物的直径(有多少个点及转换为毫米后的大小)。
视频分辨率:必须为640 x 480。
转换系数:即每毫米相当于多少点像素。
有效测量次数:测量的有效次数。
无效测量次数:测量的无效次数。
进度:系统处理的进度
(1)文件
打开:用于打开以前所做实验所保存的结果,同时可打印该结果。如下图所示:
点击
打开要查看或打印的实验结果文件,点击“打印”按钮即可打印,点击“返回”则返回主界面。

图3
保存:用于将试验结果保存到默认的文件(rep.dat)中.
(注意:一次只保存一个待测物的结果)。
另存为:用于将试验结果保存到另外的文件中。
退出:点击“退出”则退出本系统。
(2)选项:点击选项可进行各项设置。
参数设置:点击“参数设置”弹出如图4所示对话框。
点击“取点位置”标签页,显示如图4。
取点位置为测线径时的五条线位置的设置,利用水平的五条直线(可自己设定,设定范围在160-320垂直像素之间)与被测物体左边相交的五个点确定一条拟合直线,在被测体的右边与第三条直线有一个交点,该点到左边拟合直线的垂直距离即为被测体的线径,该选项内容不建议更改。
点击“测试参数”标签页,显示如图5所示。
采样次数:设定显示值的测量次数,最后求平均值,

采样间隔:测量间隔时间,即每隔多少时间测量一次。
标准件尺寸:设置标准件的线径大小,单位为mm。
对比度:即二值化图像的程度。一般是调节到使二值化图像清晰,在被测体图像上无黑斑为止。

图4

图5
视频格式:点击“视频格式”弹出如图6所示对话框,在此可进行视频分辨率的设置,本试验必须将分辨率设置为640x480。

图6
视频驱动程序:点击“视频驱动程序”弹出如图7所示对话框,这里只有第一次安装摄像头驱动程序后才需要选择,以后一般不需更改。

图7
(3)控制:点击选项可进行参数设置;如下图
开始:点击“开始”按钮用以开启摄像头,为下面的测量做准备。
注意:开始后,视频分辨率的必须为640 x 480,否则在进度“选项”菜单下的“视频格式”子菜单将分辨率设置为640 x 480。
测标准件:将标准件(直径为4mm左右,即中等大小的测试棒)完全插入测试仪的测试孔,旋转测试仪的前盖使标准件大概处于垂直的位置,然后点击“测标准件”子菜单,此时左边的原始图象中显示原始图,右边的二值化图象则显示二值化处理后的图象,若二值化处理后的图象和背景干扰物之间有融合时必须调整(在“选项”菜单下“参数设置”子菜单中的“测试参数”标签页中的“对比度”项可调节二值的程度)直到二值化处理后的图象和背景干扰物之间界线清楚。
若测试成功,则底边的“测试系数:”栏将显示本次测试的转换系数,如图8所示,然后利用目标待测件所测的点像素除以该转换系数即可得到目标待测件的线径大小。测试成功时“有效测量次数加1”否则“无效测量次数加1”。

图8
测待测件:取出标准件,将待测件完全插入测试仪的测试孔,然后点击“测待测件”子菜单,系统将采样待测件并将结果显示到“测试结果:”栏中。

图9
(4)关于:略。
注意:在测定完标准件的转换系数后不要移动或转动测试系统。