
烟雾报警器
烟雾报警器就是通过监测烟雾的浓度来实现火灾防范的,常见的烟雾报警器有光电式和离子式两大类。
目前应用较多的是离子式烟雾传感器,其工作稳定可靠,被广泛运用到各种消防报警系统中,性能远优于气敏电阻类的火灾报警器。
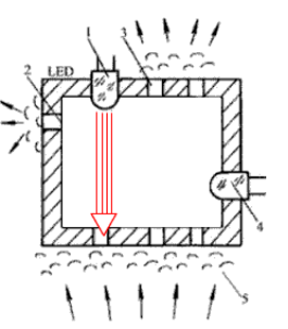
离子式烟雾传感器的结构如图6-21所示,在网罩1内有电极板2和3,a、b端接电源,4是一小块放射性同位素镅241,它能放射出一种α粒子。平时镅放射出来的α粒子使两个电极间的空气电离,形成较强的电流;发生火灾时,烟雾进入网罩内,烟雾的颗粒吸收空气中的离子和镅放射出来的粒子,导致电流减弱,报警器检测出这种变化,发出报警信号。

图6-22 离子式烟雾报警器的结构图
1-网罩 2、3-电极 4-放射性同位素镅241
光电烟雾报警器分成减光式光电烟雾报警器和散射光式光电烟雾报警器。 散射光式光电烟雾探测器如图6-23所示,其发光LED和光敏三极管成正交90度,这样的话,无烟雾时,光敏三极管不能接收到发光LED发出的红外线。当烟雾进入烟雾室后,烟雾的固体粒子对红外光产生漫反射,使部分红外光到达光敏三极管。烟雾越大,接收到光也越强,流过光敏三极管的电流也越大,最后达到阀值,就发出报警信号。

图6-23 散射光式光电烟雾报警器
减光式光电烟雾报警器的发光器件和光敏器件是采用的对射式安装,当无烟雾时,光敏器件接收到发光器件发出的一定光量;而在有烟雾时,发光器件的发射光到受到烟雾的遮挡,使光敏器件器件接收的光量减少,光电流降低,发出报警信号。
离子烟雾报警器对微小的烟雾粒子的感应要灵敏一些,对各种烟能均衡响应;而光电式烟雾报警器对稍大的烟雾粒子的感应较灵敏,对灰烟、黑烟响应差些。如果火灾发生后,产生了大量的烟雾的微小粒子,离子烟雾报警器会比光电烟雾报警器先报警。这两种烟雾报警器时间间隔不大,但是这类火灾的蔓延极快,此类场所建议安装离子烟雾报警器较好。另一类闷烧火灾发生后,产生了大量的稍大的烟雾粒子,光电烟雾报警器会比离子烟雾报警器先报警,这类场所建议安装光电烟雾报警器。

生物传感器
1967年,S.J.乌普迪克等研制出了第一个生物传感器——葡萄糖传感器。到目前为止,生物传感器大约经历了三个发展阶段。在第一个阶段,生物传感器是由固定了生物成分的非活性基质膜和电化学电极组成,如葡萄糖氧化酶固定化膜和氧电极组装在一起构成的葡萄糖传感器。在第二个阶段,生物传感器是将生物成分直接吸附到转换器表面,无需非活性的基质膜。在第三个阶段,生物传感器是将生物成分直接固定在电子元件上,把生物感知和信号转换处理结合在一起。生物传感器涉及的是生物物质,主要用于临床诊断检查、治疗时实时监控、发酵工业、食品工业、环境和机器人等方面,具有非常广阔的应用前景。
1. 生物传感器的工作原理
生物传感器的工作原理如图6-21所示。在生物功能膜上(或膜中)附着有生物传感器的敏感物质,被测量溶液中待测定的物质经扩散进入生物敏感膜层,有选择地吸附于敏感物质,形成复合体,产生分子识别或生物反应。这种变化所产生的信息可通过相应的化学或物理原理转换成电信号输出。

生物传感器由分子识别部分(敏感物质)和转换部分(换能器)构成。分子识别部分是生物传感器选择性测定的基础,在生物体中能够有选择地分辨特定物质的有酶、抗体、组织、细胞等,这些具有分子识别功能的敏感物质通过识别过程可与被测目标结合成复合物,如抗体和抗原的结合、酶与基质的结合。在设计生物传感器时,选择适合于测定对象的敏感物质是极为重要的前提。换能器是研制高质量生物传感器的另一个重要环节,应根据敏感元件所引起的化学反应或物理变化来选择换能器。敏感元件中光、热、化学物质的生成或消耗等会产生相应的变化量,根据这些变化量可以选择适当的换能器。
生物传感器根据分子识别元件(即敏感物质)可分为5类:酶传感器、微生物传感器、细胞传感器、组织传感器和免疫传感器。显而易见,所应用的敏感物质依次为酶、微生物个体、细胞器、动植物组织、抗原和抗体。
生物传感器根据换能器(即信号转换器)可分为生物电极传感器、半导体生物传感器、光生物传感器、热生物传感器、压电晶体生物传感器等。上述换能器依次为电化学电极、半导体、光电转换器、热敏电阻、压电晶体等。
2. 酶传感器
酶是蛋白质组成的生物催化剂,能催化许多生物化学反应,生物细胞的复杂代谢就是由成千上万个不同的酶控制的。酶的催化效率极高,而且具有高度专一性,即只能对待定待测生物量(底物)进行选择性催化,并且有化学放大作用。因此利用酶的特性可以制造高灵敏度、选择性好的传感器。
大多数酶是水溶性的,只有通过固定化技术制成酶膜,才能构成酶传感器的受体。在酶传感器中构成固定化酶有3种方式:把酶制成膜状,将其设置在电极附近,这种方式应用最普遍;金属或FET栅极表面直接结合酶,使受体与电极结合起来;把固定化酶填充在小柱中作为受体,使受体与电极分离开。
酶传感器由具有分子识别功能的固定化酶膜和电化学装置两部分构成。当把装有酶膜的酶传感器插入试液时,被测物质在固定化酶膜上发生催化化学反应,生成或消耗电极活性物质(如
、
、
、
等),用电化学测量装置(如电极)测定反应中电极活性物量的变化,电极就能把被测物质的浓度变换成电信号,从被测物浓度与电信号之间的关系就可以测定未知浓度。
利用酶传感器可以测定各种糖、氨基酸、酯质和无机离子等,在医疗、食品、发酵工业和环境分析等领域都有应用。例如,酶传感器可以应用到水质的检测中。酚是一类对人体有害的化合物,经常通过炼油和炼焦等工厂的废水排放到河流和湖泊中,科学家利用固定化多酚氧化酶研制出多酚氧化酶传感器,可快速测出水中的酚,从而对水质进行实时检测。
3. 微生物传感器
微生物传感器是把活的微生物菌固定在膜面上,作为生物功能元件使用。微生物传感器由固定化微生物膜及电化学装置组成,微生物膜的固定法与酶的固定法相同,一般用吸附法和包裹法两种方式,微生物的生存特性对氧气有好气性与厌气性之分,其传感器分为好气性微生物传感器和厌气性微生物传感器。
好气性微生物生存在含氧条件下,生长过程离不开氧,它吸入氧气放出二氧化碳,这种微生物的呼吸可用氧电极或二氧化碳电极测定。厌气性微生物的生长会受到氧的妨碍,可由其生成的二氧化碳或代谢产物测定生理状态。
目前,微生物传感器已应用于发酵工艺及环境监测等领域。例如,通过测量水中有机物的含量,即可测量江河及工业废水中有机物的污染程度;通过测定血清中的微量氨基酸(苯基丙氨酸和亮氨酸),即可早期诊断苯基酮尿素病毒和糖尿病。
随着材料科学的快速发展,应用于生物传感器的材料尺寸越来越小,纳米技术引入生物传感器领域后,提高了生物传感器的检测性能,并促发了新型的生物传感器。因为具有了亚微米的尺寸、换能器、探针或者纳米微系统,生物传感器的化学和物理性质和其对生物分子或者细胞的检测灵敏度大幅提高,检测的反应时间也得以缩短,并且可以实现高通量的实时检测分析。
