
1. 压电效应
某些电介质如石英、钛酸钡等,在沿一定方向上受到外力的作用而变形时,其内部会产生极化现象,在它的两个相对表面上出现等量的正负电荷。当外力撤去后,又会恢复到不带电的状态,这种现象称为压电效应。
当作用力的方向改变时,产生的电荷的极性也随之改变。

(a)打火机 (b)压电键盘
压电效应的应用
如果在电介质的极化方向上施加电场,这些电介质又会发生机械变形,电场去掉后,电介质的变形也随之消失,这种现象称为逆压电效应,或称为电致伸缩现象。

(a)蜂鸣器 (b)双晶超声波探头
逆压电效应的应用
在超声检测中使用的探头,是利用材料的压电效应实现电能、声能转换的换能器。探头中的关键部件是晶
片,晶片是一个具有压电效应的单晶或者多晶体薄片,它的作用是将电能和声能互相转换。
压电晶片处在电场中,在电场力的作用下发生形变,在交变电场力的作用下,发生变形的效应,称为逆压电效应,也是发射超声波的过程。
超声波是机械波,机械波是由振动产生的,超声波发现缺陷引起缺陷振动,其中一部分沿原路返回,由于超声波具有一定的能量,再作用到压电晶体上,使压电晶体在交变拉、压力作用下产生交变电场,这种效应称为正压电效应,是接收超声波的过程。正、逆压电效应统称为压电效应。
能产生压电效应的电介质被我们称为压电材料或者压电元件,依据压电效应的原理工作的一类传感器被称为压电传感器。
实验证明,在晶体的弹性限度内,压电材料受力后,产生的电荷Q和所施的力F之间的关系是:
(2-9)
式中:d—压电材料的压电系数
2.压电材料及特性
(1)石英晶体
石英晶体是最常用的压电晶体之一。 它理想的几何形状为正六面体晶柱。

石英晶体
(2)压电陶瓷

压电陶瓷具有铁磁材料磁畴结构类似的电畴结构。
当压电陶瓷极化处理后,陶瓷材料内部存有很强的
剩余场极化。
当陶瓷材料受到外力作用时,电畴的界限发生移动,
引起极化强度变化,产生了压电效应。
经极化处理的压电陶瓷具有非常高的压电系数,约
为石英晶体的几百倍,但机械强度较石英晶体差。
压电陶瓷
压电陶瓷与石英晶体不同,前者是人工制造的多晶体压电材料,而后者是单晶体。
压电陶瓷在未进行极化处理时,不具有压电效应;经过极化处理后,它的压电效应非常明显,具有很高的压电系数,为石英晶体的几百倍。压电陶瓷制造成本却较低,因此目前国内外生产的压电元件绝大多数都采用压电陶瓷。常用的压电陶瓷材料有锆钛酸铅系列压电陶瓷(PZT)及非铅系压电陶瓷(如BaTiO3等)。

压电陶瓷极化过程示意图
(3)压电薄膜

高分子压电材料是一种近年来发展较快的新型压电材料。
具有压电常数较高的特点,如聚偏二氟乙烯(PVF2或PVDF)
的压电常数比压电陶瓷还高十几倍,而且非常柔软,耐冲
击、弹性柔软性好,可以加工成几微米厚的薄膜,也可以
弯曲成任何形状。
压电薄膜
3.压电式传感器的等效电路
压电元件受到外力作用后,压电元件上聚集正负电荷的两个表面类似于电容器的两个极板,所以压电元件也可看成是一个以压电元件为介质的电容器,其电容量为
( 2-10)
ε0为真空介电常数;ε为压电材料的相对介电常数;d为压电元件的厚度;S为压电元件电极板面积。

电荷源 电压源
图2-11 压电元件的等效电路
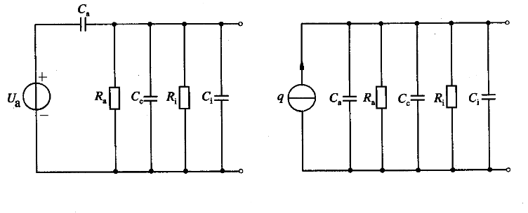
压电传感器如果与测量仪表配套使用时,还应考虑连接电缆的分布电容Cc,放大电路的输入电阻Ri,输入电容Ci及压电传感器的内阻Ra。

(a)电压源 (b)电荷源
图2-12 压电传感器实际等效电路
4.压电传感器的测量电路
(1)电压放大器

图2-13 电压放大器电路原理
(2-11)
电压放大器的输入电压与连接电缆的分布电容Cc有关。
当压电传感器放大器之间的连接电缆更换或者长度发生变化时,连接电缆的分布电容Cc变化,进而影响测量结果。
(2)电荷放大器

图2-14 电荷放大器的等效电路
(2-12)
电荷放大器的输出与分布电容CC无关
连接电缆的分布电容变化不影响灵敏度,所以电荷放大器可以远距离传输。

