
传感器的特性一般指输入、输出特性,有静态和动态之分。本书仅介绍传感器的静态特性。传感器的静态特性是指被测量处于稳定状态下的输入和输出之间的关系。传感器的静态性能可以用一些指标比如灵敏度、线性度、迟滞、重复性、分辨力和分辨率等来描述。
1、灵敏度
灵敏度是指传感器在稳态下,输出量的变化与输入量的变化之比,用S表示。
( 1-1)
传感器输入-输出特性曲线的斜率就是灵敏度K。如果特性曲线是直线,则 k 为常数。如果 特性曲线是非线性的,则 k 随着输入量的变化而变化,如图1-6所示。

(a)线性的输入-输出特性 (b)非线性的输入-输出特性
图1-6 传感器的灵敏度
2、分辨力与分辨率
分辨力是指传感器能够检测到的输入量的最小变化值,它代表了传感器的最小量程,与输入量同量纲。对于数字式仪表,如果没有附加说明,通常其分辨力通常为该表最后一位数字所表示的数值。一般的模拟式仪表,则是用仪表最小刻度分格值的一半。
分辨率表示传感器的分辨能力,用分辨力除以仪表满量程得到,主要用于说明其分辨质量。
3、线性度
传感器的线性度是指传感器的输出与输入之间数量关系的线性程度。输出与输入关系可分为线性特性和非线性特性。大部分的传感器是非线性的,所以在实际使用中,为了标定和数据处理的方便,引入了非线性补偿电路或者计算机软件等补偿环节以求得到线性关系。当非线性的误差不是很大且输入量变化范围较小时,可用一条直线(切线或割线)近似地代表实际曲线的一段以使传感器输入-输出特性线性化,这种直线称为拟合直线。采用拟合直线线性化时,传感器输出量与输入量之间的实际关系曲线偏离拟合直线的程度,即两者之间的最大偏差和传感器满量程输出之间的比值称为线性度。也称为传感器的非线性误差。
(1-2)
式中:
—传感器的满量程输出;
—最大非线性误差;
从图1-7可以看出,拟合曲线不同,得到的线性度也不同,所以一般选择能得到最小线性度的拟合曲线。

(a)理论拟合 (b)端点连线拟合
图1-7传感器的线性度
拟合曲线不同,得到的非线性误差也不同,所以一般选择能得到最小非线性误差的拟合曲线。
4、迟滞
传感器正反行程的输入输出特性曲线不重合的现象称为迟滞,如图1-8所示。迟滞通常由实验测得,迟滞误差用下式表达。

图1-8 迟滞特性

—正反行程之间的最大差值;
—传感器的满量程输出。
产生迟滞现象的主要原因有传感器的材料存在磁滞、弹性元件的弹性滞后、电元件的单向特性等物理性质 或者是传感器的机械部分有摩擦、间隙、紧固件松动等等。
5、重复性

重复性是指传感器在输入量按同一方向作全量程连续多次变化时,所得特性曲线不一致的程度。如图1-9所示。重复性误差一般可用正反行程的最大误差和传感器的满量程输出表示,计算公式为
(1-4)
图 1-9 重复性
式中:
—正反行程的最大误差;
—传感器的满量程输出

在实际应用中传感器的输出信号往往很微弱,比如热电偶输出的热电势变化是μV级,或者信号形式不适合,不能直接用于显示和控制。此时我们就需要对传感器的输出信号进行一定预处理,使输出信号便于显示或控制。能实现这种预处理功能的电路称为信号调理电路。常见的信号调理电路有信号的放大电路、信号的变换电路和滤波电路等。
1、信号的放大电路
信号的放大电路主要采用具有高放大倍数,高输入电阻,低输出电阻的集成运算放大器构成。集成运算放大器能完成加、减、乘、除、微积分等多种运算。用集成运算放大器构成的放大电路通常有同相放大器、反相放大器、差动放大器等。常见的集成运算放大器有OP07、LM324等型号,如图1-10所示。

(a) (b)
图1-10 常见的集成运算放大器
(1)反相放大器

( 1-5)输出电压与输入电压反相且成正比,反相放大器的特点是性能稳定,抗高频干扰能力强,但是在提高输入阻抗与提高增益之间存在矛盾。
图1-11 反相放大器
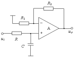
(2)同相放大器

(1-6)
同相放大器的输出电压与输入电压同相。输出 电压的放大倍数与反馈电阻R2和输入电阻R1的比值有关。
图1-12 同相放大器
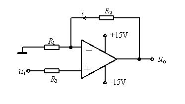
(3)差分放大器

(1-7)
差动放大器的输出电压与两个输入电压之间的差值成正比,所以也被称为减法器。差动放大器的特点是抑制共模干扰能力差、输入阻抗高、输出阻抗低,抗高频干扰能力强,广泛用于前置放大级。
图1-13 差动放大器
(4)电压跟随器
电压跟随器,其放大倍数为1,没有放大作用,由于其输入阻抗高,输出阻抗低,所以通常在电路中可以起到阻抗匹配的作用,提高传感器的带载能力。
图1-14 电压跟随器
(5)仪用放大器

随着集成电路技术的发展,为了进一步提高测量精度,工业上出现了将多个放大器组合而成的单片仪用放大器。仪用放大器又称测量放大器,其电路基本结构如图1-15所示。图中左边部分由运放A1,A2构成对称同相放大器,右边部分由运放A3和电阻R3~R4组成差动放大器。假设R1=R2=R,R3=R4,则仪用放大器增益调整仅需要调Rg。
所以具有输入阻抗高、对称性好、共模抑制比高、增益设定灵活、体积小、使用方便的特点。常见的仪用放大器有AD521/AD522、AD620等,可以作为电桥、热电偶的放大电路。
2、信号变换电路
(1)电压电流变换电路
在工业现场,在传感器和仪表之间、仪表和仪表之间的信号传送都采用标准信号,即0-5V直流电压或0-10mA、4-20mA直流电流。为了减少传输线的分布电阻会产生电压降,通常采用电流来传输信号。所以我们就需要将电压信号变换成与之成正比的电流信号,即电压-电流转换。如图1-16所示为简单的浮地负载电压-电流变换电路。

图1-16 浮地负载电压-电流变换电路
如果输出电流信号经过长时间传输之后,要通过单片机构成的数字显示仪表显示出来,则需将电流信号变换成电压信号,在经过A/D转换送入单片机中。如图1-17所示为将0-10mA电流信号转换成0-5V电压信号的实用电路,该电路采用集成运算放大器的放大倍数为A=(R3+R4)/R3 ,当R3=100kΩ ,R4=150kΩ 则 A=2.5;若R1=200Ω,对于0-10mA的电流输入信号,将在R1上产生0-2V的电压信号,由A=2.5可知,0-10mA的直流输入电流对应0-5V的直流输出电压信号。

图1-17 0-10mA 电流信号转换成0-5V电压信号的实用电路
(2)电压-频率变换电路
电压频率变换电路能把输入电压转换成频率信号输出,输出频率与输入电压信号成比例,也称为电压控制振荡器,简称压控振荡器(VCO),通过这种变换后输出信号抗干扰能力提高了,并且适合长距离传输。
频率-电压变换电路又称为频率-电压变换器,与电压-频率变换电路正好相反。常用的电压-频率变换的集成芯片有LM331、AD650等。LM331、AD650这两种集成芯片既可以实现电压-频率变换,也可以实现频率-电压变换,所以应用较广泛。
3、滤波电路
滤波电路(也被称为滤波器),是一种选频装置,只允许一定频带范围内的信号通过,而极大地衰减其它频率成分。滤波器能够滤除检测系统中由于各种原因引入的噪声和干扰,还可以滤除信号调制过程中的载波等无用信号,分离各种不同的频率信号,提取感兴趣的频率成分并且对系统的频率特性进行补偿。
滤波器按构成滤波器的元件类型分为RC、RL滤波器等;按电路性质可分为有源滤波器和无源滤波器;按信号处理模式可以分成模拟滤波器和数字滤波器;按滤波器通频带范围可分为低通,高通,带通,带阻滤波器。如图1-18所示为四种实际滤波器的幅频特性。
从图中可以看到:
低通滤波器的通频带 0 ~ f2
高通滤波器的通频带 f1 ~ ∞
带通滤波器的通频带 f1 ~ f2
带阻滤波器的通频带 0 ~ f1与 f2 ~ ∞
(阻带:f1 ~f2)。
图1-18 四种实际滤波器的幅频特性

(a)无源 (b)有源
图1-19 一阶RC滤波器
有源滤波电路的滤波参数不随负载变化。无源滤波电路可用于高电压大电流的电路,有源滤波电路是信号处理电路,其输出电压和电流的大小受有源元件自身参数和供电电源的限制。

