公差原则
上一节
下一节
公差原则
机械零件的同一被测要素既有尺寸公差要求,又有形位公差要求,处理两者之间关系的原则,称为公差原则。
公差原则有两种:独立原则、相关原则
独立原则:尺寸公差与几何公差分别要求,分别满足。任意一项不合格即不合格,如下图所示。

独立原则主要应用于非配合尺寸、未注公差尺寸或尺寸精度与几何精度要求差别较大,或要求密封性、运动精度提出与尺寸无关的几何公差要求。实例:液压缸内孔、印刷机滚筒:尺寸要求不高但,形状精度要求高。
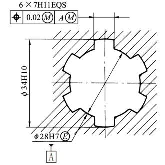
相关原则指几何公差值与工件尺寸有关。包括:包容要求、最小实体要求和最大实体要求三种情况。


包容要求 最小实体要求 最大实体要求
公差原则及相关术语
包容要求
最大实体要求
最小实体要求

