直流调速系统的概念及开环调速系统
上一节
下一节

一个换向片的直流电动机模型
补充:晶闸管整流电路的原理
1、单相桥式全控整流电路
(1)电阻性负载


(2)带阻感负载时

(3)带反电动势负载时

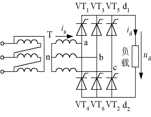
2、三相全控桥整流电路

导通顺序: VT1-VT2 -VT3- VT4 -VT5-VT6









目录

一个换向片的直流电动机模型
补充:晶闸管整流电路的原理
1、单相桥式全控整流电路
(1)电阻性负载


(2)带阻感负载时

(3)带反电动势负载时

2、三相全控桥整流电路

导通顺序: VT1-VT2 -VT3- VT4 -VT5-VT6








