目录

  • 1 Introduction
    • ● Objectives and tasks
    • ● 1.1 General introduction
      • ● 1.1.1 Subject introduction
      • ● 1.1.2 Introduction to design circle
      • ● 1.1.3 Basic tasks
      • ● 1.1.4 Learning methods
    • ● 1.2 Basic knowledge of projection
      • ● 1.2.1 Concepts of projection
      • ● 1.2.2 Classification of projection
      • ● 1.2.3 Quadrants/Projection angle.
      • ● 1.2.4 Commonly-used drawings
      • ● 1.2.5 Projection of point
      • ● 1.2.6 Projection of lines.
      • ● 1.2.7 Projection of planes
      • ● 1.2.8 Examples
      • ● section test
    • ● 1.3 Basic knowledge of drawing
      • ● 1.3.1 Line types
      • ● 1.3.2 The use of compass
      • ● 1.3.3 Draw regular polygon
      • ● 1.3.4 Basic dimensioning knowledge
      • ● 1.3.5 Dimensioning examples
      • ● section test
    • ● Reading materials-textbook
    • ● Homework pages
  • Lines and planes
    • ● Objectives and tasks  12
    • ● Objectives and tasks 12+
    • ● Lines/planes
    • ● Objectives and tasks 13
    • ● Lines/Planes and transform
    • ● Homework 12 pages
    • ● Homework 12+ pages
    • ● Homework 13 pages
  • 2 Basic solids
    • ● Objectives and tasks
    • ● 2.1 Polyhedra
      • ● 2.1.1 Prism
      • ● 2.1.2 Pyramid
      • ● 2.1.3 Views of Prism
      • ● 2.1.4 Views of Pyramid
    • ● 2.2 Regular solids of revolution
      • ● 2.2.1 Cylinder
      • ● 2.2.2 Cone
      • ● 2.2.3 Sphere
      • ● 2.2.4 Torus
    • ● 2.3 Coaxial Revolving Solids
    • ● 2.4 Solids of Extrusion
    • ● 2.5 Sweeping Solids
    • ● 2.6 Lofting Solids
    • ● 2.7 Determine points/lines on solid surface
      • ● 2.7.1 Example 1
      • ● 2.7.2 Example 2
    • ● Section tests
    • ● Homework pages
  • 3 Intersection
    • ● Objectives and tasks
    • ● 3.1 Between plane and solid
      • ● 3.1.1 Split a solid of extrusion
        • ● 3.1.1.1 Example
        • ● 3.1.1.2 Demo-split polyhedron
      • ● 3.1.2 Split a cone
      • ● 3.1.3 Split a cylinder
      • ● 3.1.4 Examples-split solids
        • ● 3.1.4.1 Example 1
        • ● 3.1.4.2 Example 2
    • ● 3.2 Between polyhedron and cylinder
      • ● 3.2.1 Example-cubiod and cone
    • ● 3.3 Between two cylinders
      • ● 3.3.1 Example
    • ● 3.4 Special cases
    • ● 3.5 Demo of modelling
    • ● Section tests
    • ● Homework pages
  • Tutorial-solids and intersection
    • ● 1. Typical Questions:
      • ● Question 1-asertaining visibility
      • ● Question 2-lines on conical urface
      • ● Question 3-lines on spherical surface
      • ● Question 4-truncated pyramid and projection transform
      • ● Question 5-intersection-prism and cylinder
      • ● Question 6-intersection between two cylinders
      • ● Question 7-intersection-prism and sphere
      • ● Question 8-intersection about U-shape cylinder
    • ● 2. Composite intersection
  • 4 Pictorial drawing
    • ● Objectives and tasks
    • ● 4.1 Introduction
    • ● 4.2 Isometric drawing
      • ● 4.2.1 Method of coordinate value
      • ● 4.2.2 Method of analysis of solids
      • ● 4.2.3 Example of freehand sketching
      • ● 4.2.4 Isometric drawing of cylinder
      • ● 4.2.5 Isometric drawing of truncated cylinder
      • ● 4.2.6 Isometric drawing of an object
    • ● 4.3 Cabinet drawing
    • ● section test
    • ● Homework pages
  • 5 Objects-drawing
    • ● Objectives and tasks
    • ● 5.1 Introduction
    • ● 5.2 Review about basic solids
    • ● 5.3 Relationship of adjacent surfaces
    • ● 5.4 Review of alignment rule
    • ● 5.5 Introductin to Analysis of Solids
    • ● 5.6 Drawing steps of principal views
      • ● 5.6.1 Identify front view
      • ● 5.6.2 Determine datum lines
      • ● 5.6.3 Drawing steps in details
      • ● 5.6.4 Examples
    • ● Section tests
    • ● Homework pages
  • 6 Objects-reading
    • ● Objectives and tasks
    • ● 6.1 Introduction
    • ● 6.2 Outlines of reading drawings
    • ● 6.3 Application of Analysis of Solids
      • ● 6.3.1 Example 1
      • ● 6.3.2 Example 2
    • ● 6.4 Analysis of Lines and Planes
      • ● 6.4.1 Example
    • ● 6.5 Summary
    • ● section tests
    • ● homework pages
  • 7 Objects-dimensioning
    • ● Objectives  and tasks
    • ● 7.1 Introduction
    • ● 7.2 Essential requirements
    • ● 7.3 Principles of dimensioning
    • ● 7.4 Details of dimensioning
      • ● 7.4.1 Four elements
      • ● 7.4.2 Dimension figures orientation
      • ● 7.4.3 Dimensioning for circles&arcs
      • ● 7.4.4 Dimensioning for small size
      • ● 7.4.5 Angular dimensions
    • ● 7.5 Dimensioning for basic solids
    • ● 7.6 Commonly-used symbols
    • ● 7.7 General requirements
      • ● 7.7.1 Completeness
      • ● 7.7.2 Clarity
      • ● 7.7.3 Rationality
    • ● 7.8 Examples
      • ● 7.8.1 Typical example
      • ● 7.8.2 Special cases
      • ● 7.8.3 General example 1
      • ● 7.8.4 General example 2
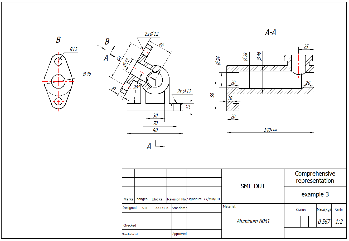
      • ● 7.8.5 General example 3-comprehensive
    • ● Section tests
    • ● Homework pages
  • 8 Objects-reading challenge
    • ● 8.1 Problems of missing lines
    • ● 8.2 Problems of missing views
      • ● 8.2.1 Problem 1
      • ● 8.2.2 Problem 2
      • ● 8.2.3 Problem 3
    • ● 8.3 Challenging problems
      • ● 8.3.1 Problem 1
      • ● 8.3.2 Problem 2
      • ● 8.3.3 Problem 3
      • ● 8.3.4 Problem 4
  • 9 Representations for workpieces (1)
    • ● Objectives and tasks
    • ● 9.1 Views
      • ● 9.1.1 Six principal views
      • ● 9.1.2 Views of alternate positionApplication
        • ● 9.1.2.1 Example
      • ● 9.1.3 Partial views
        • ● 9.1.3.1 Example
        • ● 9.1.3.2 How to draw break lines
      • ● 9.1.4 Auxiliary views
        • ● 9.1.4..1 Example
      • ● 9.1.5 Third-angle projection
    • ● 9.2 Sectional views
      • ● 9.2.1 Introduction
      • ● 9.2.2 Drawing steps
      • ● 9.2.3 Views annotation
      • ● 9.2.4 Cutting plane position
      • ● 9.2.5 Rules of drawing
      • ● 9.2.6 Hidden lines necessary or not
      • ● 9.2.7 Section lines
    • ● 9.3 Full sectional view
      • ● 9.3.1 Example
    • ● 9.4 Half sectional view
      • ● 9.4.1 Example
    • ● Section tests
    • ● Homework pages
  • 10 Representations for workpieces (2)
    • ● Objectives and tasks
    • ● 10.1 Broken-out sectional views
      • ● 10.1.1 Introduction
      • ● 10.1.2 Application
      • ● 10.1.3 Examples
        • ● 10.1.3.1 Example 1
        • ● 10.1.3.2 Example 2
        • ● 10.1.3.3 Example 3
      • ● 10.1.4 Conventions
    • ● 10.2 Auxiliary sectional views
    • ● Section test
    • ● Homework pages
  • 11 Representations for workpieces (3)
    • ● Objectives and tasks
    • ● 11.1 Introduction
    • ● 11.2 Offset sectional views
      • ● 11.2.1 Example
      • ● 11.2.2 Demo
      • ● 11.2.3 Typical problems
    • ● 11.3 Aligned sectional view
      • ● 11.3.1 Conventions
      • ● 11.3.2 Special cases
    • ● 11.4 Composite cutting
      • ● 11.4.1 Example
    • ● 11.5 Demo of multi-cutting
      • ● 11.5.1 Half section
      • ● 11.5.2 Aligned section
      • ● 11.5.3 Broken-out section
    • ● Section test
    • ● Homework pages
  • 12 Representations for workpieces (4)
    • ● Objectives and tasks
    • ● 12.1 Introduction
    • ● 12.2 Removed section
      • ● 12.2.1 Symmetric removed section
      • ● 12.2.2 Application
      • ● 12.2.3 Other Related knowledge
      • ● 12.2.4 Annotation
      • ● 12.2.5 Examples
    • ● 12.3 Revolved section
    • ● 12.4 Conventional representations
    • ● 12.5 Representations of breaks
    • ● 12.6 Simplified representations
    • ● 12.7  Representations of enlargement
    • ● 12.8 Demo of applications
      • ● 12.8.1 Demo 1
      • ● 12.8.2 Demo 2
    • ● Section tests
    • ● Homework pages
  • 13 Screw thread structure
    • ● Objectives and tasks
    • ● 13.1 Introduction
    • ● 13.2 Terminology
    • ● 13.3 Five elements
      • ● 13.3.1 Thread form
      • ● 13.3.2 Diameters
      • ● 13.3.3 Number of threads
      • ● 13.3.4 Pitch and lead
      • ● 13.3.5 RH/LH screw thread
    • ● 13.4 Types of screw thread
    • ● 13.5 Representation of screw thread
      • ● 13.5.1 Introduction
      • ● 13.5.2 External/Internal thread
      • ● 13.5.3 Meshing screw thread
    • ● 13.6 Dimensioning for screw thread
    • ● Section test
    • ● Homework pages
  • 14 Fasteners
    • ● Objectives and tasks
    • ● 14.1 Introduction
    • ● 14.2 Representations of single fastener
      • ● 14.2.1 Hexnut
      • ● 14.2.2 Hexbolt
      • ● 14.2.3 Plain washer
      • ● 14.2.4 Screw
    • ● 14.3 Connection of threaded fasteners
    • ● 14.4 Non-threaded fasteners
      • ● 14.4.1 Keys
    • ● Section test
    • ● Homework pages
  • 15 Ohter commonly-used parts
    • ● Objectives and tasks
    • ● 15.1 Introduction to pins
      • ● 15.1.1 Pins note and selection
    • ● 15.2 Retaining rings
    • ● 15.3 Springs
    • ● 15.4 Bearings
    • ● 15.5 Gears
    • ● Homework pages
    • ● Section test
  • 16 Detail drawing (1)
    • ● Objectives and tasks
    • ● 16.1 Parts classification
      • ● 16.1.1 Shaft/sleeve
      • ● 16.1.2 disks/wheels
      • ● 16.1.3 Housings/bases
      • ● 16.1.4 Forks/brackets
    • ● 16.2 Introduction to detail drawing
    • ● 16.3 Views selection
    • ● 16.4 How to use representations
    • ● 16.5 Views description
      • ● 16.5.1 Forks/brackets
      • ● 16.5.2 Housings/bases
      • ● 16.5.3 Shafts/sleeves
      • ● 16.5.4 Wheels/disks
    • ● 16.6 Surface texture
      • ● 16.6.1 Concepts
      • ● 16.6.2 Roughness symbols
      • ● 16.6.3 Application
      • ● 16.6.4 Demo
    • ● Section tests
    • ● Homework
    • ● Reading materials
  • 17 Detail drawing (2)
    • ● 17.1 Dimension tolerance
      • ● 17.1.1 Review
      • ● 17.1.2 Tolerance and fit
      • ● 17.1.3 Term-size
      • ● 17.1.4 Term-tolerance
      • ● 17.1.5 Term-tolerance symbol
      • ● 17.1.6  IT grade
      • ● 17.1.7  Fit dimension
      • ● 17.1.8  Hole/shaft basis system
    • ● 17.2 Geometric tolerance
    • ● 17.3 Structural requirements
      • ● 17.3.1 Fillets/rounds
      • ● 17.3.2 Transition line
      • ● 17.3.3 Draft angle
      • ● 17.3.4 Uniform thickness
      • ● 17.3.5 Undercut/escape
      • ● 17.3.6 Dumy club/boss
    • ● 17.4 Demo of application
      • ● 17.4.1 How to add tolerance
      • ● 17.4.2 How to add roughness
  • E1 Reverse engineering experiment
    • ● E1.1 Introduction
    • ● E1.2 Purposes
    • ● E1.3 Measuring tools
      • ● E1.3.1 General introduction
      • ● E1.3.2 Details of application
    • ● E1.4 General requirements
    • ● E1.5 Methods of writing sketches
    • ● E1.6 Methods of measuring/dimensioning
    • ● E1.7 Optimizing representation solution
    • ● E1.8 Instruction on site
      • ● E1.8.1 Hand by hand instruction-1
      • ● E1.8.2 Hand by hand instruction-2
      • ● E1.8.3 Hand by hand instruction-3
      • ● E1.8.4 Hand by hand instruction-4
      • ● E1.8.5 Hand by hand instruction-5
      • ● E1.8.6 Hand by hand instruction-6
  • 18 Assembly drawing-writing
    • ● 18.1 Introduction
    • ● 18.2 Contents
    • ● 18.3 Example-machine vise
    • ● 18.4 Representation methods
      • ● 18.4.1 Conventional
      • ● 18.4.2 Special
      • ● 18.4.3 Simplified & exaggerated
    • ● 18.5 Views selection
      • ● 18.5.1 General introduction
      • ● 18.5.2 Details of view selection
    • ● 18.6 Dimensioning on assembly drawing
    • ● 18.7 Part number
    • ● 18.8 Parts list
    • ● 18.9 Structural requirements for assembling
    • ● 18.10 Example of writing-screw jack
      • ● 18.10.1 Introduction to components
      • ● 18.10.2 Drawing steps
  • 19 Assembly drawing-reading
    • ● 19.1 General requirements
    • ● 19.2 Steps of reading
      • ● 19.2.1 Step 1-title block and parts list
      • ● 19.2.2 Step 2-views
      • ● 19.2.3 Step 3-working principle
      • ● 19.2.4 Step 4-fit/connection
      • ● 19.2.5 Step 5-sealing parts
      • ● 19.2.6 Step 6-assembling sequence
      • ● 19.2.7 step 7-primary parts
    • ● 19.3 Produce detail drawing
      • ● 19.3.1 Form representation result
      • ● 19.3.2 Add full dimensions rationally
      • ● 19.3.3 Add technical requirements
    • ● 19.4 Summary
  • E2 Manufacturing design experiment
    • ● E2.1 Introduction
    • ● E2.2 General requirements
    • ● E2.3 Introduction to hand tools
    • ● E2.4 Precautions before experiment
    • ● E2.5 Reducer
    • ● E2.6 Diaphragm valve
      • ● E2.6.1 Disassembling sequence
      • ● E2.6.2 Operating principle
      • ● E2.6.3 Characteristics
      • ● E2.6.4 Specific precautions
    • ● E2.7 Steam trap valve
    • ● E2.8 Globe valve
    • ● E2.9 Requirements of project homework
    • ● E2.10 Instructions of manufacturing design
      • ● E2.10.1 Material selection
      • ● E2.10.2 Bearings selection
      • ● E2.10.3 Fit selection
      • ● E2.10.4 Worm gear reducer
      • ● E2.10.5 Gate valve
      • ● E2.10.6 Functional structure of gate valve
      • ● E2.10.7 Diaphragm valve
  • 20 Software practice(1)
    • ● 20.1 Sketches
      • ● 20.1.1 Sketch 1
      • ● 20.1.2 Sketch 2
      • ● 20.1.3 Sketch 3
      • ● 20.1.4 Sketch 4
      • ● 20.1.5 Sketch 5
      • ● 20.1.6 Sketch 6
    • ● 20.2 Basic solids (1)
      • ● 20.2.1 Right hexagonal prism
      • ● 20.2.2 Oblique rectangular prism
      • ● 20.2.3 Right triangular pyramid
      • ● 20.2.4 Oblique square pyramid
      • ● 20.2.5 Deformed oblique square pyramid
      • ● 20.2.6 Solid of revolution
      • ● 20.2.7 Solid of extrusion
  • 21 Software practice (2)-basic solids
    • ● 21.1 Sweeping solids
      • ● 21.1.1 Torsion spring
      • ● 21.1.2 Spiral slide
        • ● 21.1.2.1 varied radius spiral slide1
        • ● 21.1.2.2 varied radius spiral slide2
    • ● 21.2 Lofting solids
      • ● 21.2.1 coffee spoon
        • ● 21.2.1.1 coffee spoon1
        • ● 21.2.1.2 coffee spoon2
        • ● 21.2.1.3 coffee spoon3
        • ● 21.2.1.4 coffee spoon4
        • ● 21.2.1.5 coffee spoon5
        • ● 21.2.1.6 coffee spoon6
      • ● 21.2.2 Steam jet
        • ● 21.2.2.1 Steam jet 1
        • ● 21.2.2.2 Steam jet 2
  • 22 Software practice (3)-objects
    • ● 22.1 Example 1
      • ● 22.1.1 Create a project
      • ● 22.1.2 Modeling 1-1
      • ● 22.1.3 Modeling 1-2
      • ● 22.1.4 Views & dimensions
    • ● 22.2 Example 2
      • ● 22.2.1 Modeling
      • ● 22.2.2 Views
    • ● 22.3 Example 3
      • ● 22.3.1 Modeling
      • ● 22.3.2 Views
    • ● 22.4 Example 4
      • ● 22.4.1 Modeling
      • ● 22.4.2 Views
    • ● 22.5 Example 5
      • ● 22.5.1 Modeling 5-1
      • ● 22.5.2 Modeling 5-2
      • ● 22.5.3 Views
    • ● 22.6 Example 6
      • ● 22.6.1 Modeling
      • ● 22.6.2 Views
    • ● 22.7 Example 7
      • ● 22.7.1 Modeling 7-1
      • ● 22.7.2 Modeling 7-2
      • ● 22.7.3 Views
    • ● 22.8 Example 8
      • ● 22.8.1 Modeling 8-1
      • ● 22.8.2 Modeling 8-2
      • ● 22.8.3 Views
    • ● 22.9 Example 9
      • ● 22.9.1 Modeling 9-1
      • ● 22.9.2 Modeling 9-2
  • 23 Software practice (4)-Represesntations
    • ● 23.1 Full section
    • ● 23.2 Half section
      • ● 23.2.1 Half section 1-1
      • ● 23.2.2 Half section 1-2
    • ● 23.3 Broken-out section
      • ● 23.3.1 Broken-out section 1-1
      • ● 23.3.2 Broken-out section 1-2
    • ● 23.4 Aligned section
      • ● 23.4.1 Aligned section 1-1
      • ● 23.4.2 Aligned section 1-2
    • ● 23.5 Offset section
    • ● 23.6 Application-example 1
      • ● 23.6.1 Example 1-1
      • ● 23.6.2 Example 1-2
      • ● 23.6.3 Example 1-3
    • ● 23.7 Application-example 2
      • ● 23.7.1 Example 2-1
      • ● 23.7.2 Example 2-2
      • ● 23.7.3 Example 2-3
    • ● 23.8 Application-example 3
      • ● 23.8.1 Example 3-1
      • ● 23.8.2 Example 3-2
  • 24 Software practice (5)-parts
    • ● 24.1 Shaft
      • ● 24.1.1 Structure detail
      • ● 24.1.2 Modeling
      • ● 24.1.3 Geometric tolerance
      • ● 24.1.4 View orientation
      • ● 24.1.5 Views
        • ● 24.1.5.1 Representation 1
        • ● 24.1.5.2 Representation 2
      • ● 24.1.6 Diemsioning
        • ● 24.1.6.1 Dimensioning 1
        • ● 24.1.6.2 Dimensioning 2
      • ● 24.1.7 Shaft generator
        • ● 24.1.7.1 Design 1
        • ● 24.1.7.2 Design 2
        • ● 24.1.7.3 Design 3
        • ● 24.1.7.4 Design 4
        • ● 24.1.7.5 Force & diameter 1
        • ● 24.1.7.6 Force & diameter 2
      • ● 24.1.8  Key generator
        • ● 24.1.8.1 Check computation 1
        • ● 24.1.8.2 Check computation 2
    • ● 24.2 Brake pedal
      • ● 24.2.1 Modeling
        • ● 24.2.1.1 modeling 1
        • ● 24.2.1.2 modeling 2
        • ● 24.2.1.3 modeling 3
        • ● 24.2.1.4 modeling 4
        • ● 24.2.1.5 modeling 5
        • ● 24.2.1.6 modeling 6
        • ● 24.2.1.7 modeling 7
      • ● 24.2.2 Geometric tolerance
        • ● 24.2.2.1 Geometric tolerance 1
        • ● 24.2.2.2 Geometric tolerance 2
      • ● 24.2.3 Views
        • ● 24.2.3.1 Front view 1
        • ● 24.2.3.2 Frong view 2
        • ● 24.2.3.3 Top view
        • ● 24.2.3.4 Auxiliary view
        • ● 24.2.3.5 Shaded view
        • ● 24.2.3.6 3D Annotation
        • ● 24.2.3.7 Notes & dimensions 1
        • ● 24.2.3.8 Notes & dimensions 2
    • ● 24.3 Rockerarm
      • ● 24.3.1 Modeling 1
      • ● 24.3.2 Modeling 2
      • ● 24.3.3 Modeling 3
      • ● 24.3.4 Modeling 4
      • ● 24.3.5 Modeling 5
      • ● 24.3.6 Modeling 6
      • ● 24.3.7 Modeling 7
      • ● 24.3.8 Modeling 8
      • ● 24.3.9 Geometric tolerance
    • ● 24.4 Spray nozzle
      • ● 24.4.1 Modeling
        • ● 24.4.1.1 modeling 1
        • ● 24.4.1.2 modeling 2
        • ● 24.4.1.3 modeling 3
        • ● 24.4.1.4 modeling 4
        • ● 24.4.1.5 modeling 5
        • ● 24.4.1.6 modeling 6
        • ● 24.4.1.7 modeling 7
        • ● 24.4.1.8 modeling 8
      • ● 24.4.2 Geometric tolerance
      • ● 24.4.3 View orientation
      • ● 24.4.4 Views
        • ● 24.4.4.1 Front view
        • ● 24.4.4.2 Top view
        • ● 24.4.4.3 Partial view & section
        • ● 24.4.4.4 partial view
  • 25 Software practice (6)-Machine vice
    • ● 25.1 Introduction
    • ● 25.2 Project file
    • ● 25.3 Assemble grounded jaw
    • ● 25.4 Assembling other parts
      • ● 25.4.1 Joint command
      • ● 25.4.2 Angle constraint
      • ● 25.4.3 Motion constraint and drive
      • ● 25.4.4 Contact solver
      • ● 25.4.5 Standard parts Imate assemble
      • ● 25.4.6 Fix nut & screw rod
      • ● 25.4.7 Create folder in browser
      • ● 25.4.8 Assemble cotter pin
    • ● 25.5 Make a handle in place
      • ● 25.5.1 Parameters linked/derived
      • ● 25.5.2 Adaptive handle
    • ● 25.6 Create and eidt views
      • ● 25.6.1 Edit drawing border
      • ● 25.6.2 Modify template
      • ● 25.6.3 Front view
        • ● 25.6.3.1 Edit front view
        • ● 25.6.3.2 Modify to meet convention
      • ● 25.6.4 Left side view
        • ● 25.6.4.1 Produce half section
        • ● 25.6.4.2 Modify half section
        • ● 25.6.4.3 Edit left side view
      • ● 25.6.5 Edit top view
      • ● 25.6.6 Finish and modify views furthermore
    • ● 25.7 Dimensioning
      • ● 25.7.1 Characteristic and fit dimensions
      • ● 25.7.2 Other dimensions
    • ● 25.8 Part number & parts list
      • ● 25.8.1 Parts properties
      • ● 25.8.2 Add part number
      • ● 25.8.3 Rewrite part number
      • ● 25.8.4 Reedit parts list
    • ● 25.9 Cerate disassembling animation
      • ● 25.9.1 Tweak and combine action 1
      • ● 25.9.2 Tweak and combine action 2
      • ● 25.9.3 Tweak and combine action 3
      • ● 25.9.4 Tweak and combine action 4
      • ● 25.9.5 Insert camera
      • ● 25.9.6 Publish to video
  • 26 Top down design(Chinese)
    • ● 26.1 Remote controller design
      • ● 26.1.1 Lip and grill design
      • ● 26.1.2 Rest and button design
      • ● 26.1.3 Screw boss design
      • ● 26.1.4 Battery cover and snap fit design
    • ● 26.2 Magic cube design
      • ● 26.2.1 Project introduction
      • ● 26.2.2 Split cube
      • ● 26.2.3 Create corner block
      • ● 26.2.4 Create edge block
      • ● 26.2.5 Create center block
      • ● 26.2.6 Assemble and create center bracket
      • ● 26.2.7 Create screw and spring
      • ● 26.2.8 Create ipn file
    • ● 26.3 Rubick' s revenge design guide
  • 27 Top-down design(Storage tank DN1400 )
    • ● 27.1 Introduction
    • ● 27.2 Multi-body layout creation
    • ● 27.3 Assembly creation
    • ● 27.4 Assembly drawing creation
  • 28 Parameter and adaptive design
    • ● 28.1 A toy bow arrow
    • ● 28.2 A spatial roller motion
    • ● 28.3 A pneumatic valve
      • ● 28.3.1 Assembling
      • ● 28.3.2 Adaptive spring modeling
      • ● 28.3.3 Operating principle animation
  • 29 Simulation and Reverse design
    • ● 29.1 Winding machine simulation
    • ● 29.2 Cam reverse design
  • 30 Simulation and Generative design
    • ● 30.1 Example (Chinese pdf)
    • ● 30.2 Case 1
    • ● 30.3 Case 2
    • ● 30.4 Creative design  sample
    • ● 30.5 Student project show
23.8 Application-example 3