目录

  • 1 课程简介
    • 1.1 课程教学大纲
    • 1.2 主讲教师
    • 1.3 教学进程表
  • 2 电气工程基础知识
    • 2.1 电力系统概述
      • 2.1.1 任务一:认识电力系统
      • 2.1.2 情境一:电力系统的认识
    • 2.2 电气设备概述
      • 2.2.1 发电厂电气设备
        • 2.2.1.1 发电机安全
        • 2.2.1.2 高压电气设备
        • 2.2.1.3 电力变压器
        • 2.2.1.4 互感器
        • 2.2.1.5 电力电容器
    • 2.3 电气测量的重要意义
  • 3 电气信号采集
    • 3.1 数据采集系统的结构
    • 3.2 模拟信号调理
    • 3.3 电能计量互感器
      • 3.3.1 电流互感器
      • 3.3.2 电压互感器
      • 3.3.3 其他原理互感器
      • 3.3.4 互感器接线方式
  • 4 电气信号正弦参数估计
    • 4.1 DFT基础
      • 4.1.1 正弦信号与频域
      • 4.1.2 傅里叶级数与频谱
      • 4.1.3 DFT理论
      • 4.1.4 DFT的不足
    • 4.2 改进DFT参数估计
      • 4.2.1 抑制频谱泄漏
      • 4.2.2 频域插值算法
      • 4.2.3 相位差算法
  • 5 数字化电能计量
    • 5.1 电能计量基础
      • 5.1.1 单三相电能计量信号采集
      • 5.1.2 数字化变电站电能计量信号采集
    • 5.2 电能计量误差
      • 5.2.1 电能计量误差来源与准确度等级
      • 5.2.2 电能表与互感器误差
      • 5.2.3 电能计量装置综合误差
    • 5.3 电能表及性能
      • 5.3.1 电能表参数
      • 5.3.2 电能表测试标准与规程
      • 5.3.3 检测项目与分类结果
      • 5.3.4 机械要求
      • 5.3.5 新建课程目录
      • 5.3.6 新建课程目录
      • 5.3.7 气候试验要求
      • 5.3.8 电气性能试验要求
      • 5.3.9 检定装置
      • 5.3.10 新建课程目录
      • 5.3.11 准确度试验
      • 5.3.12 电磁兼容试验
      • 5.3.13 性能综合试验
    • 5.4 电能计量装置现场检验
      • 5.4.1 电能计量装置现场检验规程
      • 5.4.2 电能表现场检验
      • 5.4.3 互感器现场检验
  • 6 电力设备在线监测技术
    • 6.1 电力设备在线监测技术
  • 7 电容型设备运行状态监测
    • 7.1 电容型设备运行状态监测
  • 8 高级量测体系
    • 8.1 智能电网架构
    • 8.2 智能计量技术
    • 8.3 智能电网通信
  • 9 动态电气信号测量
    • 9.1 电能质量监测
    • 9.2 电气信号时频分析
  • 10 测量用互感器
    • 10.1 测量用互感器的构造原理
    • 10.2 互感器误差及准确度
    • 10.3 互感器的正确使用
    • 10.4 本章习题
  • 11 电工仪表与测量的基本知识
    • 11.1 电工仪表与测量的基本知识
    • 11.2 电工仪表的分类及表面标记
    • 11.3 测量方式和方法的分类
    • 11.4 电工仪表的误差及准确度等级
    • 11.5 测量误差及其消除办法
    • 11.6 电工测量仪表的正确使用
    • 11.7 本章习题
  • 12 直流电流和电压的测量
    • 12.1 直流电流和电压的测量
    • 12.2 磁电系测量机构
    • 12.3 磁电系仪表的主要技术特性
    • 12.4 磁电系电流、电压表
    • 12.5 本章习题
  • 13 电阻的测量
    • 13.1 电阻的测量概述
    • 13.2 伏安法测电阻
    • 13.3 单臂电桥
    • 13.4 双臂电桥
    • 13.5 绝缘电阻表
    • 13.6 接地电阻测试仪
    • 13.7 本章习题
    • 13.8 伏安法测电阻(实操)
    • 13.9 QJ23型直流单臂电桥测量电阻(实操)
    • 13.10 QJ44型直流双臂电桥测量电阻(实操)
    • 13.11 绝缘电阻表的使用(实操)
    • 13.12 接地电阻测试仪(实操)
  • 14 万用表
    • 14.1 万用表概述
    • 14.2 直流电流、电压的测量
    • 14.3 交流电压的测量
    • 14.4 直流电阻的测量
    • 14.5 电子式数字万用表
    • 14.6 万用表使用实例
    • 14.7 本章习题
  • 15 交流电流和电压的测量
    • 15.1 交流电流和电压的测量
    • 15.2 电磁系测量机构
    • 15.3 电磁系电流表和电压表
    • 15.4 电磁系仪表的主要技术特性
    • 15.5 钳形表
    • 15.6 本章习题
  • 16 功率的测量
    • 16.1 电动系测量机构
    • 16.2 电动系仪表
    • 16.3 电动系功率表
    • 16.4 电动系仪表的主要技术特性
    • 16.5 三相有功功率的测量
    • 16.6 三相无功功率的测量
    • 16.7 三相功率的测量(实操)
    • 16.8 本章习题
  • 17 电能表的使用与电能的测量
    • 17.1 电能表概述
    • 17.2 单相电能的测量
    • 17.3 三相有功电能表
    • 17.4 三相无功电能表
    • 17.5 电能表常见的几种错误接线分析(上)
    • 17.6 电能表常见的几种错误接线分析(下)
    • 17.7 本章习题
  • 18 频率表、相位表和功率因数表
    • 18.1 频率表、相位表和功率因数表
    • 18.2 本章习题
  • 19 测量用互感器
    • 19.1 测量用互感器的构造原理
    • 19.2 互感器误差及准确度
    • 19.3 互感器的正确使用
    • 19.4 本章习题
  • 20 项目二 电力系统通信网络技术及应用
    • 20.1 任务十一  计算机网络组成
    • 20.2 任务十二 常用网络设备及接口
    • 20.3 任务十三 变电站综合自动化的数据通信系统
    • 20.4 任务十四 配电网安全监控和数据采集系统
    • 20.5 任务十五 远程自动抄表技术 ARM
    • 20.6 任务十六 现场总线及应用
  • 21 故障录波装置简介
    • 21.1 故障录波装置简介
    • 21.2 故障录波装置视频
    • 21.3 电力系统基本知识
  • 22 学习情景八 防雷与防静电
    • 22.1 防雷
    • 22.2 防静电
  • 23 概论
    • 23.1 电气设备及其故障主因
    • 23.2 电气设备维修方式
    • 23.3 电气设备在线监测现状及发展趋势
    • 23.4 课程测验
  • 24 在线监测系统
    • 24.1 系统组成及分类
    • 24.2 变电站在线监测系统
  • 25 传感器
    • 25.1 温度传感器
    • 25.2 湿度传感
    • 25.3 电流传感器
    • 25.4 电压传感器
    • 25.5 振动传感器
    • 25.6 超高频传感器
  • 26 局部放电在线监测
    • 26.1 局部放电及电流法在线监测系统
    • 26.2 超声法局部放电在线监测系统
  • 27 介质损耗角正切值的在线监测
    • 27.1 介质损耗角正切值在线监测系统
  • 28 泄漏电流的在线监测
    • 28.1 泄漏电流在线监测系统
  • 29 特殊气体在线监测
    • 29.1 油中气体产生机理
    • 29.2 油中溶解气体在线监测系统
    • 29.3 SF6气体参量在线监测系统
  • 30 微水的在线监测
    • 30.1 微水在线监测系统
  • 31 温度的在线监测
    • 31.1 温度在线监测系统
  • 32 电阻及阻抗的在线监测
    • 32.1 各类电阻及阻抗
    • 32.2 绝缘电阻在线监测系统
  • 33 电容型设备的在线监测
    • 33.1 电容性设备在线监测系统
  • 34 其他相关参量的在线监测
    • 34.1 振动在线监测系统及应用
    • 34.2 红外技术在电气设备故障诊断中的应用(上)
    • 34.3 红外技术在电气设备故障诊断中的应用(下)
    • 34.4 光声谱在电气设备故障诊断中的应用
  • 35 电阻及阻抗的在线监测
    • 35.1 各类电阻及阻抗
    • 35.2 绝缘电阻在线监测系统
接地电阻测试仪

授课视频


接地电阻测试仪

接地电阻测试仪也称接地摇表,主要用于直接测量各种接地装置的接地电阻

其基本结构是由手摇发电机、电流互感器、调解电位器及检流计等组成。

电力系统中的接地按作用不同一般分为三种:

                       工作接地

                   ◆ 保护接地

                   ◆ 防雷接地

为了保证电气设备可靠运行而将系统中某一点接地称为工作接地

电气设备在运行中,因各种原因其绝缘可能发生击穿和漏电而使设备外壳带电,危及人身和设备安全,因此一般都要求将电气设备的外壳接地,这种接地称为保护接地

为了防止雷电袭击,在电气设备或输电线路上都装有避雷装置,而这些避雷装置也要可靠接地,这种接地称为防雷接地

在上述接地系统中,接地电阻的大小直接关系到人身和设备的安全,其大小与大地的结构、土壤的电阻率、接地体的几何尺寸及形状等因素有关。

各种不同电压等级的电气设备和输电线路对接地电阻的标准要求在相关规程中都有相应的规定。

如果接地电阻不符合要求,不仅不能保证安全,还会造成安全错觉,形成事故隐患。

因此,必须定期测量接地电阻。

接地及接地电阻的概念

所谓接地就是用金属导线将电气设备和输电线路需要接地的部分与埋在土壤中的金属接地体连接起来。

接地体的接地电阻包括接地体本身电阻接地线电阻接地体土壤的接触电阻大地的散流电阻

由于前三项电阻很小,可以忽略不计,故接地电阻一般就指散流电阻。

接地电阻的测量原理

大地之所以能够导电是因为土壤中含有电解质,如果测量接地电阻时施加的是直流电压,则会引起化学极化作用,使测量结果产生很大的误差,因此测量接地电阻时不能用直流电压,一般用交流电压。

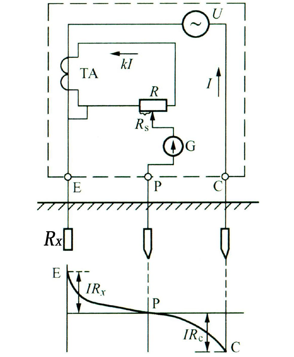
下图为用补偿法测量接地电阻的原理及电位分布图:

图中E为接地电极,P为电位辅助电极,C为电流辅助电极。E接接地体,P、C分别接电位探测针和电流探测针,三者应在一条直线上,间距不小于20m。被测接地电阻Rx就是E、P之间的土壤散流电阻,不包括电流辅助电极C的接地电阻。

扩展阅读