机车制动系统

司全龙

目录

  • 1 教学资料
    • 1.1 人才培养方案
    • 1.2 课程标准
    • 1.3 授课计划
    • 1.4 教案
  • 2 第一单元电力机车制动概述
    • 2.1 第1讲 电力机车制动系统相关名词
    • 2.2 第2讲 制动分类和简史
    • 2.3 第3讲 电力机车风源系统
      • 2.3.1 第4讲 韶山系列风源系统(压缩机和干燥器)
      • 2.3.2 第5讲  HX机车风源系统(压缩机和干燥器)
  • 3 JZ-7型制动机
    • 3.1 JZ-7制动机教学资料
  • 4 第二单元DK-1制动系统
    • 4.1 第6讲 DK-1制动机概述
    • 4.2 均衡风缸压力控制模块
      • 4.2.1 第7讲 电控制动控制器(大闸)
      • 4.2.2 第8讲 电空阀
      • 4.2.3 第9讲 空气制动阀(小闸)
      • 4.2.4 第10讲 调压阀
        • 4.2.4.1 第11讲 阶段性测试
    • 4.3 列车管压力控制模块
      • 4.3.1 第12讲 中继阀
      • 4.3.2 第13讲 电动放风阀
      • 4.3.3 第14讲  紧急阀
    • 4.4 制动缸(闸缸)压力控制模块
      • 4.4.1 第15讲 电空位分配阀作用原理
      • 4.4.2 第16讲 空气位分配阀作用原理
    • 4.5 第17讲 重联阀
    • 4.6 第18讲 无动力回送装置和调压阀
    • 4.7 第19讲 电空位下DK-1制动机综合作用原理
    • 4.8 第20讲 空气位下DK-1制动机综合作用原理
    • 4.9 第21讲 电空位与空气位转换
    • 4.10 第22讲 DK-1制动机五步闸试验
    • 4.11 第23讲 DK-1制动机八步闸试验和阶段测试
    • 4.12 第24讲 DK-1制动机无火回送
    • 4.13 DK-1制动机常见故障分析与处理
  • 5 第三单元CCBII型制动机
    • 5.1 第25讲 CCBII制动机概述
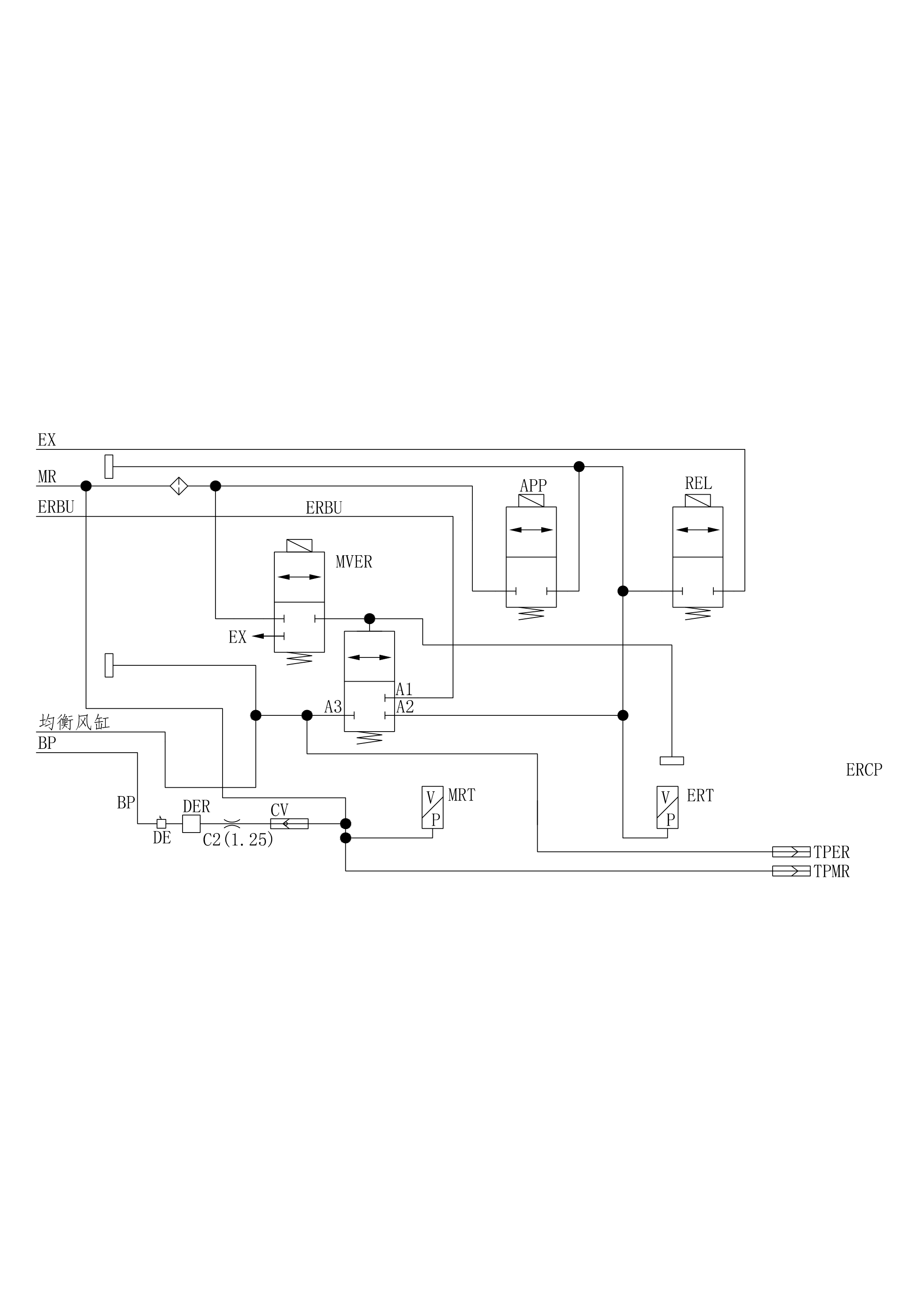
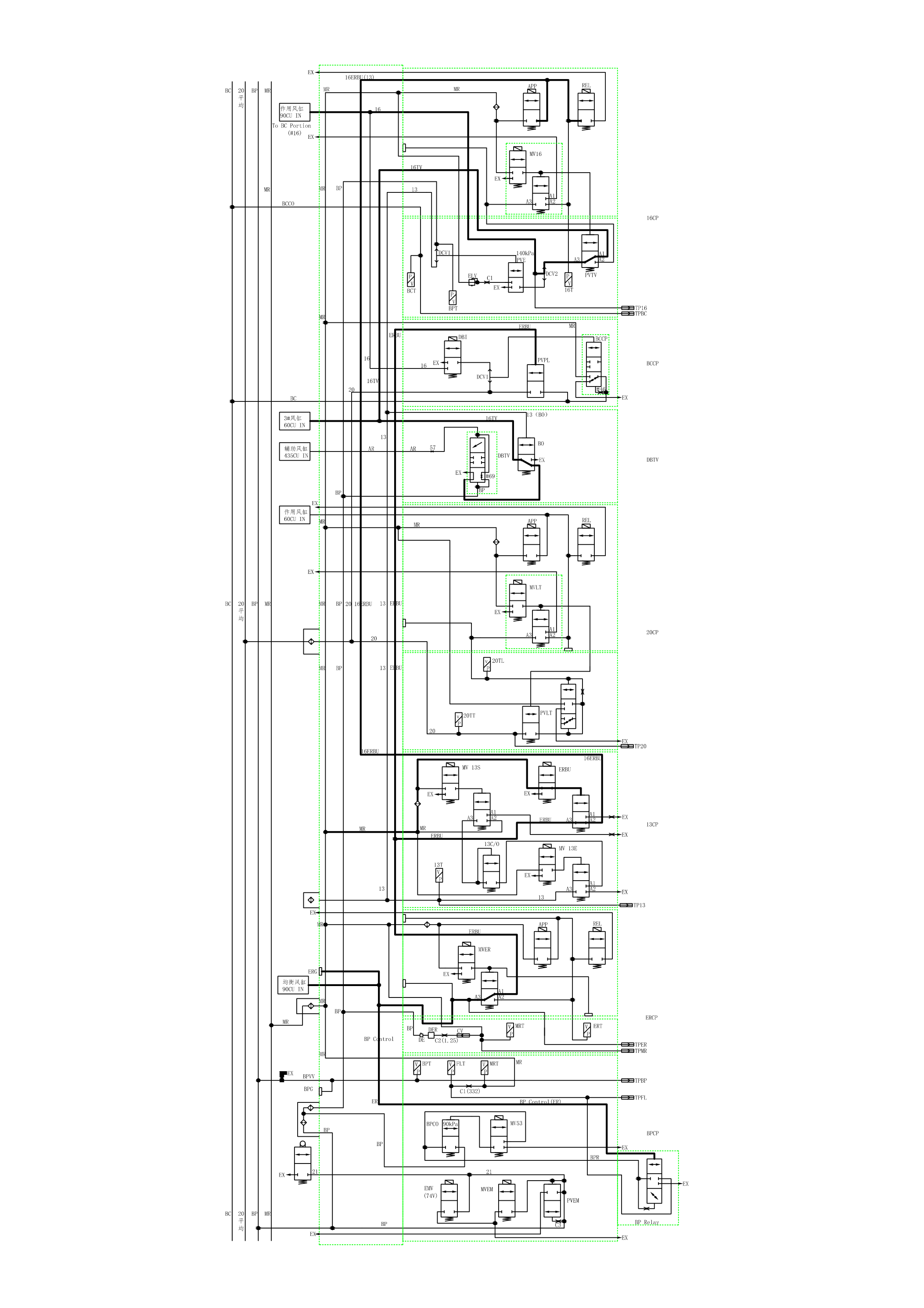
    • 5.2 第26讲 均衡风缸控制模块ERCP
    • 5.3 第27讲 制动管控制模块BPCP
    • 5.4 第28讲 16CP控制模块
    • 5.5 第29讲 20CP控制模块
    • 5.6 第30讲 13CP控制模块
    • 5.7 第31讲 BCCP制动缸控制模块
    • 5.8 第32讲 DBTV备用模块
    • 5.9 CCBII制动综合控制作用
    • 5.10 第33讲 CCBII制动机辅助控制
    • 5.11 第35讲 CCBII制动机设置与操作
    • 5.12 第36讲 CCBII制动机五步闸试验
    • 5.13 第37讲 CCBII制动机无火回送
    • 5.14 第38讲 CCBII制动机常见故障处理
  • 6 第四单元法维莱制动系统
    • 6.1 第39讲 HXD2制动系统风源系统1
    • 6.2 第40讲 制动控制系统原理2
    • 6.3 第41讲 HXD2培训法维莱制动机模块3
    • 6.4 第42讲 HXD2C制动机操作与故障4
第26讲 均衡风缸控制模块ERCP