无刀补加工编程
-
1 无刀补加工案例1
-
2 无刀补加工案例2
-
3 无刀补二维仿真加工
-
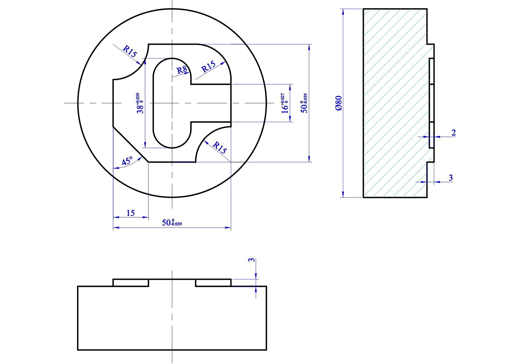
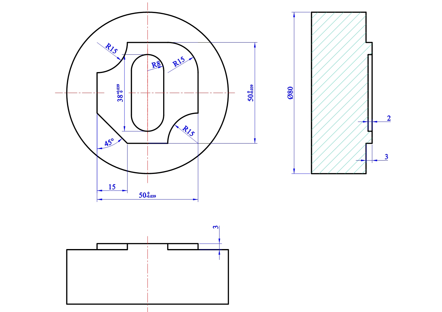
4 零件图1
-
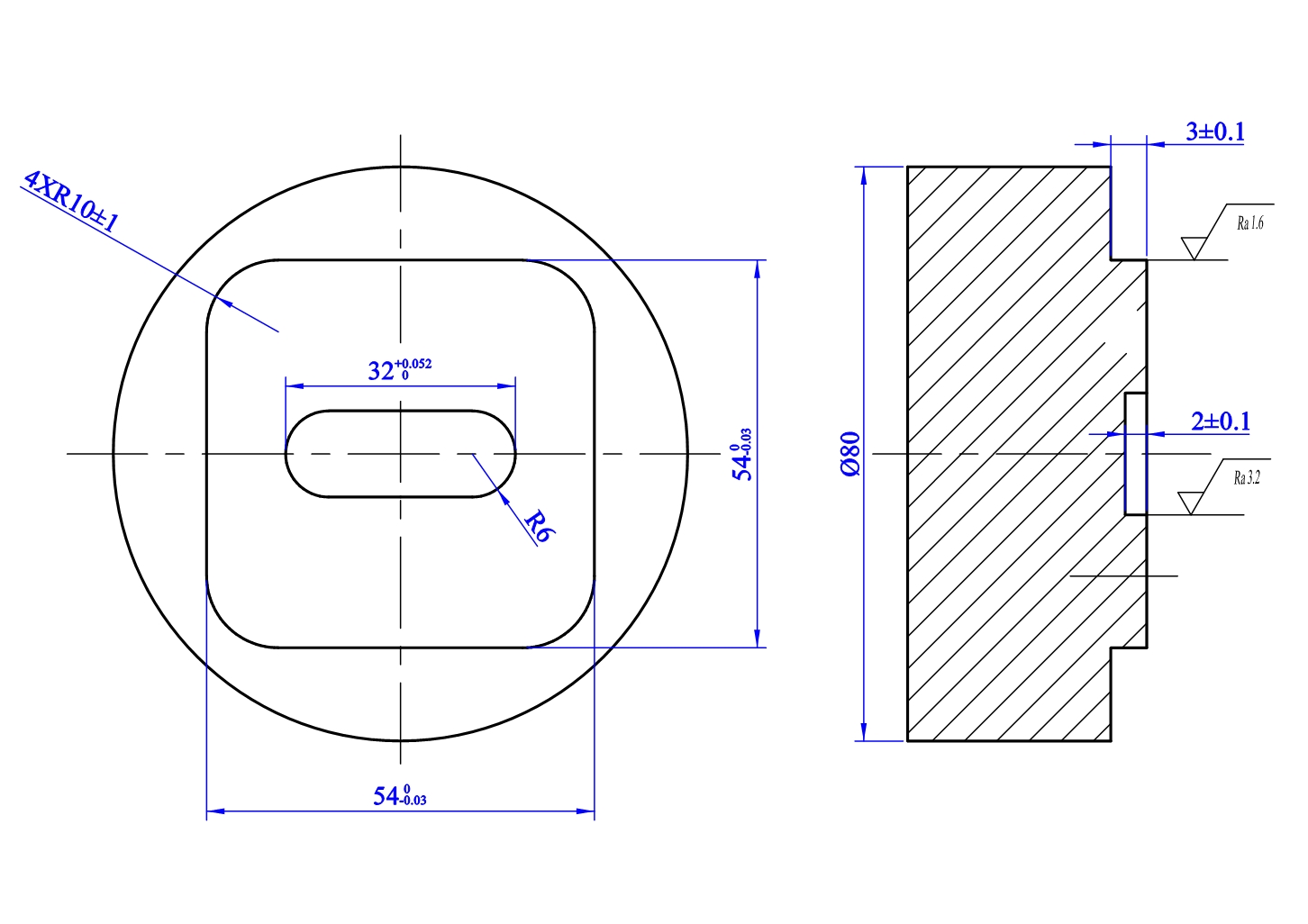
5 零件图2
-
6 零件图3
-
7 零件图4
-
8 零件图5
-
9 零件图6
-
10 零件图7
-
11 零件图8
-
12 零件图9
上一节
下一节










