旋转指令
-
1 课件:旋转指令
-
2 子程序
-
3 旋转二维刀路
-
4 旋转仿真加工
-
5 编程案例:旋转指令
-
6 看微课:旋转指令
-
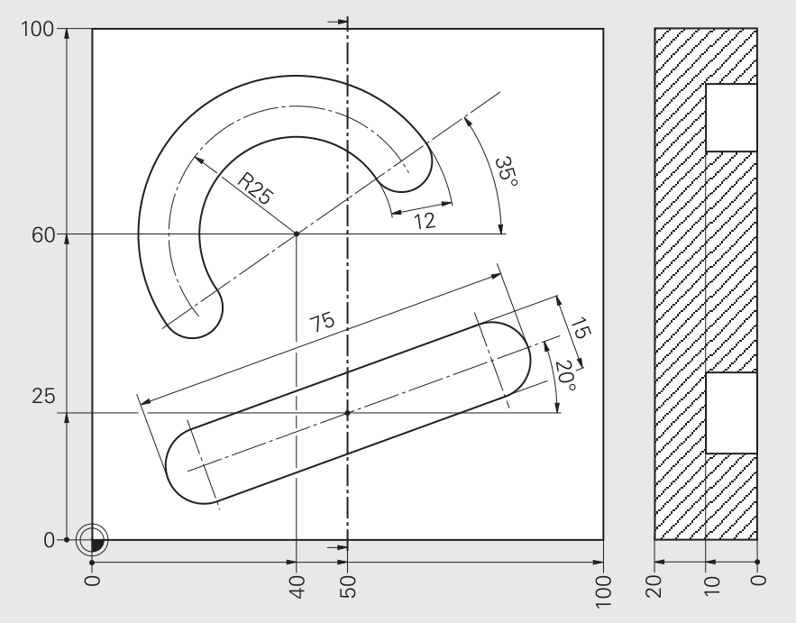
7 旋转图纸
上一节
下一节


