一、A/D转换器功能测试
ADC 用来将模拟信号转换成一组相应的二进制代码,输出数字量与模拟量之间的关系为
式中,n为编码位数, Dn 为输出的数字量, Vin 为输入电压, Vref 为参考电压。
在 Multisim 中,单击单击“放置杂项元件”→ “ADC _ DAC” →“ADC” 命令,放置 ADC,它是一个8位的ADC , Vin为模拟电压输入端,Vref +为参考电压“+”端,Vref -为参考电压“-”端,一般与地相连,SOC启动转换信号端,只有从低电平变成高电平时,转换才开始,OE 为输出允许端, EOC为转换结束标志,高电平表示转换结束,D7~D0是8位数字量输出端。电路如图8.11所示。
测试过程:打开仿真开关,调整R1电位器阻值,改变模拟电压输入值,用电压表显示电压值,输出指示灯的亮灭表示转换出的数码,灯亮为1,灯不亮为0。转换结束后,当开关J1由低电平变为高电平时允许输出。
将输出的8位二进制代入下面式子计算输入模拟电压值,与仿真的结果进行比较。
在图中Dn =01111111,转成相应的十进制数为27,代入计算得到电压为2.5V,与电压表测量值一致。调整电阻R1的阻值,改变输入电压,与输出数字量计算得到的电压相比较。

图8.11 A/D转换器功能测试
二、D/A转换器功能测试
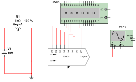
在 Multisim 中,单击“放置杂项元件”→ “ADC _ DAC” →“DAC” 命令,放置 DAC,如图8.12所示。它是一个8位的 DAC ,Vref +为参考电压“+”端, Vref -为参考电压“-”端, Vref +与Vref -端的电压差表示要转换的模拟电压范围,也就是DAC的满度输出电压,D7~D0是8位数字量输入端,Output 为DAC转换的模拟电压输出端。
DAC数码输入端全为1时,DAC的输出电压称为满度输出电压,它决定了DAC的电压输出范围。DAC数码输入端全为0时,DAC的输出电压称为输出偏移电压,理想中的DAC 输出偏移电压为0。DAC 输出的模拟量与输入的数字量之间的关系为
式中,n为编码位数, Dn 为输入的数字量, Vref 为参考电压, uo为输出量模拟电压。
测试过程:
设置字信号发生器为加计数器,能够连续地输出0~255的数字,如图8.13所示。这种连接方式使8位 DAC 能够覆盖0~5整个输出范围,并完成255级8位计数。字信号发生器的编码通过 DAC 在输出端得到模拟电压,可以用示波器观察其波形。
单击“仿真”开关,调整1kΩ电位器,使 DAC 输出电压尽量接近5V,双击示波器图标,打开示波器面板,观察示波器显示的电压波形和电压表指示数值,如图8.14所示。从示波器上观察到255级计数的输出电压波形,在任何指定的电压范围内,计数的级数越多,则DAC的输出越接近真实的模拟信号,数-模的转换的分辨率也越高。

图8.12 D/A转换器功能测试


图8.13 字发生器设置界面

图8.14 示波器显示的波形

