编码器、译码器功能仿真测试
上一节
下一节
一、集成优先编码器功能测试
打开Multisim软件,放置8线-3线优先编码器74LS148 建立如图3.15所示的测试电路。图中开关S1控制编码器的八个输入端,开关向左拨动为高电平1,向右拨动为低电平0,输入端低电平有效,拨动开关使得编码器选取不同的输入信号;由于输出端低电平有效,需要通过反相器反相后驱动数码管显示相应的数字,数码管最高位接低电平。
启动仿真,可观察到当D4和D5同时有编码请求时,编码器只对D5编码,数码管显示5,可见输入端数字越大,优先级越高,编码器只对优先级最高的输入信息编码。

图3.15 优先编码器74LS148功能验证
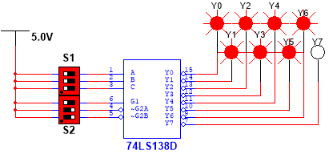
二、译码器器功能测试
打开Multisim软件,放置3线-8线译码器74LS138 ,建立如图3.16所示的测试电路。将三个输入端A、B、C接三路逻辑开关,三个控制端接三路逻辑开关,只有当控制端为100组合时,译码器才能工作。Y₀~Y₇是输出端,低电平有效,接电平指示灯。
启动仿真,拨动逻辑开关,输入A、B、C不同组合,观察输出指示灯,验证74LS138 的逻辑功能。如图3.16所示,ABC=111,,输出低电平,对应的灯不亮,其余输入端均为高电平。

图3.16 译码器74LS138功能验证

