一、逻辑变换器
顾名思义,逻辑变换器是将逻辑关系的各种描述方法进行相互转换的仪器,它是 Multisim14的一个虚拟仪器。在逻辑变换器中可以进行逻辑表达式的化简,还可以进行真值表、逻辑表达式和逻辑电路之间的相互转换,给数字逻辑电路的设计与仿真带来很大方便。
单击主界面右侧虚拟仪器工具栏上的逻辑变换器图标按钮,逻辑变换器出现在光标下,在工作区域单击鼠标左键,将逻辑变换器放置在适当位置。逻辑变换器如图2.3所示。逻辑变换器有8个输入端,最右边一个是输出端。

图2.3 逻辑转换仪
双击逻辑转换仪可以打开其工作面板,如图2.4所示。逻辑转换仪的面板分为输入端、真值表区、逻辑表达式栏和转换按钮四个区域。
1.输入端有A~H 共8个,灰色表示尚未使用,单击输入端,变成白色,表示使用该输入端。
2.真值表区有三列,左边一列是输入组合的二进制序号,中间一列是输入的取值组合,右边一列是输出。单击输入端后,会自动在真值表区的左边和中间列出序号和输入取值,用户右边的取值,其值会在0、1和X 之间变化。
3.逻辑表达式栏用于显示逻辑表达式,因无“非”符号,所以用撇号“’”表示非符号。
4.转换按钮提供了六个用于转换的按钮,其图形是比较形象的,分别是逻辑图转真值表、真值表转逻辑表达式、真值表转最简表达式、逻辑表达式转真值表、逻辑表达式转逻辑图、逻辑表达式转与非门构成的逻辑图。

图2. 4 逻辑转换仪面板
二、 用逻辑变换器进行逻辑关系的化简和转换
下面以逻辑函数为例,介绍如何用逻辑变换器进行逻辑函数的化简和转换。
1.逻辑表达式→真值表
首先,在逻辑表达式栏输入待化简的逻辑表达式,逻辑非用’符号,如图2.5所示。点击右侧第四个图标按钮,在真值表区出现真值表。

图2.5 “逻辑表达式→真值表”的转换
2.真值表→逻辑表达式
这次我们先输入真值表,选择输入端,分别单击输入端A、B,真值表区自动出现输入组合,在输出列单击输出,其值会在0、1和X 之间变化,选择需要的输出值,如图2.6 所示。点击右侧第二个图标按钮,在下方逻辑表达式栏可以看到逻辑表达式。

图2.6“真值表→逻辑表达式”的转换
2.真值表→逻辑图
点击右侧第五个图标按钮,逻辑变换器自动生成逻辑图,这个逻辑图是没有化简之前的逻辑图,如图2.7所示。逻辑符号的显示模式可在全局偏好中设置为国内符号或国际符号,逻辑符号的显示内容可点击右键属性进行设置。

图2.7 “真值表→逻辑图”的转换
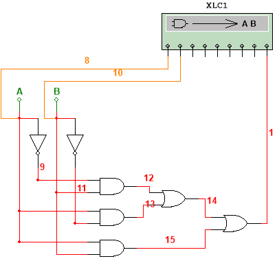
4.逻辑图→真值表
将生成的逻辑图与逻辑变换器的输入和输出相连,如图2-8所示,双击逻辑变换器,打开面板,点击右侧第一个图标按钮,在真值表区出现真值表如图2.8所示。

图2.8 “逻辑图→真值表”的转换
5.真值表→最简逻辑表达式
点击右侧第三个图标按钮,在逻辑表达式栏出现化简后的最简逻辑表达式A+B, 如图2.9所示。

图2.9 “真值表→最简逻辑表达式”的转换
6.最简逻辑表达式→逻辑图
再次点击右侧第五个图标按钮,逻辑变换器自动生成逻辑图,这个逻辑图是化简之后的最简逻辑图,可以看出经过化简,逻辑图简单了很多,如图2.10所示。

图2.10 “最简逻辑表达式→逻辑图”的转换

