墙柱面、天棚工程清单工程量计算与计价
-
1 导学
-
2 PPT
-
3 视频
-
4 课程思政
-
5 测验
上一节
下一节
学习目标:
通过本章节的学习,了解装饰工程清单项目的划分;熟悉油漆、涂料、裱糊及其他工程清单工程量计算;掌握墙、柱面及顶棚工程工程量计算。
重点、难点:
重点:柱面及顶棚工程清单工程量计算规则。
难点:墙、柱面及顶棚工程工程量计算。
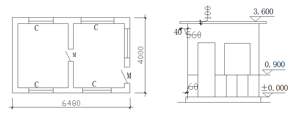
课程导入:
某工程如图所示,外墙面抹水泥砂浆,底层为1:3水泥砂浆打底14mm厚,面层为1:2水泥砂浆抹面6mm厚;外墙裙水刷石,1:3水泥砂浆打底12mm厚,素水泥浆二遍,1:2.5水泥白石子10mm厚(介格),挑檐水刷白石,厚度与配合比均与定额相同,计算外墙面抹灰和外墙裙及挑檐装饰抹灰工程量,确定清单工程量。
M:1000mm×2500mm


