工程制图与CAD

刁修慧、钱文伟、陈韵、焦芳敏、李炎光、胡新颖、王任远

目录

  • 第一章 制图的基本知识
    • ● 导学单
    • ● 1.1国家标准有关制图的基本规定
    • ● 导学单
    • ● 1.3几何作图
    • ● 1.4平面图形的分析及画图步骤
    • ● 1.5绘图方法
    • ● 思政小课堂:生活中的国家标准
    • ● 拓展:国际制图标准
  • 第二章 正投影法
    • ● 导学单
    • ● 2.1投影法的基本知识
    • ● 2.2点的投影
    • ● 导学单
    • ● 2.3直线的投影
    • ● 导学单
    • ● 2.4平面的投影
    • ● 思政小课堂:谈古论今话投影
  • 第三章 立体的投影
    • ● 导学单
    • ● 3.1基本立体的投影(1)
    • ● 3.1基本立体的投影(2)
    • ● 导学单
    • ● 3.2切割体的投影(1)
    • ● 3.2切割体的投影(2)
    • ● 导学单
    • ● 3.3相贯体的投影
    • ● 章节测试
    • ● 思政小课堂:李克强赠默克尔“鲁班锁”深意何在?
    • ● 思政小课堂:蛇形机器人
  • 第四章 组合体
    • ● 导学单
    • ● 4.1组合体视图的基本知识
    • ● 4.2组合体视图的画法
    • ● 导学单
    • ● 4.3组合体的尺寸标注
    • ● 导学单
    • ● 4.4组合体的读图
    • ● 思政小课堂:大国工匠之文墨公差
  • 第六章 机件的表达方法
    • ● 导学单
    • ● 6.1视图
    • ● 6.2剖视图
    • ● 导学单
    • ● 6.3断面图
    • ● 6.4简化画法6.5局部放大图
    • ● 章节测试
    • ● 思政小课堂:工程图中的美
  • 第七章 常用零部件和结构要素表示法
    • ● 导学单
    • ● 7.1螺纹
    • ● 7.2螺纹紧固件及其连接
    • ● 导学单
    • ● 7.3-7.6键、销、滚动轴承、齿轮、弹簧
    • ● 章节测试
    • ● 思政小课堂:我国的标准件发展路程
  • 第八章 零件图
    • ● 8.1零件图的作用和内容
    • ● 8.2零件图表达方案的确定
    • ● 8.3零件图的尺寸标注
    • ● 8.5产品几何技术规范
    • ● 思政小课堂:《器象显真》机械图样
  • 第九章 装配图
    • ● 9.1装配图的作用和内容
    • ● 9.2装配图的视图表达
    • ● 9.3装配图的尺寸标注和技术要求
    • ● 9.4装配图中的零部件序号和明细栏
    • ● 9.5常见的装配结构和装置
    • ● 9.6读装配图
    • ● 拓展:画装配图的方法和步骤
  • 第十章电气工程图
    • ● 10.1系统图和框图
  • 第十一章 SOLIDWORKS基础
    • ● 第1次上机--SOLIDWORKS基础实践和基本体的建模
    • ● 第2次上机--组合体建模
    • ● 第3次上机--组合体的构型设计
    • ● 第4次上机--典型零件建模
    • ● 0.下载
    • ● 1.硬盘分区+禁网卡
    • ● 2.Solidworks2016安装
    • ● 拓展模块--三维转换二维
    • ● 拓展模块--习题集练习
      • ● 45页1
      • ● 45页2
      • ● 46页1
      • ● 46页2
      • ● 63页
    • ● 思政小课堂:先进成图技术的前沿动态
  • 第十二章AutoCAD基础
    • ● 11.1AutoCAD绘图环境及基本操作
      • ● 11.1.1熟悉AutoCAD用户界面
      • ● 11.1.2用AutoCAD绘制图形的基本过程
      • ● 11.1.3布置用户界面,练习AutoCAD基本操作
      • ● 11.1.4创建图层、改变图层状态及修改线型比例等
    • ● 11.2绘制和编辑线段、平行线及圆
      • ● 11.2.1输入点的坐标绘制线段
      • ● 11.2.2利用画线辅助工具绘制平面图形
      • ● 11.2.3绘制切线、圆及圆弧
      • ● 11.2.4利用复制命令阵列对象
      • ● 11.2.5旋转对象
      • ● 11.2.6练习曲轴零件图
    • ● 11.3绘制和编辑多边形,椭圆及剖面图案
      • ● 11.3.1矩形阵列对象
      • ● 11.3.2绘制对称图形
      • ● 11.3.3对齐对象
      • ● 11.3.4拉伸对象
      • ● 11.3.5画断裂线及填充剖面案
    • ● 11.4绘制和编辑多段线、点对象及面域
      • ● 11.4.1创建多线样式及多线
      • ● 11.4.2绘制包含圆点、多段线等对象图形
    • ● 11.5书写文字及标注尺寸
      • ● 11.5.1创建国标文字样式及添加单行文字
      • ● 11.5.2在多行文字中加入特殊字符
      • ● 11.5.3创建分数及公差形式文字
      • ● 11.5.4创建及填写标题栏
    • ● 11.6查询信息、块及外部参照
      • ● 11.6.1查询图形信息综合练习
      • ● 11.6.2定制及插入标准件块
      • ● 11.6.3引用外部图形
    • ● 11.7零件图
      • ● 11.7.1绘制传动轴零件图
      • ● 11.7.2绘制连接盘零件图
  • 趣味制图
    • ● 球系列--UG
    • ● 趣味三星堆面具--UG
    • ● 学生作品展示
    • ● 趣味图纸--AutoCAD
  • 高教杯园地
    • ● 烟灰缸
    • ● 第九届高教杯大赛
    • ● 工程图
    • ● 高教杯练习图
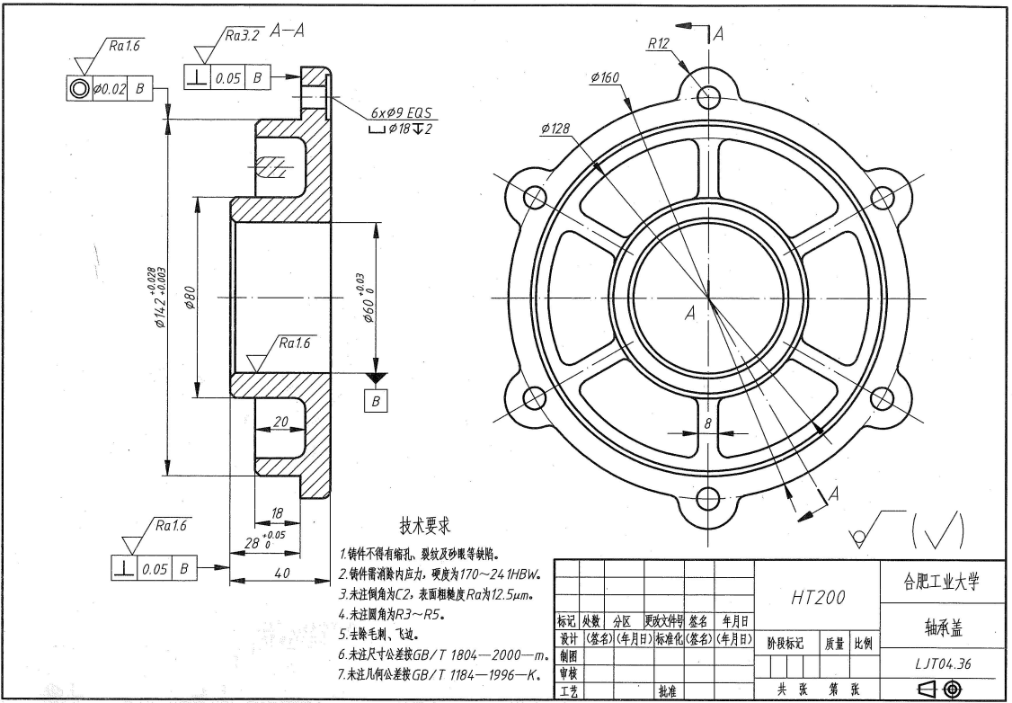
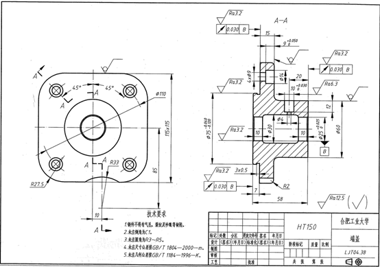
第4次上机--典型零件建模

第4次上机-图1

 

4次上机--2   

 

4次上机--3