-
1 机构构型方案的创...
-
2 课程视频
机构的组合创新
机构的组合原理:
将几个基本机构按一定的原则或规律组合成一个复杂的机构,这个复杂的机构一般有两种形式,一种是几种基本机构融合成性能更加完善、运动形式更加多样化的新机构,被称为组合机构。另一种则是几种基本机构组合在一起,组合体的各基本机构还保持各自特性,但需要各个机构的运动或动作协调配合,以实现组合的目的,这种形式被称为机构组合。
单一的基本机构具有一定的局限性,使其在某些性能上不能满足要求:
连杆机构:不能精确地实现任意给定的运动规律
凸轮机构:虽然可以实现任意的运动规律,但行程小且行程不可调
齿轮机构:只能实现一定规律的连续单向转动,但不适合远距离传动
..................
基本机构的应用
1.利用机构的组成原理,不断连接各类杆组,组成复杂的机构系统。
2.按照串联规则组合基本机构,组成复杂的串联机构系统。
3.按照并联规则组合基本机构,组成复杂的并联机构系统。
4.按照叠加规则组合基本机构,组成复杂的叠加机构系统。
5.按照封闭规则组合基本机构,组成复杂的封闭机构系统。
6.上述方法的混合连接,可得复杂的机构系统。
机构的串联组合
概念:机构的串联组合是指若干个单自由度的基本机构顺序联接在一起。前一个机构称为前置机构,后一个机构称为后置机构。每一个前置机构的输出运动是后置机构的输入。
分类:根据参与组合的前后机构连接点的不同进行划分。联接点可以设在前置机构中作简单运动的连架杆上,称其为Ⅰ型串联;联接点也可以设在前置机构中作平面复杂运动的构件上,称作Ⅱ型串联。
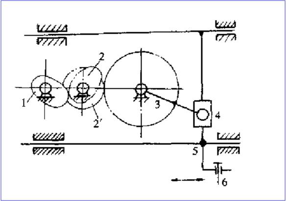
串联机构组合的示例






机构的并联组合
两个或多个基本机构并列布置,称为机构的并联组合。
串联机构组合的示例










机构的叠加
机构的封闭组合
概念:一个两自由度机构中的两个输入构件或两个输出构件或一个输出构件和一个输入构件用单自由度机构连接起来,形成一个单自由度的自由机构系统,称为封闭式连接。
特征:基础机构为二自由度,附加机构为单自由度。
机构的混合组合方式
工程中,串联组合、并联组合、叠加组合以及封闭组合等方法经常联合应用,称为混合组合法,如串联后再并联,串联后再叠加等。

