一、填空题:
1、DNC是指 。FMC则是 。
2、FANUC系统中指令顺圆插补指令是 ,逆圆插补指令是 。
3、在数控编程中,是依刀具 的运动轨迹来描述加工过程的,加工时也应按 对刀。
4、X坐标轴一般是 的,与工件安装面 ,且垂直Z坐标轴。
5、机床接通电源后的回零操作是使刀具或工作台退回到 。
6、在指定固定循环之前,必须用辅助功能 使主轴 。
7、建立或取消刀具半径补偿的偏置是在 的执行过程中完成的。
8、在FAUNC车床数控系统中,进行恒线速度控制的指令是 ,子程序结束并返回主程序的指令是 。
9、一个简单的车削固定循环程序段可以完成 、 、 、 ,这四种常见的加工顺序动作。
10、在编制数控机床加工程序时,应考虑工件原点、刀具相关点和机床原点之间的的相互关系。工件原点是指在工件上建立的坐标原点,刀具相关点是指 ,机床原点是指 。
二、选择题:
1、在管道中流动的油液,其流量的计算是 ( )。
A.压力*作用力 B.功率*面积 C.流速*截面积
2、液压回路主要由能源部分、控制部分和( )部分构成。
A. 换向 B.执行机构 C. 调压
3、 车削用量的选择原则是:粗车时,一般 ,最后确定一个合适的切削速度v。
A. 应首先选择尽可能大的吃刀量ap,其次选择较大的进给量f;
B. 应首先选择尽可能小的吃刀量ap,其次选择较大的进给量f;
C. 应首先选择尽可能大的吃刀量ap,其次选择较小的进给量f;
D. 应首先选择尽可能小的吃刀量ap,其次选择较小的进给量f。
4、所谓联机诊断,是指数控计算机中的( )
A 远程诊断能力; B、自诊断能力; C、脱机诊断能力; D、通信诊断能力。
5、数字积分插补法的插补误差( )
A、总是小于1个脉冲当量; B、总是等于1个脉冲当量;
C、总是大于1个脉冲当星; D、有时可能大于1个脉冲当量。
6、 FMC是指( )。
A柔性制造单元 B计算机数控系统 C柔性制造系统 D数控加工中心
7、数控车床与普通车床相比在结构上差别最大的部件是( )。
A.主轴箱 B. 床身 C.进给传动 D.刀架
8、 三视图之间的投影规律是( )
A高对正、宽平齐、长相等 B长对正、宽平齐、高相等
C长对正、高平齐、宽相等 D高对正、长平齐、宽相等
9、在正常切削过程中,由于刀具磨损所引起的尺寸误差属于( )
A随机误差 B 变值系统误差 C 定值系统误差 D 粗大误差
10、数控机床的诞生是在( )年代。
A.50年代 B. 60年代 C.70年代
三、判断题:
1、刀具半径补偿是一种平面补偿,而不是轴的补偿。 ( )
2、固定循环是预先给定一系列操作,用来控制机床的位移或主轴运转。 ( )
3、数控车床的刀具补偿功能有刀尖半径补偿与刀具位置补偿。 ( )
4、刀具补偿寄存器内只允许存入正值。 ( )
5、数控机床的机床坐标原点和机床参考点是重合的。 ( )
6、机床参考点在机床上是一个浮动的点。 ( )
7、外圆粗车循环方式适合于加工棒料毛坯除去较大余量的切削。 ( )
8、固定形状粗车循环方式适合于加工已基本铸造或锻造成型的工件。 ( )
9、外圆粗车循环方式适合于加工已基本铸造或锻造成型的工件。 ( )
10、刀具补偿功能包括刀补的建立、刀补的执行和刀补的取消三个阶段。 ( )
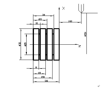
四、编程题:
编写如图所示零件加工程序,图中槽宽2mm。已知毛坏直径为φ32mm,长度为50mm,一号刀为外圆车刀,三号刀为切断刀,其宽度为2mm。


