一、填空题:
1、FANUC系统中M01指令的功能是 。M02指令的功能是 。
2、FANUC系统中G02指令在XZ平面内的格式是 。
3、在编程中,刀具(或机床)运动位置的坐标值是相对于固定的坐标原点给出的,该坐标系称为 。
4、数控线切割机床U、V移动工作台,是具有_____________加工功能的电火花线切割机床的一个组成部分。
5、数控机床的三个原点是指 、 、 。
6、常用的对刀方法有机外对刀仪对刀、 、 、 四种。
7、对于FANUC-0i系统数控车床,如刀具当前位置在点A(10,-20),执行程序段G01 U20.0 W50.0 F100后刀具将位于点B,则B点的绝对坐标为( , );该程序段中F100表示的意义是: 。
8、在MC加工时,常用的高性能刀具材料有硬质合金刀具(涂层)、________和_________等。
9、数控系统只能接受 信息,国际上广泛采用两种标准代码为 、 。
10、数控车床的混合编程是指 。
二、选择题:
1 、在数控机床坐标系中平行机床主轴的直线运动为( )。
A.X轴 B.Y轴 C.Z轴
2、 绕X轴旋转的回转运动坐标轴是( )。
A.A轴 B. B轴 C. Z轴
3、影响数控加工切屑形状的切削用量三要素中( )影响最大。
A.切削速度 B.进给量 C.进给量
4、数控加工中心的钻孔固定循环功能适用于( )
A.曲面形状加工 B﹒平面形状加工 C﹒孔系加工
5、程序中指定了( )时,刀具半径补偿被撤消。
A. G40 B. G41 C. G42
6、G00的指令移动速度值是( )
A.机床参数指定 B 数控程序指定 C 操作面板指定
7、全闭循环伺服系统与半闭循环伺服系统的区别取决于运动部件上的( )。
A.执行机构 B. 反馈信号 C.检测组件
8、数控铣床一般采用半死循环控制方式,它的位置检测器是( )
A.光栅尺 B.脉冲编码器 C.感应同步器
9、在CRT/MDI面板的功能键中,显示机床现在位置的键是( )。
A.POS B.PRGRM C.OFFSET
10、在工序卡图上,用来确定本工序所加工后的尺寸、形状、位置的基准称为( )。
A、装配 B、测量 C、定位 D、工序
三、判断题:
1、车床主轴编码器的作用是防止切削螺纹时乱扣。 ( )
2、跟刀架是固定在机床导轨上来抵消车削时的径向切削力的。 ( )
3、切削速度增大时,切削温度升高,刀具耐用度大。 ( )
4、数控机床进给传动机构中采用滚珠丝杠的原因主要是为了提高丝杠精度。 ( )
5、数控车床可以车削直线、斜线、圆弧、公制和英制螺纹、圆柱管螺纹、圆锥螺纹,但是不能车削多头螺纹。 ( )
6、平行度的符号是 //,垂直度的符号是┸。 ( )
7、数控机床为了避免运动件运动时出现爬行现象,可以通过减少运动件的摩擦来实现。 ( )
8、切削中,对切削力影响较小的是前角和主偏角。 ( )
9、同一工件,无论用数控机床加工还是用普通机床加工,其工序都一样。 ( )
10、数控机床的定位精度与数控机床的分辨率精度是一致的。 ( )
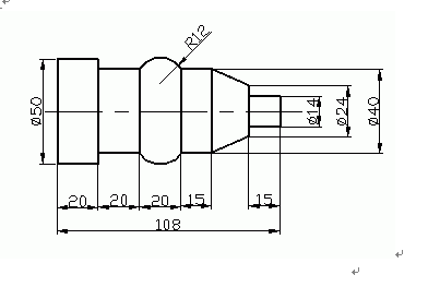
四、编程题:
编写如图所示工件轮廓精加工程序。


