课堂练习
上一节
下一节
课堂练习题
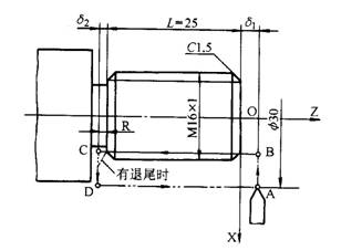
车削下图M16×1的螺纹部分,螺纹大径为ф16mm,总背吃刀量为0.65 mm,三次进给背吃刀量(半径值)分别为ap1=0.3mm、ap2=0.2mm、ap3=0.15mm,进退刀段取1=2mm、2=1mm。

目录
课堂练习题
车削下图M16×1的螺纹部分,螺纹大径为ф16mm,总背吃刀量为0.65 mm,三次进给背吃刀量(半径值)分别为ap1=0.3mm、ap2=0.2mm、ap3=0.15mm,进退刀段取1=2mm、2=1mm。
