任务3.1 常用指示器件的使用
本章主要介绍Multisim中虚拟仪器的有关内容,包括指示灯、 数码管、 电压、 电流表、 万用表、 示波器、 波特图示仪、 频谱分析仪、 信号发生器、 逻辑分析仪、 逻辑转换仪的使用, 是学习Multisim软件的基础知识,是利用Multisim进行电路设计与仿真的基本工具,是每一名EDA从业人员必须了解和具备的知识。
Multisim10提供了丰富的元器件库,元器件库栏图标和名称如图3-1所示,每个元件库放置同一类型的元件,从左到右分别是:电源库(Sources)、基本元件库(Basic)、二极管库(Diode)、三极管库(Transistor)、模拟元件库(Analog)、TTL元件库(TTL)、CMOS元件库(CMOS)、各种数字元件库(MiscDigital)、数模混合元件库(Mixed)、指示元件库(Indicator)、混合元件库(MiscellaneousComponents)、机电类元件库(Electromechanical)、射频元件库(RF)。
指示元件库(Indicator)提供了常用的指示器件,指示器件库(Indicator)包含有指示灯、电压表、电流表、七段数码管等多种器件。方便观察、测量电路参数,如图3-2所示。

3.1.1 指示灯的使用
指示灯包括电压探测器(Probe)、灯泡、条形光柱的使用,电压探测器相当于一个发光二极管,但它是一个单端元件,当其端电压大于设定值时,探测器被点亮。
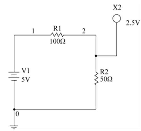
条形光柱(BARGRAPH)类似于几个LED发光二极管的串联,当电压超过某个电压值时,相应的LED之下的数个LED全部点亮,它可以指示当前的电平状态。以图3-3所示电路为例说明电压探测器(PROBE)的功能及使用方法。
新建文件,首先添加元件,添加电源V1,单击工具栏电源库(Sources)按钮,弹出选择元件(Selecta componet)对话框,选择系列(family)为POWER_SOURCES,元件选择直流电源(DC_POWER),单击确定按钮,在电路图中适当位置单击鼠标左键放置直流电源。

接着添加R1、R2两个电阻,单击工具栏基本元件库(Basic),弹出选择元件(Selecta componet)对话框如图3-5所示。选择系列(family)为RESISTOR,元件选择阻值为50的电阻,单击确定按钮,在电路图中适当位置单击鼠标左键放置电阻RESISTOR。
单击工具栏电源库(Sources)按钮,弹出选择元件(Selecta componet)对话框,选择系列(family)为POWER_SOURCES,元件(componet)选择模拟地(GROUND),单击确定按钮,在电路图中适当位置单击鼠标左键放置模拟地(GROUND),如图3-6所示。
单击工具栏指示元件库(Indicator)按钮,弹出选择元件(Selecta componet)对话框,选择系列(Family)为电压探测器(PROBE),元件(Componet)选择电压探测器蓝色(PROBE_BLUE),单击确定按钮,在电路图中适当位置单击鼠标左键放置电压探测器(PROBE),如图3-7所示。

按照图3-8所示布局布置元件。
按图3-3所示连接电路。将鼠标放置到元件连接点,鼠标将以十字形状出现,单击鼠标左键,开始画线,连接好的电路如图3-9所示。
双击其中的主流电源V1,将弹出如图3-10所示的元件编辑对话框。
选择Value标签,在Voltage文本框中键入5,设置电压的幅值为5V。设置完成后单击“OK”按钮完成设置,如图3-11所示。
单击菜单栏“Views”→ “Toolbars” → “Simulation Switch”打开仿真开关。鼠标左键单击开关按钮的数字“1”,开始仿真。电路仿真结果如图3-12所示。
双击电阻R1,打开电阻元件编辑对话框,如图3-13所示。
选择Value标签,在Resistance(R)文本框中键入100,设置电阻值为100Ω。设置完成后单击“OK”按钮完成设置,单击仿真开关开始仿真,仿真效果如图3-14所示。

双击电阻R2,打开电阻元件编辑对话框,选择Value标签,在Resistance(R)文本框中键入200,设置电阻值为200Ω。设置完成后单击“OK”按钮完成设置,单击仿真开关开始仿真,仿真效果如图3-15所示。
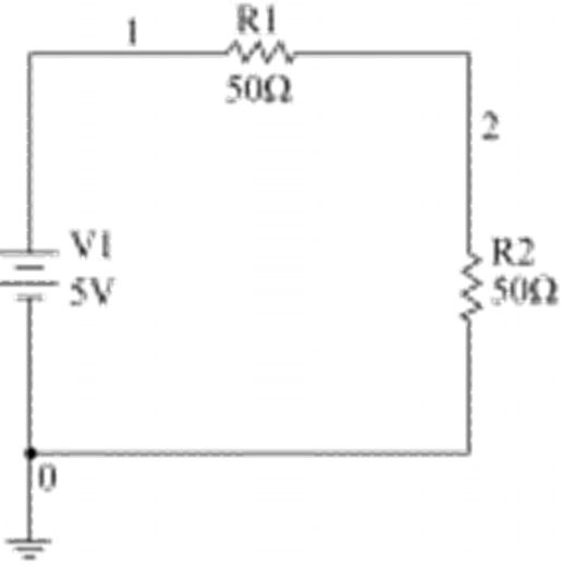
以图3-16所示电路为例说明电压探测器(PROBE)的功能及使用方法。
新建文件,首先元件,添加电源V1,单击工具栏电源库(Sources)按钮,弹出选择元件(Selecta componet)对话框,选择系列(family)为POWER_SOURCES,元件选择直流电源(DC_POWER),单击确定按钮,在电路图中适当位置单击鼠标左键放置直流电源,并将电压源的电压幅值设置为5V。
接着添加R1、R2两个电阻,单击工具栏基本元件库(Basic),弹出选择元件(Selecta componet)对话框。选择系列(family)为RESISTOR,元件选择阻值为50的电阻,单击确定按钮,在电路图中适当位置单击鼠标左键放置电阻RESISTOR。添加模拟地。连接电路图如图3-16所示。

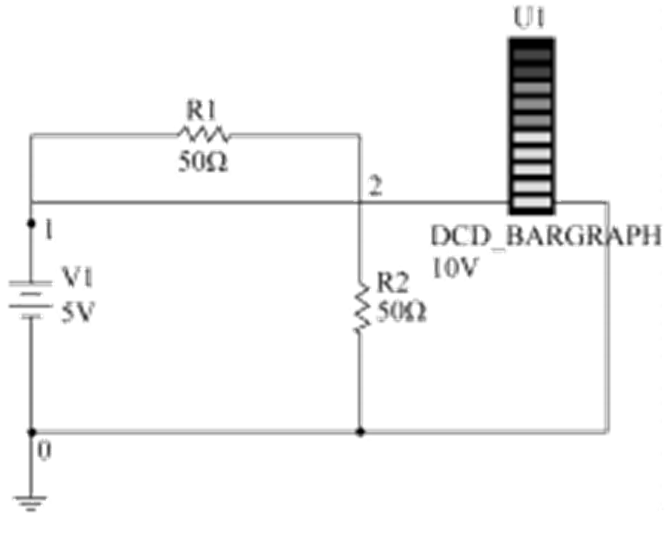
单击工具栏指示元件库(Indicator)按钮,弹出选择元件(Selecta componet)对话框,选择系列(family)为条形光柱(BARGRAPH),元件(componet)选择DCD_BARGRAPH,单击确定按钮,如图3-17所示。
在电路图中适当位置单击鼠标左键放置条形光柱(BARGRAPH),将条形光柱(BARGRAPH)连接到图3-16部分,如图3-18所示。
单击仿真开关进行仿真,电路的仿真结果如图3-19所示。


